Skip navigation

Cyberspit Amicale Spitfire
Bienvenue sur Cyberspit !

  Ce forum est réservé aux discussions autour des Triumphs.
Lisez-moi
Recherche :


Uniquement dans ce fil

Retour à la liste des messages | Dernier message
MM17 *

26/10/2023
14:01
plus d'éclairage (Spitfire 1500)
Bonjour à tous,

mes connaissances étant limitées, mais je souhaite essayer ...
lors de notre dernière sortie nocturne avec la Spitfire, à un kilomètre de notre domicile (heureusement) tout l'éclairage s'est brutalement coupé, phare, feux arr, tableau de bord ...
seuls les clignotants fonctionnent ...
avez vous une piste à m'indiquer ?
merci d'avance
Bonne journée
Maxime
Shodan47700 *

26/10/2023
14:16
re : plus d'éclairage (Spitfire 1500)
je pense qu'il s'agit d'un problème electrique :) !!!
Gilbert33

26/10/2023
14:39
re : plus d'éclairage (Spitfire 1500)
Bonjour
En premier lieu il faut vérifier les fusibles Voir si il n'y en a pas un de grillé et le remplacer a l'occasion .
Penser a l'occasion de nettoyer les lamelles qui supporte le fusible risque d'oxydation , passer un peu de papier de verre et enduire légèrement de graisse Si ça ne marche pas il va falloir voir plus loin
Shodan47700 *

26/10/2023
14:42
re : plus d'éclairage (Spitfire 1500)
avant on ouvrait sa boite a fusible et on les vérifier ....
Maintenant on demande sur ce forum et on va vérifier ses fusibles

Ca prend un jour de plus :))
MM17 *

26/10/2023
16:41
re : plus d'éclairage (Spitfire 1500)
... un grand merci pour vos réponses
j'aurai donc du préciser que les fusibles sont bons, je ne pensais pas que cela serait nécessaire,
Shodan47700 *

26/10/2023
16:48
re : plus d'éclairage (Spitfire 1500)
faut bien qu'on taquine @MM17 :)
GTR6-95

26/10/2023
16:49
re : plus d'éclairage (Spitfire 1500)
Salut,
Un grand classique sur les 1500, interrupteur centrale, le rouleau en cuivre qui c'est barré. Il faut sortir l'interrupteur en poussant derrière le tableau, l'ouvrir et remettre ce petit monde en place.

Batterie débranchée!!!!!!!!!!!!!
Shodan47700 *

26/10/2023
16:59
re : plus d'éclairage (Spitfire 1500)

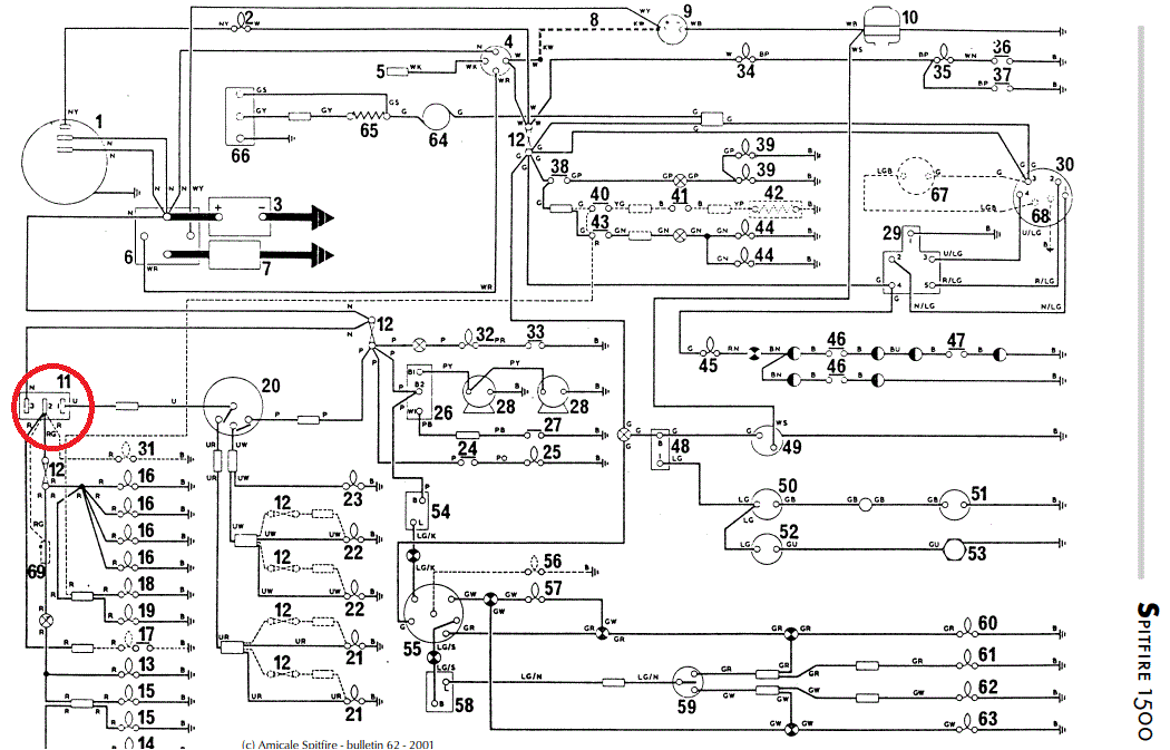
Ca doit etre le commutateur 11 sur le schéma électrique car d'après ce que disait @MM17 tout ce qui est derrière ne fonctionne plus.
Pour ma culture personnelle @GTR6-95 il se trouve ou ?
GTR6-95

26/10/2023
17:40
re : plus d'éclairage (Spitfire 1500)
Consol centrale entre les 2 manos.
MM17 *

26/10/2023
18:26
re : plus d'éclairage (Spitfire 1500)
Merci,
j'ai donc démonté l'interrupteur d'allumage des phares, et un fil était débranché ...
merci , je n'aurai pas pensé à sortir, tout simplement, cet interrupteur pour résoudre cette panne
GTR6-95

27/10/2023
10:37
re : plus d'éclairage (Spitfire 1500)
@MM17 Chouette j'ai gagné un apéro!
MM17 *

28/10/2023
10:10
re : plus d'éclairage (Spitfire 1500)
avec plaisir !
Retour à la liste des messages

* : indique un auteur identifié comme membre de l'Amicale Spitfire


Ajouter un message à cette discussion
Nom email (n'apparaitra jamais sur le site) 757
Sujet

Option : Maxi 10 images uniquement JPEG (300Ko chacune) ou 5 PDF (5Mo chacun)

Attention ! Respectez ces formats et poids, sinon vos fichiers ne seront pas chargés.

Message

Recevoir par mail les réponses
Recopiez ici le numéro là haut à droite (système anti-robot)
Recharger le fil Cliquer une seule fois !

Si vous n'êtes pas adhérent, enregistrer votre pseudo évitera les trolls indésirables !

(c) 2025 Amicale Spitfire