Skip navigation

Cyberspit Amicale Spitfire
Bienvenue sur Cyberspit !

  Ce forum est réservé aux discussions autour des Triumphs.
Lisez-moi
Recherche :


Uniquement dans ce fil

Retour à la liste des messages | Dernier message
serrano

21/11/2023
13:05
Contacteur tableau de bord
(Le fichier "9212F3AF-7828-4BC0-8633-8B53E3BCDF5A.jpeg" est trop volumineux ou le nombre d'élement maximum est dépassé et n'a pas été enregistré)

Bonjour,
Si quelqu’un peut me donner couleur des fils ou nature du câble électrique pour reconnecter le barillet du tableau. De bord pour une mk3
Merci et bonne journée.
Daniel.
jpc 84 30

21/11/2023
20:00
re : Contacteur tableau de bord

@ serrano

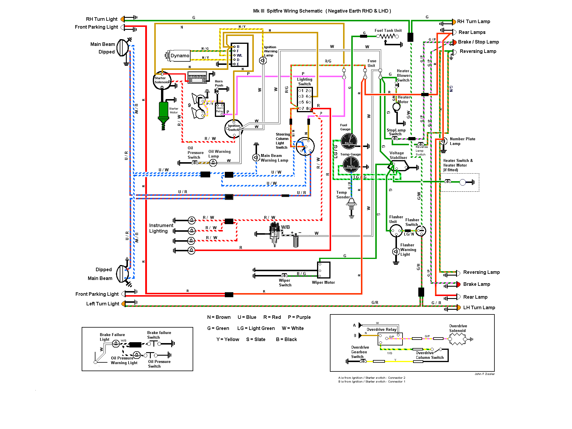
Ci joint schéma électrique .
Le fil marron doit faire 2,5 m/m2 , et les autre environ 1,5 m/m2.

cdlt
j p c
Gecko

22/11/2023
08:08
re : Contacteur tableau de bord
Je profite de cette question mais es ce qu'il existe un document avec les sections des différents conducteurs ?
Ou es ce qu'un courageux se serait lancé un jour dans l'aventure ?
Jean Luc83430

22/11/2023
08:25
re : Contacteur tableau de bord
Bonjour,
Je connais l'un d'entre nous qui a refait entièrement son faisceau, et il a surement les correspondances couleur/sections.
Il se reconnaitra.
Amicalement
Jean Luc
Gecko

22/11/2023
08:53
re : Contacteur tableau de bord
Je profite de cette question mais es ce qu'il existe un document avec les sections des différents conducteurs ?
Ou es ce qu'un courageux se serait lancé un jour dans l'aventure ?
Gecko

22/11/2023
08:56
re : Contacteur tableau de bord
Oupsie, en rechargeant la page, la question a été posée a nouveau.
Désolé

Merci pour la reponse.

J'ai le faisceau du phares a refaire(modifier)
Mais je veux repartir du faisceau d'origine pour intégrer les relais.
Nedochatre *

22/11/2023
12:50
re : Contacteur tableau de bord

Bonjour,
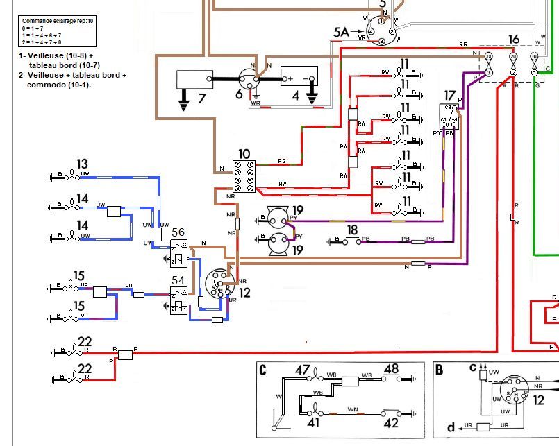
Pour compléter, ce schéma intègre les relais des phares avant ainsi qu'un nouveau câblage de l'interrupteur permettant d'avoir les branchements affichés dans le cartouche.
Amicalement
serrano

28/11/2023
14:41
re : Contacteur tableau de bord
Bonjour
Merci aux amicalistes et à nedochatre pour les infos sur le contacteur.
Je n’ai pas terminé mes devoirs sur la mk3!
Bonne journée à tous
Daniel mk3 68
Retour à la liste des messages

* : indique un auteur identifié comme membre de l'Amicale Spitfire


Ajouter un message à cette discussion
Nom email (n'apparaitra jamais sur le site) 576
Sujet

Option : Maxi 10 images uniquement JPEG (300Ko chacune) ou 5 PDF (5Mo chacun)

Attention ! Respectez ces formats et poids, sinon vos fichiers ne seront pas chargés.

Message

Recevoir par mail les réponses
Recopiez ici le numéro là haut à droite (système anti-robot)
Recharger le fil Cliquer une seule fois !

Si vous n'êtes pas adhérent, enregistrer votre pseudo évitera les trolls indésirables !

(c) 2026 Amicale Spitfire