![]() |
Amicale Spitfire Bienvenue sur Cyberspit ! Ce forum est réservé aux discussions autour des Triumphs. Lisez-moi |
|
| Retour à la liste des messages | Dernier message | |
| jacques(74) 30/05/2024 14:46 |
Interrupteur de phare "chauffé" |
|---|---|
![]() En voulant mettre mes phares dans mon garage je me suis aperçu que mon bouton était très difficile à bouger , voir impossible en position 3. J'ai donc démonté l'interrupteur pour voir qu'il y avait une une surchauffe . Quelle pourrait être la cause vu que le cablage à été refait par un professionnel. Merci pour vos réponses |
|
| spit-68-jmbd * 30/05/2024 15:45 |
re : Interrupteur de phare "chauffé" |
| @Jacques(74) je pense que cela ressemble à une installation sans relais, la puissance passe directement par le bouton et le "crame". c'est une piste. Spitamicalement JMarie |
|
| spiterman * 30/05/2024 20:45 |
re : Interrupteur de phare "chauffé" |
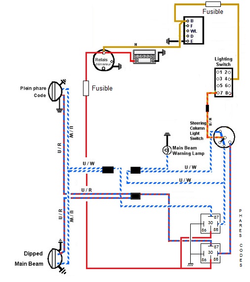
![]() en effet c'est la maladie du circuit codes/phares, en vieillissant les contacts se relâchent, prennent du jeu, s'oxydent, le courant pas de moins en moins bien et puis cela finit par chauffer voir brûler (plusieurs cas connus). S'en parler du comodo qui peut représenter les mêmes dangers car tout le courant de puissance des codes et des phares passe par ces deux éléments. Bien sûr l'on pourrait se contenter de changer le contacteur mais cela ne ferait que repousser à plus tard le problème à plus ou moins longue échéance selon la qualité des nouveaux éléments. Donc le plus sûr est d'installer des relais pour les codes et les phares. En Bourgogne-Franche-Comté en 2018 on a fait un atelier qui a réunis 18 Amicalistes et on a installé des relais sur nos Spit à la chaîne, si tu veux je peux t'envoyer le doc réalisé à cette occasion. Voici déjà le dessin d'installation sans bouleverser le circuit d'origine, il suffit de shunter le circuit au niveau des fils sous la colonne de direction qui vont en direction du comodo : bleu/rouge pour les codes et bleu/blanc pour les phares |
|
| spiterman * 30/05/2024 20:48 |
re : Interrupteur de phare "chauffé" |
![]() |
|
| Gilles 35 * 30/05/2024 21:01 |
re : Interrupteur de phare "chauffé" |
| Bonsoir Effectivement, cela chauffe. Manifestement, les cosses chauffent, ce qui veut dire qu'elles ne sont pas bien montées. L'interrupteur ne présente de traces de chauffe. Le montage d'un relais est une excellente idée, mais avec des cosses correctement montées. Gilles 35 |
|
| Spiterman ailleurs 30/05/2024 21:24 |
re : Interrupteur de phare "chauffé" |
| Cela chauffe aux points fragilisés car il passe près de 10 ampères. De plus l'emploi de relais permet un regain de puissance par l'élimination des pertes en ligne |
|
| tommybolin 31/05/2024 12:20 |
re : Interrupteur de phare "chauffé" |
| Bonjour Jacques, Ça pourrait éventuellement provenir aussi d'une oxydation des bornes de l'inter au niveau des rivets de fixation ou des connecteurs en ligne situés sur le routage du circuit. cdlt :) |
|
| Jacques (74) 03/06/2024 12:07 |
re : Interrupteur de phare "chauffé" |
| Merci beaucoup pour toutes ces réponses, je vais vérifier tout ça. Amitié |
|
| Retour à la liste des messages | |
* : indique un auteur identifié comme membre de l'Amicale Spitfire
(c) 2025 Amicale Spitfire



