Skip navigation

Cyberspit Amicale Spitfire
Bienvenue sur Cyberspit !

  Ce forum est réservé aux discussions autour des Triumphs.
Lisez-moi
Recherche :


Uniquement dans ce fil

Retour à la liste des messages | Dernier message
Paul

21/09/2018
20:07
Restauration carburateur CD 150
Bonjour ! :-)

Bon suite à  beaucoup d'échange notamment avec Tommybolin, me voici lancé dans la restauration de CD 150 pour remplacer mes CDS.

Première chose, il me faut commander le kit restauration. En attendant de le recevoir, je pourrais nettoyer.. Par contre, pas moyen de trouve un numéro de version sur les carbus!^^ il y en a?^^

Sinon les parties métal sont corrodées. Et les ressorts, surtout les petits seraient à  changer mais pas sûr que ça se trouve facilement.

Je vous mets quelques photos :-)
Paul

21/09/2018
20:08
re : Restauration carburateur CD 150


Avant.
Paul

21/09/2018
20:09
re : Restauration carburateur CD 150


Arrière.
Paul

21/09/2018
20:09
re : Restauration carburateur CD 150


Dessus.
Paul

21/09/2018
20:16
re : Restauration carburateur CD 150


Dessous.
Tontongbx

21/09/2018
21:44
re : Restauration carburateur CD 150

De mémoire, le numéro se trouve là .

4 chiffres et une lettre (F pour front et R pour rear)
Tontongbx

21/09/2018
21:49
re : Restauration carburateur CD 150

Pour ta question d'entretoise thermique, si tu regardes ta première photo de 20:09, tu verras que l'orifice central du joint a la même forme que l'entretoise et est bien rond.

Sur la vue qui va avec les CDSE, il y a une encoche qui une fois monté, est en communication directe avec l'extérieur... Pas bien...
Paul

21/09/2018
21:51
re : Restauration carburateur CD 150
Merci Tontongbx!! :)
tommybolin

21/09/2018
21:55
re : Restauration carburateur CD 150
bonsoir Paul,
-bah vus comme çà  ils me paraissent en plutôt bon état :) ne t'inquiète pas pour l'oxydation de couleur jaune ou celle des cuves... en principe ça part avec le diluant cellulosique ( corps, cloche, couvercle de cuve, en bain après dépose de toutes pièces plastique flotteurs etc !!!)
-Déjà  tu peux les laisser tremper dans le white-spirit une 1/2 journée et renouvelle le brossage.. une bonne partie des dépots devrait s'éliminer...
-tu peux sans souci desserrer les 2 vis d'interco (en vert) pour séparer les carbus
-cherche autour des points indiqués (jaune) tu devrais y trouver un code à  4 chiffres frappés suivis de F sur le carbu AV ou R pour l'AR (par ex 3092F/R ou 3168 ou 3172, ce sont les codes correspondants aux GT6MK1)
-gaffe aussi au moment de démonter de ne pas mélanger les pièces des carbus
chaque pièce devant retourner à  sa place sur son carbu attitré... :)
cdlt :)
Tontongbx

21/09/2018
21:55
re : Restauration carburateur CD 150

Si ça peut t'aider, j'avais pris des mesures sur la mienne pour refaire les deux bras de commande, depuis la barre principale de commande d'accélérateur.

J'ai fait refaire les deux pièces dans une petit atelier, récupéré la biellette longue des CDSE et avec quelques ajustements, ça va sans soucis.

J'ai fait le forage de la bague, coté pédalier, après montage à  blanc pour récupérer le trou existant sur l'axe
tommybolin

21/09/2018
21:57
re : Restauration carburateur CD 150
ah ben Tonton a déjà  répondu :))
Tontongbx

21/09/2018
21:58
re : Restauration carburateur CD 150

la photo après montage
tommybolin

21/09/2018
22:05
re : Restauration carburateur CD 150

img
Paul

21/09/2018
22:19
re : Restauration carburateur CD 150
Merci pour vos réponses.

J'ai enfin trouvé les numéro (sous une couche de..)^^
J'ai investi dans une petite nettoyeuse à  ultrason, normalement ca devrait bien servir!? :)

Pour l'accélérateur je vais regarder, merci pour les infos :)
Mickaà«l

21/09/2018
22:34
re : Restauration carburateur CD 150
Ton bac à  ultrason est-il également chauffant ? Si non, ce n'est pas grave mais c'est un plus qui facilite le nettoyage.

Pour le produit à  mettre dedans : 25 % de dégraissant et 75 % d'eau déminéralisée.
Personnellement, j'utilise le dégraissant multiusage W5 (en pulvérisateur de 1 litre. Au savon de Marseille) de chez Lidl.
Si ton bac est chauffant, la montée est très très très lente. Pour gagner du temps, je préchauffe une partie du mélange dans une casserole.

Attention : le dégraissant fait très bien son boulot MAIS les pièces en alu vont ressortir noircies (oxydation de surface). L'idéal est de les microbiller ensuite pour leur redonner l'aspect alu brut.

Imperativement bien les rincer à  l'eau claire après nettoyage et sécher si possible à  l'aide d'une soufflette.
Paul

21/09/2018
22:35
re : Restauration carburateur CD 150
Ce sont des 3092 :) Si jamais vous connaissez le kit correspondant^^
Tontongbx

21/09/2018
23:02
re : Restauration carburateur CD 150
Ici...

http://zenithcarb.co.uk/catalogsearch/result/?q=3092+
Paul

21/09/2018
23:06
re : Restauration carburateur CD 150
C'est le lien pour des carbus restaurés :)
Les kits c'est : http://zenithcarb.co.uk/carburettor-kits/cd-stromberg-rebuild-kits.html mais il existe plusieurs versions de cd150 comme me l'avait indiqué tommybolin. Je vais envoyer un mail :)
tommybolin

21/09/2018
23:11
re : Restauration carburateur CD 150
c'est ici Paul, tout en bas N°14 rebuild kit (1 seul kit pour les 2 carbus)
ref CDRK79
http://zenithcarb.co.uk/carbspec/carburettor/spares/id/4050/
:)
Paul

22/09/2018
00:32
re : Restauration carburateur CD 150
Il faut que j'apprenne à  lire moi... j'étais sur cette page, j'ai regarder les pièces proposées mais ca n'a pas attirer mon œil^^

Autres petite question, les vis sont bien en pas Américain? Si oui, pas standard ou pas fin?

Merci :)
Paul

22/09/2018
00:39
re : Restauration carburateur CD 150
Mince j'ai raté ton message Mickaà«l. Merci pour tas réponse :)
Je pense mettre du paic dedans^^

Sinon je viens de voir que les carbus que j'ai son les premiers des premières versions de cd 150^^ (comme il y a plusieurs CD 150)
Ca me change des CDSE.. J'espère que les premiers CD 150 sont bien construits même si c'est une première version plusieurs fois modifiés/améliorés.
Mickaà«l

22/09/2018
01:00
re : Restauration carburateur CD 150
Vas-y molo avec le Paic alors ! Parce que les micro-vibrations et un produit vaisselle ça pourrait devenir soirée mousse !
Paul

22/09/2018
02:35
re : Restauration carburateur CD 150
Est ce que vous pensez qu'un de ces joints thermique serait OK?

http://zenithcarb.co.uk/catalogsearch/result/?q=Insulating+Gaskets


Merci :-)
Tontongbx

22/09/2018
09:45
re : Restauration carburateur CD 150
Pas sur, il vaut mieux leur poser la question.

Je leur avais envoyé un mail et il y a 1 an, ils n'avaient rien pour me dépanner...

Trouvé sur E-bay, chez un particulier au fin fond des USA... 3 semaines pour les revoir...
Paul

22/09/2018
11:50
re : Restauration carburateur CD 150
D'accord.

Bon, un premier retour.

Tout est coincé. Après pas mal de WD40, les têtes de vis sur une des cuves ont cassées sans forcé (la moitié des vis). Du coup première grosse galère..^^

Sur l'autre cuve, après WD40, les vis sont parties.

Les chapeaux sont solidarisés au corps.

Les vis de réglage de richesse se sont retirées sans problèmes. Par contre, pas moyen d'enlever les boulons dans lesquels viennent les vis de richesse.


Voilà  voilà  ^^
tommybolin

22/09/2018
13:05
re : Restauration carburateur CD 150
bonjour Paul,
Il faut laisser agir le dégrippant qque temps (voire jours) pour les vis centrales laiton
Utilise une clé à  oeil afin d'avoir une meilleure prise et surtout ne pas forcer mais plutôt agir au choc (léger!) en tapotant avec une pièce de bois sur l'extrémité de la clé.. dès que ça bouge un peu => redégrip entre laiton & alu (après dépose de la cuve pour avoir un meilleur accès)
Un coup de sèche cheveux (pas un décapeur!) passé autour du logement fileté du corps peut aider
Y aller vraiment petit à  petit en va & vient avec la clé & alterner avec le dégrip
Pour les cloches: dégripp autour de la jonction et essaie des petits coups de maillet contre une tige de bois tout autour (sur la partie basse de la cloche là  ou sont les 4vis de fixation) pour tenter de décoller la jonction
Attention pour le nettoyage ultrasons : temp maxi 60° et aucun produit contenant de la soude pour mettre dans le bain car ça bouffe l'alu !!...
bon courage :)
tommybolin

22/09/2018
13:11
re : Restauration carburateur CD 150
pour les cales thermiques, tu en as au moins une : visible sur le carbu avec la cde starter (AR)
Paul

22/09/2018
13:35
re : Restauration carburateur CD 150
Oui j'ai un seul joint thermique..

Bon les boulons laiton son venus et les deux cloches également. Par contre je sens que ça va être compliqué pour la cuve avec 3 têtesur de vis cassées..

Merci pour les tuyaux :-)
tommybolin

22/09/2018
13:43
re : Restauration carburateur CD 150
tu as du filetage qui dépasse ou elles sont cassées à  ras du corps?
Paul

22/09/2018
13:58
re : Restauration carburateur CD 150
A ras forcément.. j'ai essayé avec un extracteur mais les vis ne bougent pas d'un poil..
Paul

22/09/2018
16:35
re : Restauration carburateur CD 150
Alors,

Je ressort de chez un ami mécano, grand passionné des anciennes.

Il a, je site, rarement vu des vis de carbu comme ça. Hyper rouillé.

Après qu'elles essai, il a fallu faire un choix douloureux... sacrifier la cuve... pour sauver le corps.

Et ce fut la bonne solution car les vis n'auraient à  priori jamais bougé.

Donc du coup je suis à  la recherche d'une cuve. à‡a m'étonnerait que les cuves cdse puisse aller dessus ^^

Voilà  voilà ^^

tommybolin

22/09/2018
17:25
re : Restauration carburateur CD 150
pas top! :( l'entraxe des vis est en principe le même sur la cuve CDSE
idem alésage central mais les débattements internes doivent être différents à  cause des flotteurs... :( et sur CD la cuve est conçue pour "verrouiller" la tête de l'axe de flotteur..
Paul

22/09/2018
17:38
re : Restauration carburateur CD 150
à‡a va finir par me coûter plus cher que d'en avoir acheté des restaurés...

Bref il le faut une cuve + flotteurs et au moins une cale thermique. Si jamais quelqu'un a une cuve..
tommybolin

22/09/2018
18:16
re : Restauration carburateur CD 150
pourquoi les flotteurs?
tu as quand même une marge confortable, des restaurés ça pointe à  500 roros..
Paul

22/09/2018
19:06
re : Restauration carburateur CD 150
180 les carbus, presque autant pour le kit restauration deux carbus + aiguille + ports + TVA + nettoyeuse ultrason... j'en suis pas loin ca va vite.. mais la si je dois prendre un autre carbu ca me coûtera plus cher..

Le flotteur à  pris cher.. et l'autre je ne suis pas convaincu ^^

Mais pas de bole.. un carbus avec plein de problème, il manque une cale thermique, etc.. j'espère que Dyngo sera cool..
Paul

22/09/2018
19:24
re : Restauration carburateur CD 150
En plus je suis entrain de remarquer que les flotteurs ne semble pas être les mêmes que les autres CD 150^^ une idée sur le sujet? :)
Paul

22/09/2018
19:45
re : Restauration carburateur CD 150
Bon je confirme que les flotteurs ne sont pas les mêmes que sur les autres versions de CD 150. Et ces flotteurs ne sont plus dispo chez les vendeurs habituels^^
tommybolin

22/09/2018
20:52
re : Restauration carburateur CD 150

il y a 2 modèles MK1 interchangeables, en mousse puis plastique (photo)
voir peut-être ici :
http://www.carburettorspecialists.com/
http://www.gowerlee.dircon.co.uk/
http://www.southerncarbs.co.uk/
cdlt :)
dyngo

22/09/2018
21:15
re : Restauration carburateur CD 150
Dear Paul,
Pas de panique.
Ce sont des carbus +50 ans.
Celui-ci d'une voiture démonté pour 40 ans et oublié;
Les autres que j'avais proposé venant d'un spit mk2 2,5 litre anglais utilisé jusqu'au fin (pourrie).

Une cuve, pas problème, quant ils sont tous identique je dois avoir. Même chose pour les flotteurs. J'ai plein carbus incomplète/pour pièces.
Les cale thermique, je crois, n'est jamais un partie du carbu. En démontage ça casse (après 50 ans) presque tous. Je peut avoir des neufs, je dois voir.
Paul

22/09/2018
22:00
re : Restauration carburateur CD 150
Ca marche dyngo.

Du coup je souhaiterais 1 cuve + 2 flotteurs + 2 cales thermiques. Si tu veux vérifier, il y a les infos et photo ici :)

N'hésites pas à  m'envoyer un mail :)


Merci.
Paul

22/09/2018
22:08
re : Restauration carburateur CD 150
Les flotteurs doivent être idem que sur les cd150 des TR4!^^ ?

http://sucarb.co.uk/triumph-tr4-4a-stayup-float-kits.html
tommybolin

22/09/2018
22:50
re : Restauration carburateur CD 150
c'est ce style de flotteur mais plus large sur les TR4 il me semble :)
Paul

22/09/2018
23:04
re : Restauration carburateur CD 150
Ah d'accord :)
Paul

23/09/2018
12:46
re : Restauration carburateur CD 150
Bonjour,

bon, partons du principe que je vais avoir une nouvelle cuve, etc :)

Que dois-je démonter ou non sur les carbus? Ou dois-je tout démonter?!^^

Merci :)
tommybolin

23/09/2018
14:10
re : Restauration carburateur CD 150
Bonjour Paul,
il n'y a pas beaucoup de pièces internes sur ces carbus,
oui tout démonter mais attention à  certains points! :) :
-Sur les CD/CDS, l'un des 2 mâts moulés dans le corps & supportant l'axe de flotteur moulé est très proche du pointeau => gaffe à  utiliser une douille série mini ou clé à  pipe de pref en 6 pans (13ou14) très fine de façon à  ne pas forcer contre le mât sinon casse = corps HS
-Avant de déposer les papillons puis les axes, tu peux déjà  regarder s'il y a du jeu diamétral papillon/corps (papillon ouvert)
-dévisser les 2 vis & sortir le papillon (selon le type de vis utilisé, leur extrémité si elle est fendue aura besoin d'être refermée avant dépose)
ensuite après dépose des écrous en bout & AVANT de glisser l'axe, bien ébarber à  la lime fine les bavures présentes sur l'axe autour des 2 trous de vis afin d'éviter d'arracher l'alu des paliers !!
-Pour sortir les 2 axes-cames de starter, juste déposer le circlip en bout de chaque axe (bien dégripper & manoeuvrer les axes avant de les sortir)
-le restant est juste un empilage de pièces emboîtées (ensemble de réglage richesse incluant le gicleur)
bon courage :)

tommybolin

23/09/2018
14:23
re : Restauration carburateur CD 150

img
tommybolin

23/09/2018
14:27
re : Restauration carburateur CD 150

img
Paul

23/09/2018
15:48
re : Restauration carburateur CD 150
Yes :-) j'en ai chié à  l'enlever sur le carbu problématique.. rien n'y faisait encore une fois ..^^

Comment tu retires l'axe du starter? J'ai retiré la goupille mais l'axe ne bouge pas d'un poil en tappotant dessus même la rotation se fait sans soucis.

Merci :-)
tommybolin

23/09/2018
16:22
re : Restauration carburateur CD 150
tu as bien déclipsé le ressort spirale de l'autre côté?
Paul

23/09/2018
16:29
re : Restauration carburateur CD 150
Non car je pensais que ça partirait d'un seul bloque?^^
tommybolin

23/09/2018
18:17
re : Restauration carburateur CD 150
c'est pas la goupille, mais le gros circlip :)
Paul

23/09/2018
18:52
re : Restauration carburateur CD 150
Désolé pour mon manque de vocabulaire.. ^^
Paul

23/09/2018
20:07
re : Restauration carburateur CD 150


Bon alors la casse continu avec le fameux carburateur..
Paul

23/09/2018
20:09
re : Restauration carburateur CD 150
Il me faut donc une tige de starter.. Dès qu'il y a du métal c'est trop abîmé.
tommybolin

23/09/2018
20:20
re : Restauration carburateur CD 150
pas de bol.. c'est toujours sur le même?
ça s'est produit en tentant de dévisser l'écrou ?
Paul

23/09/2018
20:31
re : Restauration carburateur CD 150
Oui toujours le même carbu..il est pourri.. je me demande si il ne m'en faudrait pas un autre là ..
Oui en "tentant" car je n'ai pas vraiment pas forcé.

tommybolin

23/09/2018
20:47
re : Restauration carburateur CD 150
Les pièces sont assemblées depuis 50 ans donc au démontage c'est toujours un peu risqué .. un léger coup de chauffe localisé au décapeur sur les écrous peut aider.. et ces filetages sont assez fragiles car en alliage avec juste un demi filetage pour permettre l'usinage de l'arret de la biellette
Sinon le piston & son tube guide sont en bon état? le guide coulisse bien sans jeu dans la cloche?
idem pour le corps? (jeu au paliers d'axe papillon)
Paul

23/09/2018
21:12
re : Restauration carburateur CD 150
Le piston frotte un peu mais ca doit être normal?

Bonc'est peut être réparable? Refaire le bout avec de la colle bi-composant ou récupérer le même morceau sur la tige laiton pour l'accélérateur. Ou retrouver la même pièce.

J'espère que dyngo va pouvoir aider.
tommybolin

23/09/2018
21:55
re : Restauration carburateur CD 150
Non ça ne doit pas frotter ni avoir du jeu.. il y a un bon nettoyage à  faire. Bien brosser toutes les surfaces du piston & l'alésage du corps de carbu au white spirit
& passer au scotch britt fin (graton vert) la surface extérieure du tube (pas celle du piston) après pulvérisation de dégrip
Pour la barre de starter, c'est pas réparable facilement à  moins de couper la tige à  ras de l'épaulement et de percer tarauder (ou seulement percer et monter au loctite fort) afin de pouvoir monter/visser au centre une tige de même diamètre filetée en bout.. A réaliser par un atelier d'usinage de précision pour garantir centrage, alignement & respect des cotes
Préférable de trouver la pièce
Paul

24/09/2018
18:38
re : Restauration carburateur CD 150
Le seul point qui me motive c'est que normalement ils n'ont pas beaucoup de kilomètres ces carbus.

Je ne sais pas si dyngo à  eu le temps de regarder ce qu'il a en stock.
dyngo

24/09/2018
21:32
re : Restauration carburateur CD 150

J'ai trouvé un kit de réparation (Stag/TR6) dans mes pièces (photo-quant il passe). Dans le kit il y a des barres en neuf. Pas le cas avec les kits pour GT6 ?

J'ai trouvé encore un carbu même type. Comme ça tu as tous les pièces qui manque, + qq en réserve. Il faut démonter doucement !! Plus des cales en occasion. Je vais l'envoyer demain en Aix (Aachen), j'ai plusieurs choses a envoyer.

Paul

24/09/2018
21:48
re : Restauration carburateur CD 150
Bonsoir dyngo. OK pour le carbu :-) c'est le même modèle? Tu as une photo? :-)

Là  barre cassée n'est pas celle en laiton pour l'accélérateur mais celle en aluminium pour le starter.. c'est bien plus pénible.. ^^

Des que tu peux, n'hésitesi pas à  me dire combien tu veux..

Merci :-)
tommybolin

24/09/2018
22:01
re : Restauration carburateur CD 150
bonsoir,
le kit Stag c'est pour des 175CDSE
(pour info carbu Herald 13/60 = 150CD) :)
dyngo

24/09/2018
23:07
re : Restauration carburateur CD 150
Oui, je sait, c'est pour 175, j'avais ça par chance avec un moteur/ boite/ carbus TR6.
J'ai vu que là  les barres sont inclus (bon, c'est type mk2)
Pour les carbus axes alu je ne sait pas

Le carbu que je vais envoyer c'est même type, origine surement GT6/Vitesse mk1.

Comme tous les gens qui roulent en Land/Range Rover savent: la combinaison fer et alu est agressive. Le poudre blanc (corrosion) fait le démontage difficile/impossible. Penser a couper le fer avec scie ou flex pour sauver l'alu.
Paul

25/09/2018
00:08
re : Restauration carburateur CD 150
C'est sur qu aluminium + métal rouillé..

Tu penses pouvoir me l'envoyer quand ? :-)
dyngo

25/09/2018
13:32
re : Restauration carburateur CD 150
4 ligne plus haute ..
Et demain, c'est aujourd'hui aujourd'hui.
J'ai envoyé le no de suivie par mail.
Et cette fois: démonter doucement !!
Dévisser un écrou en métal sur un axe en alu, pas bougé pendant 50 ans on peu oublié. Couper l'écrou !
Paul

25/09/2018
13:45
re : Restauration carburateur CD 150
Désolé je n'avais pas compris...

Oui ce coup là  je découpe..

Merci dyngo :-)
Paul

25/09/2018
15:19
re : Restauration carburateur CD 150
Question bête du jour, pourquoi ne pas passer un nettoyant à  polir type belgom alu sur le piston et cylindre du carburateur? Cela pourrait permettre d'enlever toutes les aspérités? :)
tommybolin

25/09/2018
17:48
re : Restauration carburateur CD 150

Bonjour Paul,
en principe pas nécessaire de "polir" le piston & le cyl du corps.
D'origine piston & corps ne sont pas polis
Si ça accroche à  ce niveau soit c'est encrassé ou il y a des poussières de limaille entre les 2.. il faut juste bien les nettoyer (une bombe de nettoyant carbu aide aussi à  dissoudre les " vieux vernis" mais gaffe à  ne pas pulvériser sur les pièces en plastique!) :)
Je ne sais pas dans quel état sont les surfaces de tes pièces (oxydation?) ..mais si le nettoyant carbu n'est pas suffisant, oui tu peux utiliser ce genre de produit pour nettoyer modérément, sans chercher à  atteindre le poli miroir.. le mieux étant parfois l'ennemi du bien en mécanique :)
Par contre ce genre de produit sera bien utile (par ex Mirror ou Pierre d'Argent) pour polir & ainsi restaurer la surface externe du guide chromé de piston afin qu'il coulisse bien dans le couvercle de carbu (idem pour l'alésage du couvercle) dans tous les cas bien rincer les résidus de ces produits abrasifs avec par ex du white-spirit (le vrai... pas le substitut éco merdique!) ou de l'essence
cdlt :)
Paul

25/09/2018
18:09
re : Restauration carburateur CD 150
Super merci ! :)
Paul

25/09/2018
20:09
re : Restauration carburateur CD 150
C'est marrant car contrairement à  sur des forums de motos, personnes ne dit de mettre les carbus dans une casserole avec jus citron et de l'eau ^^
Frédéric 2

25/09/2018
20:48
re : Restauration carburateur CD 150
Par ce que l'acide citrique ... Pas plus de 2% ... Temperature inférieure à  50 degrés ... Et surtout ... Pas plus de 15 mn maxi puis rinçage à  l'eau claire.
Si ces points ne sont pas respectés, risque de "noircir" tes carbus ...🤤
tommybolin

25/09/2018
20:50
re : Restauration carburateur CD 150
le jus de citron noircit l'alu !! et faire bouillir les pièces du carbu risque de les déformer..
Un bon bain prolongé dans du diluant cellulo fait en principe le job.... :))
Frédéric 2

25/09/2018
20:51
re : Restauration carburateur CD 150
Mais, le mieux ... à‡a reste les ultrasons ...
Paul

25/09/2018
21:20
re : Restauration carburateur CD 150
Perso je suis déçus de l'ultrason. Pas de miracle quoi. Il faut laisser les pièces 2h dans le bain.
Frédéric 2

25/09/2018
21:24
re : Restauration carburateur CD 150
Tu as utilisé quoi comme produit pour accompagner ton eau ...
A quelle fréquence et quelle puissance avait ton bac ?
Paul

25/09/2018
21:38
re : Restauration carburateur CD 150
120w d'ultrasons pour 3 litres. Paic dans l'eau avec des reste de wd40 pour blanchir l'eau ^^

On m'a beaucoup dit que les produit ne servent à  rien. Donc du dégraissant dans l'eau et voilà  ^^ à  50/60 degrés.

Vous avez un produit magique? ^^
Frédéric 2

25/09/2018
21:44
re : Restauration carburateur CD 150
Il y a effectivement des produits spécifiques ... Par contre, pour un nettoyage efficace, il faut une puissance mini de 350w voir 450 ...
Ceci explique que le résultat attendu ne soit pas au rendez vous.
Perso, je vais en faire dans une semaine, je pourrai faire des photos avant/après... Juste pour prouver que c'est efficace.
Paul

25/09/2018
22:06
re : Restauration carburateur CD 150
Après du vigor? De l'amoniac?

Oui pour la puissance. Après attention, il y a la puissance d'ultrasons et de chauffage. Souvent quand on dit 350w c'est 200w pour le chauffage et 150 pour l'ultrason ^^

Et plus le bac est grand et plus il est puissant. Normal ^^
Frédéric 2

25/09/2018
22:14
re : Restauration carburateur CD 150
Vigor... Ammoniac... Je n'essaierais même pas ... Ou alors je le ferais (par curiosité) sur un carbu hs ...
Je ne suis pas chimiste donc j'utilise les produit recommandés.
Par contre, j'ai l'avantage d'avoir à  dispo du matériel pro.

Mickaà«l

25/09/2018
23:24
re : Restauration carburateur CD 150
Tu attendais quel résultat de ton nettoyage aux ultrasons ?
Paul

26/09/2018
00:02
re : Restauration carburateur CD 150
Qu'au moins ça enlève toutes crasses sur l'aluminium. Mais je pense que le produit à  son importance et je n'ai rien mi de spécial.
Paul

26/09/2018
11:03
re : Restauration carburateur CD 150


Bonjour,
Est ce que la pièce qui héberge l'aiguille se demonte/est à  démonter comme sur les cdse?

Merci :-)
jean-claude 92

26/09/2018
11:32
re : Restauration carburateur CD 150
Bonjour,
le mieux pour nettoyer à  fond un carburateur; le démonter entièrement et enlever tous les joints, placer toutes les pièces dans un litre de vinaigre blanc (d'alcool) dans une gamelle et faire bouillir au moins dix minute en remuant de temps en temps avec une baguette.Il suffit ensuite de bien le rincer à  l'eau chaude et le faire sécher.
Cordialement

jean-claude
tommybolin

26/09/2018
13:07
re : Restauration carburateur CD 150
bonjour Paul,
-Non, le tube qui retient l'aiguille est pressé en usine dans le piston et n'est pas à  démonter
-Ccernant le bac à  ultrasons sûr que pour obtenir un bon résultat, il faut utiliser les produits spécifiques pour l'alu, mais ça coute un peu..
-C'est pourquoi je me permets encore une fois d'insister - lourdement ! - :) sur les "bienfaits" du diluant peinture cellulosique.... c'est réputé & perso j'utilise depuis longtemps pour décaper pièces alu, pistons etc.. ça marche!! et c'est pas coûteux (à  prendre en droguerie pro pour efficacité)
Pas besoin de chauffe, juste un peu de temps pour agir et un récipient métal hermétique car ça "embaume & distrait les neurones" :)
Paul

26/09/2018
13:11
re : Restauration carburateur CD 150
D'accord. Merci tommybolin :-)
tommybolin

26/09/2018
15:45
re : Restauration carburateur CD 150
GROSSE PRà‰CISION CCERNANT LA Sà‰CURITà‰ & pour clarifier mon propos ci-dessus ! : il n'est bien sûr pas question d'utiliser ce diluant ou un quelconque autre produit inflammable comme bain dans le bac à  ultrasons..
cdlt :)
Paul

26/09/2018
17:18
re : Restauration carburateur CD 150
Oui ^^ :)
Paul

27/09/2018
23:13
re : Restauration carburateur CD 150


Bonsoir,

Juste pour dire, un nettoyeur ultrason fonction bien mieux avec du produit!
tommybolin

28/09/2018
18:36
re : Restauration carburateur CD 150
Bonsoir Paul,
ah oui ça change!.. première douche depuis 50 ans :)
tu as utilisé un produit pro?
Paul

28/09/2018
19:31
re : Restauration carburateur CD 150
Oui produit "pro" légèrement acide. 15e le litre à  diluer à  5% :)
Mickfreddy29

28/09/2018
19:33
re : Restauration carburateur CD 150
Tickopur TR3 ou R33 ...
frederic

29/09/2018
10:27
re : Restauration carburateur CD 150
j'ai une technique pour les carbus pas chère et efficace de l'eau chaude et un bon bain avec du produit en poudre pour lave vaisselle
attention c'est assez rapide
Paul

02/10/2018
23:30
re : Restauration carburateur CD 150


Bonsoir,

quelques petites questions. Est-ce que vous pensez si il faut changer les différents ressorts? Si oui, vous savez où puis-je en trouver? Perso je n'ai pas trouvé..

Autre question, j'ai bien reçus les éléments entourés sur l'image. Mais je ne sais pas à  quoi il servent et je n'en ai pas démonté sur les carbus. Ils servent à  quelque chose? ^^


Merci :)
tommybolin

03/10/2018
00:01
re : Restauration carburateur CD 150
bonsoir Paul,
si les ressorts sont ok, un coup de brosse métallique fine dessus pour les désoxyder devrait suffire
de toute manière ils ne doivent pas être dispo
Les pièces entourées ressemblent à  des spi d'axe papillon (présents sur CDSE montés sur certaines MK1 US) mais pas sur les CD..
Possible que certaines pièces du kit soient prévues pour d'autres variantes
cdlt :)
Paul

03/10/2018
00:26
re : Restauration carburateur CD 150


D'accord ^^ Ca vaut le coup d'indiquer quels carbus nous avons!^^

Il y a un ressort vraiment mort sur chaque carbus. Je ne sais pas si il sert vraiment à  quelque chose d'ailleurs (voir image).

Merci :)
Paul

03/10/2018
00:32
re : Restauration carburateur CD 150
D'ailleurs si il n'y a pas de joint sur les axes papillon il doit forcément y avoir une entrée d'air??
tommybolin

03/10/2018
00:41
re : Restauration carburateur CD 150
si le jeu axe/palier reste imperceptible il n'y a pas de souci à  ce niveau
(comme pour les SU)
Le petit ressort que tu indiques sert de rappel pour les biellettes de starter
il y en a un uniquement sur le carbu AR
Paul

03/10/2018
00:53
re : Restauration carburateur CD 150
Quand j'ai démonté, il y avait un peu de jeux mais bon peut être normal?^^ les carbus sont censés avoir peu de route.
Paul

03/10/2018
01:12
re : Restauration carburateur CD 150
Après je suppose que c'est la vissé de richesse qui vient corriger les fuites d'air si on peut dire ^^ ? :-)
tommybolin

03/10/2018
17:12
re : Restauration carburateur CD 150
bonjour Paul, les axes originaux sont probablement un peu marqués au niveau des paliers?
il faut glisser les axes neufs & tester
(précision ccernant le petit ressort ci dessus : c'est normal qu'il paraisse un peu détendu en position repos..)
Oui la vis de richesse peut corriger les fuites au ralenti mais du coup ta richesse en régime n'est plus correcte.. d'où l'importance d'absence de jeu excessif au niveau des axes..
cdlt :)
Paul

03/10/2018
20:19
re : Restauration carburateur CD 150
Bonoir,

D'accord c'est noté :-)

Bon je vais avoir finit de nettoyer les pièces et je pense monter les carbus ce weekend. J'espère que vous êtes dispo mdr ! ^^ ça va poster ^^

Vous avez un ordre pour le remontage? J'ai déjà  eu assez de mauvaise surprise alors je préfère écouter vos conseils :-)

Merci :-)
tommybolin

03/10/2018
23:08
re : Restauration carburateur CD 150

-ah ben perso je commencerais par monter les barres de Starter (bien maintenir la biellette située juste derrière l'écrou lors du serrage de celui-ci & ne pas maintenir à  l'extrémité opposée de la barre) ..serrer l'écrou modérément !.. :)) de pref avec un tournevis à  douille
Rabattre les rondelles-frein au dernier moment, quand tout a été vérifié..
(attention à  la bonne orientation de la barre de starter dans l'entrée d'air avant d'enfiler sa biellette sur le filetage car il y a 2 positions possibles!)
-Ensuite montage des axes papillons : mêmes précautions pour le serrage des écrous et l'orientation des axes par rapport aux biellettes..
-Poursuivre avec les papillons à  glisser dans les fentes : gaffe!
il faut respecter le sens des papillons (les 2 tétons détrompeurs doivent être positionnés comme sur la photo et saillants vus de face
Ensuite monter et approcher les 2 vis de papillon mais ne pas les serrer... centrer l'axe en latéral puis actionner la biellette pour ouvrir & fermer le papillon plusieurs fois afin de le centrer dans la buse du corps (les tétons devant rester à  peu près parallèles à  l'axe) puis serrer correctement mais modérément les 2 vis (tu peux mettre un peu de loctite frein filet sur les filets)
-Ensuite tu peux assembler la partie cuve :
pointeau à  serrer modérément (une rondelle alu neuve doit être fournie)
flotteurs (attention au sens de l'axe!! sa tête vient à  l'opposé du pointeau)
régler les niveaux de cuve pour les 4 flotteurs (à  mesurer sans le joint)
poser le joint de cuve et la cuve , visser les vis de cuve à  la main sans serrer
Prévoir de la graisse de vaseline (pharmacie!) pour le montage des 3 joints toriques de l'ensemble gicleur :
bien enduire les 2 joints et les rouler en position autour des vis en laiton & enduire aussi le plus petit, à  positionner dans la rondelle épaulée en laiton
enduire les filetages des 2 vis laiton, l'alésage au centre de la cuve & la surface extérieure du gicleur
assembler les pièces de l'ensemble gicleur(photo2) et poser au centre du carbu retourné
Ensuite visser la vis de réglage laiton de trois tours dans la grosse vis laiton puis visser la grosse vis à  fond au centre du carbu & dévisser d'un tour complet
Maintenant serrer progressivement en quinconce les 6 vis fixant la cuve au corp
s
Ensuite monter la membrane en s'assurant que les 2 ergots détrompeurs s'engagent bien dans leur logement , visser les 4 vis de la couronne
Il te reste à  monter l'aiguille sur le piston.. attention fragile!! l'aiguille est "LA" pièce de précision du carbu.. ne pas laisser reposer le poids du piston dessus gaffe aussi de ne pas la tordre en la manipulant
L'épaulement de la base de l'aiguille doit venir de niveau avec le logement du tube de piston (facile en s'aidant avec le côté non tranchant d'une lame de cutter) puis serrer la vis sans excès
Gaffe encore à  l'aiguille en engageant le piston dans le corps... :)
poser la rondelle s'il y en a une, le ressort puis fixer la cloche en respectant son orientation : sur les CD le bossage doit être orienté vers l'AV de la voiture
Il restera à  régler approximativement la synchro, celle du starter & surtout le centrage des gicleurs carbus en place sur le moteur... à  suivre :)

tommybolin

03/10/2018
23:10
re : Restauration carburateur CD 150

img
tommybolin

03/10/2018
23:11
re : Restauration carburateur CD 150

img
tommybolin

03/10/2018
23:12
re : Restauration carburateur CD 150

img
Paul

04/10/2018
09:44
re : Restauration carburateur CD 150
à‡a c'est de la réponse! ^^ Merci! :-)

Mais je ne suis pas sur d'avoir tout compris, je te demanderai si ça bloque :-)

Pour la graisse, c'est de la vaseline et pas autre chose ou ça peute être de la graisse lithium par exemple? (J'en ai un énorme pot ^^)

Pour les barres de starter sur ce modèle de carbu, je ne vois pas comment je pourrais y mettre dans l'autre sens^^

Merci :-)
tommybolin

05/10/2018
00:17
re : Restauration carburateur CD 150
Bonsoir Paul,
-oui c'est préférable, la vaseline est neutre et n'attaque pas les joints toriques et elle se disperse rapidement en présence d'essence donc pas de risque de boucher momentanément un quelconque passage interne
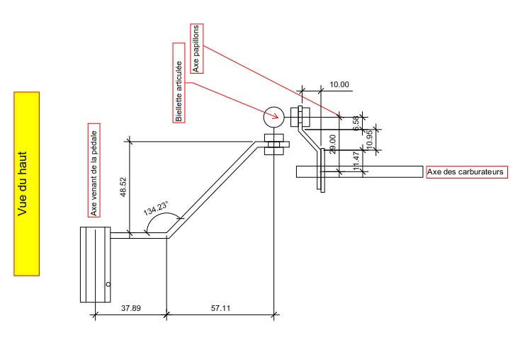
-pour les barres de starter: elles peuvent tourner sur 360° dans le corps du carbu donc il faut simplement veiller à  bien orienter leur méplat vers le haut avant d'enfiler la biellette sur le filetage en bout (si tu présentes la biellette -N°31 sur ton schéma- dans sa position correcte mais que le filetage en bout de barre -N°24- s'est décalé de 180° en rotation alors c'est la partie sphérique de la barre de starter qui viendra se présenter sous le piston = montage incorrect..)
cdlt :)
Paul

05/10/2018
00:17
re : Restauration carburateur CD 150
Pourquoi remplacer le système d'accélérateur GT6+? Il semble moins tirailler les carburateurs et se trouve entre les deux carburateurs.

Si je veux passer en branchement type mk1, il va me manquer quoi?


Merci :)
tommybolin

05/10/2018
00:17
re : Restauration carburateur CD 150
Bonsoir Paul,
-oui c'est préférable, la vaseline est neutre et n'attaque pas les joints toriques et elle se disperse rapidement en présence d'essence donc pas de risque de boucher momentanément un quelconque passage interne
-pour les barres de starter: elles peuvent tourner sur 360° dans le corps du carbu donc il faut simplement veiller à  bien orienter leur méplat vers le haut avant d'enfiler la biellette sur le filetage en bout (si tu présentes la biellette -N°31 sur ton schéma- dans sa position correcte mais que le filetage en bout de barre -N°24- s'est décalé de 180° en rotation alors c'est la partie sphérique de la barre de starter qui viendra se présenter sous le piston = montage incorrect..)
cdlt :)
tommybolin

05/10/2018
00:55
re : Restauration carburateur CD 150

oui je pense que tu dois pouvoir conserver la commande d'accélérateur GT6+ d'origine sauf modif pour rallonger un peu la barre d'interconnexion entre les 2 carbus comme on peut le voir sur cette photo..
Une mise en garde quand tes carbus seront en place et raccordés à  la tringlerie:
débloque le contre-écrou sous la pédale d'accélérateur et par sécurité dévisse la butée de plusieurs mm afin d'être certain d'être en butée accélérateur à  fond AVANT que les biellettes de tes axes papillons ne soient en butée contre les corps de carbu..
Tu pourras bien sûr affiner le réglage par la suite mais si tu ne prends pas cette précaution, tu risques fort de tordre les axes papillons quand ta pédale d'accélérateur sera à  fond de course au plancher!!
cdlt :)
Paul

05/10/2018
13:03
re : Restauration carburateur CD 150
Merci pour les explications :-) Je sens que ça va être quelque chose ^^

Pour l'accélérateur, qu'est ce qui t'as décidé d'enlever celui de la gt6+?
tommybolin

05/10/2018
18:56
re : Restauration carburateur CD 150

je pensais qu'il pouvait y avoir interférence entre la tige de cde verticale d'accélérateur et la tringle d'interco de starter (cerclé rouge) mais à  priori ça doit passer à  ce niveau..
Autre point d'interférence supposé(?) : entre la biellette de starter sur l'axe papillon et la platine de fixation de tringlerie d'origine GT6+ (cerclé)... là  il me semble que ça doit toucher en rotation.. et possible(?) qu'une découpe ait été effectuée sur la platine(flèche) afin de permettre le mouvement
..Mais ce ne sont que des suppositions :))
Paul

05/10/2018
19:57
re : Restauration carburateur CD 150
D'accord.

Qu'est ce qui me manquerait pour être en version européenne?

Je ne suis pas contre retirer in peu de poids ^^
Paul

05/10/2018
21:06
re : Restauration carburateur CD 150
Je ne comprends pas pourquoi tontonx plus indiqué qu'il fallait refaire une pièce (celle sur l'axe de la pédale d'accélérateur). Je pensais juste garder celle de la gt6+ puis simplement refaire les deux trou de fixation pour que l'inclinaison soit OK :-)

Mauvaise idée?
jp2b

06/10/2018
09:02
re : Restauration carburateur CD 150
bonjour,
sur l eclaté des pieces du message de paul du 3 octobre a 00h26 on voit la piece numero 35:
ref 512 296 spring starter bar
j en ai retrouvé une vingtaine ds mon stock de pieces nos.
si certains sont interessés , je passe une annonce.
jp.
Tontongbx

06/10/2018
11:54
re : Restauration carburateur CD 150
Bonjour Paul,

J'ai préféré faire une pièce parce que l'existante n'évait pas le bon angle, ni la bonne longueur. En ne changeant que l'inclinaison, je forçait de travers sur l'axe des papillons, donc risque d'usure rapide des axes...

Seule difficulté, c'est de sortir la tringle d'accélérateur qui est le long du tablier de son pivot droit pour pouvoir enlever et remettre la biellette... J'ai appris après qu'il fallait enlever le moteur pour pouvoir sortir complètement cet axe... :-)

Et puis comme ça, je peux revenir en original sans soucis...
Paul

06/10/2018
12:47
re : Restauration carburateur CD 150
Bonjour,

Du coup le système de la gt6+ est peut être mieux pour les axes que la version européenne en étant bien ferme et en ce situant entre les deux carburateurs (il n'y en a pas un qui prend pour l'autre)?

Merci en tout cas :-)
Paul

06/10/2018
13:16
re : Restauration carburateur CD 150


Allé, je me lance dane le remontage :-)
Paul

06/10/2018
13:31
re : Restauration carburateur CD 150
Bon alors ça commence, je me retrouve avec 4 rondelles de 4 épaisseurs différentes pour chaque carbus. Une idée de quelle rondelle va avec quoi? :-/

Merci paf avance :-)
Paul

06/10/2018
13:32
re : Restauration carburateur CD 150

Photo :-)
tommybolin

06/10/2018
13:46
re : Restauration carburateur CD 150
bonjour Paul,
je pense que tu parles des 4 rondelles alu à  gauche du papillon?
ont-elles le même diamètre intérieur?
Mickfreddy29

06/10/2018
13:47
re : Restauration carburateur CD 150
Je pense que tes 4 rondelles servent à  la même chose ... Reglage de la hateur des flotteurs ... Suivant celle que tu utilisera ...
Se montent sous le pointeau ...
Mickfreddy29

06/10/2018
13:49
re : Restauration carburateur CD 150
Lire "hauteur" 😀
Paul

06/10/2018
13:49
re : Restauration carburateur CD 150
Ah ben super ^^ du coup qu'elle rondelles je prend ? ^^
Mickfreddy29

06/10/2018
13:55
re : Restauration carburateur CD 150
Bonne question ... Tout dépendra de tes mesures de hauteur flotteurs.
Pat contre je ne connais pas la côte recommandée.
Sorry ...
tommybolin

06/10/2018
13:56
re : Restauration carburateur CD 150
compare l'épaisseur avec les anciennes qui étaient sous les pointeaux et prends la même
En principe sur les Stromberg le réglage du flotteur s'effectue en pliant légèrement la languette d'appui sur le pointeau, pas avec des rondelles différentes :)
Mickfreddy29

06/10/2018
14:02
re : Restauration carburateur CD 150

Après recherche ...
tommybolin

06/10/2018
14:11
re : Restauration carburateur CD 150
effectivement cette possibilité est notée aussi sur le manuel usine :)
perso plus facile de régler en courbant la languette que de serrer/desserrer plusieurs fois le pointeau pour glisser une rondelle dessous
Sur le manuel usine GT6 ils donnent 18mm de niveau de cuve (pris sans le joint de cuve monté)
Mickfreddy29

06/10/2018
14:15
re : Restauration carburateur CD 150



Tu as raison pour le manuel GT6 ...
Lequel choisir ... Je pense celui corrigé par Triumph ...
Mickfreddy29

06/10/2018
14:17
re : Restauration carburateur CD 150
Mais ... Ne serait ce pas la hauteur des flotteurs et non leurs réglages ...
Mickfreddy29

06/10/2018
14:42
re : Restauration carburateur CD 150
Bon ... Après controle sur un carbu de GT6 mk1 ...
Tommybolin a raison ...
Hauteur des flotteurs .. 18 mm
L'expérience du sage a parlé
tommybolin

06/10/2018
14:55
re : Restauration carburateur CD 150
Non il est bien question du réglage: sur différents manuels la cote indiquée pour les versions CD ressort à  18mm
(Un peu moins 16-17mm pour les CDS & CDSE )
Mickfreddy29

06/10/2018
15:00
re : Restauration carburateur CD 150
Oui ... C'est ce que j'ai essayé de dire lorsque j'ai écrit "hauteur des flotteurs ..18 mm"
J'aurais dû écrire "reglage de la hauteur des flotteurs .. 18 mm"
Mesure effectuée sur un carbu stock mk1 ...
Paul

06/10/2018
15:10
re : Restauration carburateur CD 150


Bon ça avance :-)
Paul

06/10/2018
15:10
re : Restauration carburateur CD 150


Le second.
Mickfreddy29

06/10/2018
15:14
re : Restauration carburateur CD 150
à‡a a l'air pas mal tout ça 👍
Paul

06/10/2018
15:27
re : Restauration carburateur CD 150
:-)

Bon il faut que je retrouve la rondelle du pointeau ^^
tommybolin

06/10/2018
15:39
re : Restauration carburateur CD 150
ah c'est beau quand c'est neuf ! :))
Paul

06/10/2018
15:59
re : Restauration carburateur CD 150


Voici ou j'en suis. Cela m'étonne qu'il n'y est pas de cal pour l'axe sur la droite (photo). Est ce normal? Du coup c'est le cercle qui évite que l'axe se balade ^^
tommybolin

06/10/2018
16:07
re : Restauration carburateur CD 150
je regarde! :)
Paul

06/10/2018
16:21
re : Restauration carburateur CD 150
Merci c'est gentil :)

Sur les schémas de canleyclassics je ne vois aucune pièces supplémentaires mais une confirmation est toujours la bien venue :)
tommybolin

06/10/2018
16:32
re : Restauration carburateur CD 150
je suis en débit limité... ça rame!! regarde ici si tu vois qque chose..
mais je ne pense pas de ce côté là  de l'axe, il me semble que c'est comme ça
(centré par le papillon et l'interco mais il faut qd-même centrer l'axe lors du montage du papillon) :)
http://www.flickr.com/photos/56411033@N04/sets/72157626665869885/
Paul

06/10/2018
16:36
re : Restauration carburateur CD 150
Merci :-)

Il faut passer un peu de papier abrasif sur le contour du cercle papillon laiton?
tommybolin

06/10/2018
16:45
re : Restauration carburateur CD 150
non surtout pas
Frédéric 2

06/10/2018
17:00
re : Restauration carburateur CD 150



Je confirme qu'il n'y a pas autre chose ...
Paul

06/10/2018
17:21
re : Restauration carburateur CD 150
Merci à  vous :)
Paul

06/10/2018
17:47
re : Restauration carburateur CD 150

Voilà  il ne reste que les cercles. La suite plus tard :-)
Tontongbx

06/10/2018
18:06
re : Restauration carburateur CD 150
Super, tu avances bien. ils seront comme neufs!

Et vu verras que tu ne le regretteras pas. J'ai fait 180 km jeudi avec la GT6 et a chaque sortie, je ne regrette pas mon changement de carbu...
Plus facile à  régler, des bougies bien brunes claires et plus de reprise.
Par contre, coté conso, un peu moins bien... Je dois encore valider mais on passe les 12l/100km. Mais quand on aime...
tommybolin

06/10/2018
18:16
re : Restauration carburateur CD 150

cool ! :) pense à  dévisser au maxi la vis de ralenti sur chaque carbu avant de faire le centrage des papillons (cercles)
les papillons devant fermer à  fond pdt l'opé de centrage

Paul, j'ai un doute.. il me semble que tes ressorts d'axes papillons ne sont pas correctement clipsés (l'arrêtoir doit venir plus haut sur la biellette (photo)
Pareil sur ta photo de 15H59 il semble y avoir pas mal de jour sur l'axe papillon à  gauche,
l'axe est-il dans le bons sens?? (sens droite/gauche) les filetages à  chaque extrémité de l'axe ont-ils la même longueur? et la distance entre chaque extrémité et le centre de l'axe (entre les 2 trous de fixation papillon) sont-elles identiques?
Mickfreddy29

06/10/2018
18:30
re : Restauration carburateur CD 150
Je viens de vérifier sur un de mes axes ... Il est symétrique
Par contre ... Il est vrais que sur la photo ... Il semble long ... Mais, d'un autre côté, si il etait plus court, il ne pourrait pas monter la pièce en extrémité ☹️
Mickfreddy29

06/10/2018
18:33
re : Restauration carburateur CD 150
Après, il y a peut être différents types d'axes ...
Pas assez de connaissances dans ces carbus ...
Frédéric 2

06/10/2018
18:46
re : Restauration carburateur CD 150


Voila ce que j'ai
Mickfreddy29

06/10/2018
18:58
re : Restauration carburateur CD 150
Au fait ... Frédéric 2 ... C'est moi ... Je ne sais pas pourquoi il change le nom 🤔
Revenons aux carbus ...
Lors du remontage, avec le jeux dans les trous de fixation du papillon, on peut "jouer" sur environ 2 mm dans la position de l'axe.
à‡a peu avoir une incidence ... Mais j'en doute
Paul

06/10/2018
19:21
re : Restauration carburateur CD 150
Petite question, je suis entrain de fixer les cercle laiton des papillons. Comment doivent-il être incliné exactement?
Mickfreddy29

06/10/2018
19:27
re : Restauration carburateur CD 150
Regarde la photo juste au dessus ...
Places les à  l'identique ... Petits "tétons" bien parallèles à  l'axe ...
Ils devraient se mettrent en place tout seuls
Ouvrir/fermer légèrement plusieur fois si il faut.
Une fois en position fermé, regarder à  travers le carbu vers une lumière vive ...
Tu ne dois pas voir de lumière ou tres peu et de façon homogène ...
tommybolin

06/10/2018
19:39
re : Restauration carburateur CD 150
pour les papillons : ils sont biseautés sur la tranche donc une seule position est valable
comme je t'avais indiqué + haut sur le fil, les 2 petits tétons emboutis (que l'on peut voir sur la photo de fred ci-dessus) doivent avoir le côté bombé visible (orienté coté bride) et ils doivent se trouver SOUS l'axe papillon
Pour procéder au centrage du papillon tes ressorts doivent être correctement accrochés.. :)
tommybolin

06/10/2018
19:42
re : Restauration carburateur CD 150
avant de centrer dévisse bien la vis de ralenti qui ne doit plus porter sur sa butée !! :)
Paul

06/10/2018
19:51
re : Restauration carburateur CD 150
Oui pour les tétons j'avais bien noté :)

Du coup j'ai dévissé la vis de réglage sur chaque carbus. les papillons se mettent en place jusqu'à  ce coincé. Je présume qu'il faut régler la vis de réglage pour éviter que le papillon ne coince? (sinon elle ne sert à  rien ^^)

Merci :)
Mickfreddy29

06/10/2018
20:00
re : Restauration carburateur CD 150
Qu'entends tu par "coincer" ?
tommybolin

06/10/2018
20:10
re : Restauration carburateur CD 150
oui pour le centrage puis le blocage des papillons, ceux-ci doivent se fermer complètement donc dévissage des vis de ralenti et procéder comme l'indique Fred à  savoir actionner la biellette plusieurs fois pour ouvrir fermer le papillon
si ça coince ils ne sont peut-être pas bien centrés donc poursuivre l'opé d'ouverture/fermeture (avec les 2 vis non serrés!)
Oui quand tes papillons seront enfin fixés, il faudra revisser la vis de ralenti
(pour aider au centrage tu peux insérer le papillon carbu retourné (cuve en haut) :)
Paul

06/10/2018
22:28
re : Restauration carburateur CD 150
Bon il y a forcément un peintre de lumière qui passe^^

Sinon je viens remarquer que le flotteur récupéré sur un vieux cd150 n'est en fait pas tout à  fait pareil. Le dessus est différents (mais pas grave) mais par contre il y a 1mm d'écart sur la longueur :-/
Paul

06/10/2018
22:29
re : Restauration carburateur CD 150

Photo
tommybolin

06/10/2018
23:26
re : Restauration carburateur CD 150
je ne pense pas qu'il y ait de problème ? :)
voir si le moulage du dessous du corps de carbu est identique sur les 2 carbus
La face sur la photo est celle venant contre le pointeau donc le réglage se fait sur l'autre face qui doit être identique sur les 2 flotteurs
A propos du niveau de cuve :
ce genre de jauge réalisée en carton peut aider à  faire un réglage précis.. :)
tommybolin

06/10/2018
23:28
re : Restauration carburateur CD 150

img
tommybolin

06/10/2018
23:30
re : Restauration carburateur CD 150
(la cote est pour un CDSE sur la photo)
Paul

06/10/2018
23:47
re : Restauration carburateur CD 150
BoNous je verrais^^ de toute façon il y a une petite tolérance?^^
Paul

06/10/2018
23:51
re : Restauration carburateur CD 150
Pour la grosse vis laiton, tu indique de la serrer à  fond avec de la vaseline puis de la dévisser d'un tour? Tu peux m'expliquer pourquoi? :-)
Paul

06/10/2018
23:55
re : Restauration carburateur CD 150


Il est normal que le gicleur ne soit pas forcément centré?
tommybolin

07/10/2018
00:15
re : Restauration carburateur CD 150
Pour la grosse vis: oui le fait de la laisser desserrée d'un tour à  partir du vissage à  fond permet au gicleur & à  son guide de pouvoir se déplacer librement latéralement (nécessaire lors de la mise en place du piston afin de ne pas contraindre l'aiguille)
Nécessaire aussi pour effectuer par la suite le réglage de centrage du gicleur, plus pratique à  réaliser carbus montés en place sur le moteur :)
Attention à  ne pas visser trop la vis de richesse pour le moment (juste engagée de 3 tours dans la grosse vis)
Paul

07/10/2018
00:16
re : Restauration carburateur CD 150

Arf il me manque cette pièce.. la rondelle d'en dessous c'est celle en laiton que j'ai mais l'autre ca doit être une rondelle alu.
Paul

07/10/2018
00:29
re : Restauration carburateur CD 150
Bon même avec la rondelle alu ca ne change pas grand chose^^ il y a trop de mou.
tommybolin

07/10/2018
00:32
re : Restauration carburateur CD 150
oui la rondelle qui vient directement en contact avec le corps du carbu n'est pas celle en laiton
il me semble de mémoire que c'est une rondelle fine en acier plutôt qu'en alu mais je ne peux confirmer (demain je peux regarder :)
parfois elle reste collée sur le corps...
Paul

07/10/2018
00:48
re : Restauration carburateur CD 150
Peut être en métal oui ^^ mais pas une trace de rouille^^

Merci si tu peux vérifier :) mais j'ai retrouvé celle que j'avais et effectivement il y a du mou.. donc ca doit être normal.

Je veux bien que tu m'en dises un peu plus sur la grosse vis en laiton et sur la vis de réglage. Pourquoi ne pas serrer à  fond la grosse vis?


Merci en tout cas :)
tommybolin

07/10/2018
00:59
re : Restauration carburateur CD 150
pour la grosse vis j'ai posté à  00.15
je vois ça demain.. bonne nuit ! :)
Paul

07/10/2018
01:24
re : Restauration carburateur CD 150
Bonne nuit ! :-)
Paul

07/10/2018
01:46
re : Restauration carburateur CD 150


Prêt pour la suite ! (Le flash fait son effet ^^)
tommybolin

07/10/2018
11:04
re : Restauration carburateur CD 150
bonjour Paul,
oui ça flashe! :)
bon en zoomant dessus.. il me semble que tes ressorts de papillon ne sont toujours pas à  la bonne place.. en conséquence tu dois avoir un rappel assez mou.. tu peux poster un gros plan stp :)
Paul

07/10/2018
11:34
re : Restauration carburateur CD 150


Carbu F
Paul

07/10/2018
11:36
re : Restauration carburateur CD 150


Carbu R
Paul

07/10/2018
11:37
re : Restauration carburateur CD 150
Bonjour :-)

à‡a va je trouve que ça ferme sans violence ^^
Paul

07/10/2018
11:47
re : Restauration carburateur CD 150
Mince je viens de me rappeler que tu disais de fermer la cuve avant de remettre le gros boulon laiton? C'est une obligation ou peu importe? (Car je trouve l'inverse plus simple ^^)
Paul

07/10/2018
12:00
re : Restauration carburateur CD 150
Je me suis également toujours posé la question si il était bien de régler les flotteurs carbu retourné. J'ai l'impression que ça fausse un peu.
tommybolin

07/10/2018
12:05
re : Restauration carburateur CD 150

Oui
je pense que tu n'as pas vu mon post de 18h16 hier :)
ils devraient être accrochés + haut sur la biellette..
Un autre truc qui m'est revenu en voyant les ressorts : gaffe à  ce que la partie resserrée du diamètre ne se pince pas entre la biellette & la butée du filetage sur l'axe au serrage de l'écrou.. car ça a tendance à  se produire et ça bride tout :)
(photo)
tommybolin

07/10/2018
12:32
re : Restauration carburateur CD 150
pour les flotteurs c'est la méthode usine de retourner le carbu, le pointeau doit être totalement fermé
tommybolin

07/10/2018
12:43
re : Restauration carburateur CD 150
pour la pose de la cuve non c'est pas une obligation, juste pense à  lubrifier le joint et sa portée au centre du couvercle de cuve lors de la pose :)
Paul

07/10/2018
13:03
re : Restauration carburateur CD 150
Bien vu pour les ressorts! Ils fallait bien les porter plus loin :-) je ne me ferais plus avoir :-)

Merci pour l'information pour la cuve et pour le flotteur réglage retourné :-)

Pour l'aiguille, j'ai bien compris qu'il fallait que sa base soit rasante avec le piston. Par contre, c'est juste la vis de réglage qui la tien en place??^^ ça n'est vraiment pas grand chose ^^

Je ne comprends pas non plus comment le centrage du gicleur ce fait une fois que tout est monté.. ^^


Merci :-)
tommybolin

07/10/2018
14:20
re : Restauration carburateur CD 150
la position de l'aiguille est fixe ; elle est bloquée en place par la vis latérale dans le piston (pas de souci c'est comme sur les SU & ça tient bien :) tu bloques bien mais sans forcer (c'est du petit filetage) et ça le fait

Pour le centrage perso l'idéal est de monter les carbus complets en place sur la voiture
tu t'assoies sur la roue et c'est nickel pour procéder au réglage :)
il faut déposer le bouchon amortisseur de la cloche sur chacun des carbus
donc on a :
-la grosse vis laiton desserrée d'un tour
-la petite vis laiton (de richesse) amorcée de 3 tours
Ensuite au doigt lever plusieurs fois le piston et le laisser retomber pour précentrer le gicleur
puis en maintenant avec une clé la grosse vis dans sa position, serrer la vis de richesse pour que le gicleur vienne juste à  ras du corps de carbu (le pont)
(il est préférable de maintenir le piston en position levé maxi pendant que tu visses la vis de richesse pour remonter le gicleur)
Quand le gicleur est bien à  ras du plancher(pont) de carbu mais pas au dessus! (vérif avec un petit réglet ou autre), tu laisses tomber le piston de son propre poids sur le pont de carbu et tu écoutes le bruit de butée qui doit être un "TOC" franc et plein.. il faut faire plusieurs tentatives pour obtenir le bon centrage
Si le gicleur n'est pas bien centré, le bruit de contact sera faible et pas bien net..
Perso ma technique pour cette opé est la suivante:
Avec le pouce ou l'index lever le piston à  fond de course plusieurs fois en une répétition rapide tout en rebloquant très doucement la grosse vis laiton
le "TOC" de contact va probablement varier d'intensité au serrage... donc redesserrer suffisamment la grosse vis pour permettre au gicleur de se recentrer et poursuivre l'opé..
Le but étant d'obtenir le bruit de contact le + plein & franc possible quand la grosse vis est serrée à  fond (juste bloquée mais sans forcer) :)
Dans ces conditions le gicleur est correctement centré
Ensuite à  partir de la position qu'il avait au ras du pont, tu dévisses la vis de richesse de 3 tours complets (c'est le réglage de base pour démarrer) :)



Paul

07/10/2018
14:32
re : Restauration carburateur CD 150
D'accord car l'aiguille peut être plus enfoncée dans le piston.

Pour le centrage j'ai centré en vissant là  vis de richesse mais le gicleur n'est pas libre. Je ne vois pas comment l'aiguille va pouvoir bouger ça :-/

La suite sera dans deux jours car je dois bouger pour le taf..
tommybolin

07/10/2018
14:38
re : Restauration carburateur CD 150
ouh! gaffe à  ne pas forcer... si le gicleur n'est pas libre il faut redesserrer plus la grosse vis laiton
Paul

07/10/2018
14:51
re : Restauration carburateur CD 150
OK donc il faut desserrer la grosse vis jusqu'à  rendre le gicleurs libre. Si je comprends bien.

Question bête, les deux trouver sous le piston sont bien côté moteur et pas côté filtre à  air? :-)

Merci.
tommybolin

07/10/2018
14:59
re : Restauration carburateur CD 150
non pas bête la question :))
oui les 2 trous à  la base du piston sont orientés côté moteur, mais tu ne peux pas te tromper, ce sont les ergots détrompeurs moulés sur le caoutchouc de la membrane qui déterminent la bonne orientation
Paul

07/10/2018
16:05
re : Restauration carburateur CD 150
Ah! :-)
Paul

07/10/2018
20:17
re : Restauration carburateur CD 150
Et du coup pour que je comprenne bien, tu libères le gicleurs puis tu descends le piston avec l'aiguille gentiment dans le gicleurs pour que les deux soient bien aligné et tu vis le boulons à  fond pour que le gicleurs ne bouge plus. Avec l'aiguille dedans ou non?

Merci :-)
tommybolin

07/10/2018
21:24
re : Restauration carburateur CD 150

oui la grosse vis "verrouille" juste le guide du gicleur sur le corps de carbu
Le manuel précise que la grosse vis doit être dévissée d'1 tour complet (attention pas un 1/2 tour !) mais si ça ne suffit pas à  libérer le gicleur, tu peux dévisser un peu plus.. mais en principe 1/2 tour supplémentaire devrait suffire à  libérer
Oui une fois le gicleur libéré, tu peux dans un premier temps laisser descendre doucement l'ensemble piston/aiguille pour précentrer l'ensemble mais il faut ensuite poursuivre l'opé de centrage comme je t'ai indiqué (grosse vis laiton pas serrée et le gicleur remonté juste à  ras du pont alu, laisser tomber le piston de son propre poids )
Oui tu serres doucement la grosse vis quand le piston est en bas contre le pont de carbu
L'intensité du "Toc" au moment où le piston contacte le pont te permet de déterminer si le piston grippe ou colle dans sa descente et donc de déterminer si le centrage est correct
Quand la grosse vis est bloquée, le piston doit être totalement libre dans son mouvement vertical, si ça coince même un poil, c'est pas bon !
Tu peux tester ton centrage en actionnant le petit poussoir de levage du piston prévu pour controler la richesse (photo)
Paul

07/10/2018
22:07
re : Restauration carburateur CD 150
Bon alors je verrais ça! ^^ :-)
tommybolin

07/10/2018
23:17
re : Restauration carburateur CD 150
pour illustrer le coup de patte.. :)
ici le carbu est un ancien modèle de SU donc différent mais l'opération de centrage est similaire
http://www.youtube.com/watch?v=sxVFCY_1aSA
qui sur l'aiguille

08/10/2018
00:07
re : Restauration carburateur CD 150
la première fois j'ai galéré comme un malade pendant des heures pour faire le centrage, et puis de plus , quand y a 2 carbus a faire......
.
ensuite j'ai compris qu'en enlevant le gicleur, la vis de réglage et le ressort, il me fallait 4 secondes pour centrer le canon sur l'aiguille et avoir un toc franc.
qui sur l'aiguille

08/10/2018
00:07
re : Restauration carburateur CD 150
la première fois j'ai galéré comme un malade pendant des heures pour faire le centrage, et puis de plus , quand y a 2 carbus a faire......
.
ensuite j'ai compris qu'en enlevant le gicleur, la vis de réglage et le ressort, il me fallait 4 secondes pour centrer le canon sur l'aiguille et avoir un toc franc.
Paul

08/10/2018
08:28
re : Restauration carburateur CD 150
Bonjour,

Toi tu as mis d'abord l'aiguillel'aiguille piston bas puis le gicleurs puis les vis laiton?
qui sur l'aiguille

08/10/2018
10:21
re : Restauration carburateur CD 150
aiguille piston en place, canon dans le fond du logement et vis de serrage.
juste avant de serrer on vérifie bien la liberté totale de translation du canon.
puis on rajoute le tout.
attention au ressort qui doit être avec une dernière spire usinée (surfacée) (fraisée) ;
dans mon kit j'avais un ressort avec dernière spire coupée brute, cela accroche au réglage et puis ce ressort se fout de travers.
c'est bien plus confortable pour regler sur la voiture
Paul

08/10/2018
18:22
re : Restauration carburateur CD 150
Bonjour,

Merci pour vos réponses. Pour le ressort, il n'y en avait pas dans le kit. à‡a doit être des originaux si les car bus n'ont pas servi depuis fin 70. Par contre j'ai pas souvenir qu'il y est un usinage particulier sans ces ressort ^^ mais ça tombe bien. Donc peut être que oui! Je regarderai :-)
Paul

10/10/2018
13:55
re : Restauration carburateur CD 150



Bonjour,

Les anciens carburateurs sont déposés. Il y a une sorte de mélange essence/huile. Je pense que c'est l'huile des cdse... ^^
Paul

10/10/2018
14:56
re : Restauration carburateur CD 150
Je ne remarque pas de trace évidente d'une prise d'air au niveau des joints.
tommybolin

10/10/2018
15:58
re : Restauration carburateur CD 150
Bonjour Paul,
-n'oublie pas de remplacer les cales thermiques visibles ici & les joints par les bons modèles sinon méga grosse prise d'air coté carbu! :((
gaffe aussi : il y a un joint papier de chaque côté de la cale à  enduire de pâte à  joint modérément sur les 2 faces..
- L'interco d'origine devrait faire le job.. (si la barre est assez longue)
cdlt :)
Paul

10/10/2018
18:24
re : Restauration carburateur CD 150
De la pâte à  joint en plus du papier? Que sur la cale?
Quel type de joint?

Merci.
tommybolin

10/10/2018
18:54
re : Restauration carburateur CD 150
oui en +, pas un cordon mais juste lissé au doigt recto verso sur les 2 joints papiers qui entourent chacune des cales (pour prévenir/supprimer les prises d'air éventuelles)
joint bleu ou autre ça le fait, pas de souci :)
Paul

10/10/2018
22:38
re : Restauration carburateur CD 150
Question sûrement bête mais pour mettre le joint papier dans ce cas?^^
tommybolin

10/10/2018
22:49
re : Restauration carburateur CD 150
désolé Paul, je n'ai pas compris ta question :)
Paul

10/10/2018
22:55
re : Restauration carburateur CD 150
Désolé.

Pourquoi ne pas juste mettre les cales thermique avec du joint moteur de chaque coté, et ne pas mettre les joints papier? :)

Pareil il faut du joint qui résiste à  l'essence? car je vois que ca n'est pas le cas des joints bleu connu. Et ce joint ne va pas baver à  l'intérieur?
tommybolin

10/10/2018
23:09
re : Restauration carburateur CD 150
les joints papier sont un montage d'origine; ils permettent de combler les irrégularités sur les portées et renforcent l'étanchéité
oui tu peux utiliser une autre pâte si tu préfères
il faut le lisser au max donc pas trop de souci pour l'intérieur :)
Paul

10/10/2018
23:36
re : Restauration carburateur CD 150
Du coup, il faut que j'utilise quand même les joints papier sur lesquels je vais mettre du joint moteur type bleu? et de chaque coté donc.
tommybolin

10/10/2018
23:53
re : Restauration carburateur CD 150
oui au recto & verso de chaque joint, bien dégraisser les surfaces alu avant
je parlais du joint bleu parce que c'est celui qui est le + courant mais tout type de pâte à  joint moteur fera l'affaire ici :)
Paul

11/10/2018
23:02
re : Restauration carburateur CD 150


Bonsoir,

Merci tommybolin :-)
Bon j'ai un peu avancé sur la tringlerie. Il me reste à  terminer les carbus, les poser sur le moteur avec la tringlerie et à  adapter/régler ^^
Paul

11/10/2018
23:15
re : Restauration carburateur CD 150
Par contre vous m'avez mis le doute sur les pistons de carbus. à‡a ne glisse pas comme dans du beurre comme je crois que ça doit être. Comme je l'ai compris. En même temps alu contre alu c'est plutôt normal.
tommybolin

11/10/2018
23:37
re : Restauration carburateur CD 150
Bonsoir Paul,
Si les gicleurs ne sont pas bien centrés, l'aiguille coince ou colle
Le piston ne frotte pas dans son alésage (il existe un espace autour), il est guidé par son tube acier qui sert aussi de réservoir d'huile
(le guidage se faisant avec la cloche, si celle-ci n'est pas encore fixée dans sa position d'origine au corps du carbu, il n'y a pas de guidage) :)
Paul

12/10/2018
13:24
re : Restauration carburateur CD 150


Bonjour,

Je remarque que les joints pour cales thermique fournis avec le kit de restauration sont trop petit!^^..

Sinon, les jointservices rimmer sont OK par contre je remarque que les cales sont un poile plus large (diamètre intérieur. Normal?

Merci :-)
tommybolin

12/10/2018
13:31
re : Restauration carburateur CD 150
bonjour Paul,
oui les cales ne paraissent pas bien adaptées...
attention les joints ne doivent pas être ceux des CDSE avec le décroché sur le dia intérieur
cdlt :)
Paul

12/10/2018
13:33
re : Restauration carburateur CD 150
Je viens de vérifier avec les cales gt6+ et une qu'il y avait sur les cd150 et c'est pareil. C'est pas des plus précis mdr ^^
Même bof ^^
Paul

12/10/2018
13:34
re : Restauration carburateur CD 150
Oui les joints sont ok^^
Tontongbx

12/10/2018
14:12
re : Restauration carburateur CD 150
Bonjour,

Idem, les joints avaient le même diamètre que les carbus et la pipe mais les cales thermiques étaient un poil plus large (3-4 mm de plus sur le diamètre). Pas de prise d'air mais une "marche dans la tubulure"... à‡a doit avoir un impact sur les performances mais je n'ai pas trouvé mieux.
Paul

12/10/2018
14:16
re : Restauration carburateur CD 150
Et c'est d'origine Tontongbx!! ^^
tommybolin

12/10/2018
15:54
re : Restauration carburateur CD 150
sur ta photo + haut du 10/10 à  13h55 ça parait mieux ajusté..
là  c'est décalé vers le bas & les entraxes des trous de goujons ne semblent pas identiques?
peut-être un truc SU adapté ? ou un effet de la photo :)
Et sans retourner la cale, en inversant sa position sur les goujons, c'est pareil?
Paul

12/10/2018
17:55
re : Restauration carburateur CD 150
Justement sur la photo du 10/10 c'est pareil. Les cales d'origine font 2/3 mm de plus comme le dit Tontongbx ^^

Idem avec la cale qu'il y avait sur un des carbus de dyngo.

Donc c'est étonnant. Je vais essayer une cale de su h4. Le diamètre sera impeccable ou à  légèrement agrandir et les trou de fixation à  écarter un peu. Je vous dirai :-) c'est étonnant que personne n'est remarqué ça ^^
tommybolin

12/10/2018
18:09
re : Restauration carburateur CD 150
oui ce que je voulais dire c'est que sur la photo du 10 même s'il y a une différence de diamètre, les alésages pipe/cale restent visiblement concentriques
Paul

15/10/2018
14:51
re : Restauration carburateur CD 150


Bonjour,

à‡a avance! J'ai posé les carbus avec une cale thermique d'SU H4. Un peu moins large et plus épais (1cm plutôt que 0,5). Sinon c'était juste juste niveau visserie à  cause du changement d'épaisseur.

Et c'est bien mieux niveau dimension. Presque parfait^^

J'ai bien serré les carbus. Il faut serrer fort ou pas trop? Si on veux que si jointe et que ça ne bouge pas en passant sur un ralentisseur..

Merci :-)
tommybolin

15/10/2018
16:06
re : Restauration carburateur CD 150
bonjour Paul,
il faut les serrer correctement.. mais modérément sinon les brides se voilent :(
Oui c'est nettement mieux avec ces cales sauf au niveau des trous de goujons où il semble y avoir pas mal de jour autour mais bon une fois centré & maintenu par la pâte à  joint c'est ok :)
Paul

15/10/2018
16:29
re : Restauration carburateur CD 150
Bonjour,

Qu'appelles tu "brides"? :-)



J'ai posé les carbus sans leurs pistons histoire de pouvoir ajuster les cales et joints par l'intérieur. Tranquillement^^

Par contre, j'ai posé les deux carbus sans la tringlerieet la ça se gate.. je commence à  regretter les cds.

La tringlerie cdse ne va pas du tout et j'ai l'impression que la tige de la tringlerie de starter ne va pas non plus.

Concernant les aiguilles, je n'ai pas serré le gris boulon laiton mais pas moyen d'avoir un "pok" comme il faudrait. De plus, sur un carbus le piston tombe sans aucune résistance et sur l'autre ça descend tranquillement (la tige de guidage est plus "vieux").
tommybolin

15/10/2018
18:15
re : Restauration carburateur CD 150
En principe il faut d'abord assembler sans rien serrer les interconnexions starter et papillons entre les 2 carbus, puis ensuite fixer tout l'ensemble sur la pipe.
Perso j'ai monté plusieurs CD sur MK2/3 et pas de souci au niveau du starter
Peux-tu nous poster qques photos afin de voir ce qui ne va pas?
Pour le centrage il faut que les pistons & cylindres soient dégraissés et juste lubrifier légèrement le tube guide en passer un poil d'huile fine autour..
Dévisse suffisamment la grosse vis laiton, et comme je t'avais indiqué lève le piston à  fond avec le pouce en une succession rapide..
Quand le bon "TOC" est présent, continue de lever rapidement le piston au doigt TOUT en commençant à  serrer doucement la grosse vis laiton de blocage gicleur
après qques tentatives tu devrais obtenir un réglage correct :)
Si l'état du guide est douteux,essaie avec le piston qui reste (l'étanchéité est réalisée par la membrane donc pas de souci)
(Les brides = les faces d'appui)
Paul

15/10/2018
19:08
re : Restauration carburateur CD 150
Bon allé je me re-saisi. Pour le starter c'est moi qui suis naz, j'ai pris la barre pour les papillon donc trop longue forcement.. donc finalement le starter est ok :)

Oui il y a un des pistons où son guide est un peu rouillé dedans. Pourtant coté piston c'est propre. Peut être nettoyer + coté couvercle?

Je vais faire une photo :)
Paul

15/10/2018
19:49
re : Restauration carburateur CD 150


Et voici :-)
tommybolin

15/10/2018
20:14
re : Restauration carburateur CD 150
Ben c'est tt beau!...ça m'a l'air plutôt pas mal sur ta photo :)
c'est quoi le souci avec l'interco CDSE? barre trop courte?
si le guide côté cloche est un peu oxydé tu peux enduire l'alésage et la portée extérieure du tube de piston de Miror et faire fonctionner les 2 ensemble jusqu'à  obtenir un glissement adéquat sans insister au delà  (les pièces ne devant pas prendre de jeu)
bien nettoyer le guide (Attention pas de white spirit ou solvent etc SI la membrane est en place... elle se détruit à  son contact)
Paul

15/10/2018
20:22
re : Restauration carburateur CD 150
Merci c'est gentil :-)

Oui l'interconnexion cdse est trop courte de chaque côté si on a ligne avec la tige (au mieux quoi^^).

En inversant les côtés, un côté peu être facilement OK. Mais c'est pas simple de rallonger comme ça car les éléments à  adapter sont complexes.

à‡a craint si j'utilise de l'étain à  cet endroit, proche du collecteur?

Encore merci :-)
tommybolin

15/10/2018
20:41
re : Restauration carburateur CD 150
-Si tu inverses les côtés de l'interco la biellette se retourne & la géométrie change
-oui l'étain pas évident
- solutions : soit dessouder la barre actuelle de la biellette & en installer une + longue (8mm en dia?)
-ou peut-être utiliser sur le carbu AV une partie de l'interco du CD avec le cardan jaune mais couper la barre (voir si le dia de la barre du CD et celui de l'embout sur l'axe papillon du carbu AR sont identiques de façon à  pouvoir y raccorder l'interco CDSE avec ses ressorts Z) ?
Paul

15/10/2018
21:07
re : Restauration carburateur CD 150
Bon alors j'annule l'étain^^

Les fixations Z ne vont pas sur les tubes de CD. Il n'y a pas de soudure mais que des pièces serrées les une sur les autres ^^

Bon je vais voir ce que je peux faire ^^
tommybolin

16/10/2018
13:21
re : Restauration carburateur CD 150
Bonjour Paul,
une petite remarque ccernant les cloches :
visiblement elles ont été passées à  la pâte à  polir =>
gaffe à  ce que le trou d'évent autour du bouchon ne soit pas colmaté par la pâte, sinon la chambre risque de rester en dépression et ça va perturber le fonctionnement du carbu
cdlt :)

Paul

16/10/2018
13:41
re : Restauration carburateur CD 150
Bonjour,

oui j'ai bien rincé et vérifié que cela n'était pas bouché^^ d'ailleurs je me demande comment de l'air peut passer alors que le bouchon vient devant l'évent. Il y a un trou dans le pas de vis du bouchon mais les deux ne sont pas alignés^^
Paul

17/10/2018
15:12
re : Restauration carburateur CD 150
Bonjour,

Bon ça y est j'ai finit mes adaptations!! C'est très propre j'en suis content. Je vous posterai une photo une fois fix :-)

Est ce qu'il y a une préco particulière pour solidariser la tringlerie aux carbus? Ou simplement solidariser les deux carbus en veillant que leurs positions initiale n'est pas changée?

Merci :-)

tommybolin

17/10/2018
17:39
re : Restauration carburateur CD 150

Bonjour Paul,
Oui il y a une procédure: il faut laisser l'interco des papillons de gaz bien desserrée (les Z) au niveau de chaque carbu
Ensuite il faut débloquer le contre-écrou de la vis de came starter (flèche photo) puis visser la vis assez loin pour bien dégager la tête de vis de la came (photo)
Ceci étant fait, desserrer complètement la vis de ralenti sur chaque carbu pour fermer totalement le papillon dans la buse
(vérifier sur le carbu AR que la came de starter dégage toujours la tête de vis)
-Ensuite visser chaque vis de ralenti jusqu'au point exact de contact avec le corps et visser d'1 tour supplémentaire
-Ensuite il faut introduire un foret d'1,5mm dans la partie haute de la lumière présente sur la biellette centrale de l'interco & en s'assurant que la biellette de renvoi(photo2) est contre sa butée, dans cette position, serrer l'interco sur les axes papillon puis retirer le foret..
Dévisser la vis de came starter (photo1) pour obtenir un jeu provisoire de 1,5mm entre la tête et la came
Il faut aussi synchroniser les barres de starter:
Actionner la came de starter sur le carbu AR de façon à  mettre la barre de starter juste en contact avec le dessous du piston (sans le lever)
Dans cette position faire de même en actionnant la biellette du carbu AV et serrer l'interconnexion des barres de starter
cdlt :)



tommybolin

17/10/2018
17:45
re : Restauration carburateur CD 150

photo 2 biellette de renvoi
Paul

17/10/2018
18:30
re : Restauration carburateur CD 150


Voici la tringlerie (presque parfait car la ligne des papillon entre les Z est presque bien droite^^)

Merci pour tes indications tommybolin :-) en fait il ne faut pas que là  ligne des papillons ne touche le starter via la vis de réglage?

Pour info, je n'ai pas déréglé le réglage du starter en nettoyant. Je ne l'ai pas deviser donc réglage usine sûrement. Et ce que cela se re règle facilement?


Merci :-)
tommybolin

17/10/2018
18:55
re : Restauration carburateur CD 150
ça semble parfait tt ça :) oui facile: quand tous les réglages carbus seront faits (synchro, richesse & ralenti), il suffit de rerégler l'espace came/tête de vis à  1,5mm.

Tu dis ne pas avoir touché à  cette vis (came starter) mais alors comment as-tu centré le papillon sur ce carbu? car en dévissant la vis de ralenti à  fond cette vis vient en principe buter contre la came et empêche le papillon de se fermer complètement dans le corps ??
Paul

17/10/2018
19:05
re : Restauration carburateur CD 150
Non non les vis (une par carbu) pour le ralenti, je les ai bien dévissé pour que les papillons puisse fermer complètement.

C'est la vis de starter que je n'ai pas touché (il y en a qu'une seul et que sur le carbu AR), celle que tu indiques en jaune sur tes photos précédentes :)
tommybolin

17/10/2018
19:36
re : Restauration carburateur CD 150
oui mais justement sur le carbu AR quand tu dévisses la vis de ralenti à  fond, le papillon ne suis pas totalement le mouvement car la vis de starter (raccordée à  l'axe papillon) vient buter dans la came empêchant la fermeture complète du papillon et ce même si la vis de ralenti est desserrée à  fond...
fais le test sur ton carbu AR : dévisse la vis de ralenti à  fond et regarde s'il y a toujours un espace entre came & tête de vis de starter
si les 2 sont en contact ça indique que ton papillon n'est pas fermé à  fond =>
pour confirmer, resserre la vis de starter et regarde en même temps si l'axe papillon finit sa course de fermeture
si c'est le cas , malheureusement ton papillon n'est pas centré correctement..
Paul

17/10/2018
20:01
re : Restauration carburateur CD 150
Bon, j'ai retiré mon carbu AR avant d'aller plus loin, retiré le papillon et remonté (avec nettoyage) :)
tommybolin

17/10/2018
20:24
re : Restauration carburateur CD 150
bien, ok c'est centré :)) (désolé Paul, mais si c'est pas centré en position fermeture complète, tu risques par ex d'avoir un ralenti à  1200 tours ou de "bouffer les coins" du papillon ou du corps )...

Au fait ça dit quoi ton centrage de gicleurs ?
Tu as réussi à  obtenir un bon glissement au niveau du guide de cloche? :)
Paul

17/10/2018
20:42
re : Restauration carburateur CD 150
Non non tu as bien raison j'ai fait une erreur de débutant. Je trouve que c'est un poil mieux en plus. Par contre je viens de remarquer que les ressorts peuvent tirer un peu vers la droite ou la gauche..^^

Comme c'est également le même carbu qui a son problème de guide^^ du coup je vais essayer de le nettoyer mieux (dérouiller +). La suite après :)

Je veux bien tes avis sur le ventilo également si tu le veux bien :)

Merci pour ton aide en tout cas, ca créé des échanges sympa :)
Paul

18/10/2018
15:17
re : Restauration carburateur CD 150
Bonjour,

je suis désolé mais je n'ai pas compris "introduire un foret d'1,5mm dans la partie haute de la lumière présente sur la biellette centrale de l'interco" :/

Sinon je n'arrive pas à  avoir le bon son avec les pistons.. les gicleurs son libre (enfin ils ne se balade pas, il faut y aller au doigt pour les bouger par ex).

Je vais essayer de trouver une vidéo pour entendre se son.
tommybolin

18/10/2018
16:13
re : Restauration carburateur CD 150

bonjour Paul,
foret à  placer dans la découpe ici entre ces 2 pièces (photo1)

Pour le centrage pistons:
les bouchons damper sont bien déposés?
les gicleurs sont-ils bien montés au niveau du pont de carbu?
Centrés correctement tu dois pouvoir lever les pistons en agissant sur la goupille(photo2)
ils doivent être absolument libres et doivent revenir par leur propre poids en butée sur le pont de carbu sans le moindre coincement (grosse vis laiton serrée)

tommybolin

18/10/2018
16:14
re : Restauration carburateur CD 150

goupille de levage
tommybolin

18/10/2018
16:58
re : Restauration carburateur CD 150
au début de cette vidéo on entend le fameux Toc.. :)
http://www.youtube.com/watch?v=T4kzFiy-v-c
Paul

18/10/2018
17:59
re : Restauration carburateur CD 150

Je pense que c'est un problème de gicleurs.. j'ai vissé le vus de richesse de 3 tours et la grosse vis à  fond puis dévissé d'un tour. Lesi gicleurs sont loin des pistons.. enfoncés dans la cuve.
tommybolin

18/10/2018
18:25
re : Restauration carburateur CD 150
non je ne pense pas, c'est plus un souci de procédure :)
Dépose la cloche & le piston
Débloque bien la grosse vis laiton d'1 tour 1/2
Visse la vis de richesse au maxi afin que le gicleur dépasse d'1mm au dessus du pont
Recentre visuellement le guide de gicleur dans le corps du carbu (qques légers coups de maillet sur la cuve peuvent aider au recentrage)
Repose le piston descend-le à  fond & refixe la cloche
Redévisse un poil la vis de richesse pour descendre le gicleur de niveau avec le pont puis renouvelle plusieurs fois l'opé de centrage avec le pouce (succession de levées rapides) tout en serrant doucement la vis laiton jusqu'au blocage

Paul

18/10/2018
18:54
re : Restauration carburateur CD 150
Haa!! et ben voilà ^^

Par contre désolé mais la suite sera la semaine prochaine. Je te tiens au courant! :)
Paul

18/10/2018
21:07
re : Restauration carburateur CD 150
Le forêt de 1,5 qui est pour caler la pièce ayant un peu de débattement si je comprends bien. Tu mets le forêt sur le haut ou le bas?

Merci :-)
tommybolin

18/10/2018
21:15
re : Restauration carburateur CD 150
Oui, en haut :)
Paul

19/10/2018
00:46
re : Restauration carburateur CD 150
Quand tu dis à  niveau avec le pont, c'est à  ras la zone plate sur lequel vient taper le piston? (Que l'on voit sur la photo)

Je ne devrais pas mettre le gicleur rasoir avec le pont avant de mettre le piston?

Merci,

Je te tiens au courant :-)
tommybolin

19/10/2018
16:13
re : Restauration carburateur CD 150
Bonjour Paul,
oui c'est ça c'est la partie plate
Tu visses la vis de richesse pour que le gicleur vienne juste un peu au dessus..
& grosse vis bien débloquée tu centres manuellement le gicleur et son guide dans le logement alu du carbu
Ensuite tu mets en place le piston tout en engageant l'aiguille dans l'orifice du gicleur et tu le pousses à  la main à  fond en contact contre le gicleur qui dépasse du pont
puis tu redévisses un peu la vis de richesse pour mettre le gicleur à  ras avec le pont, tu remontes et visses la cloche mais pas le bouchon, et tu peux commencer l'opé de centrage affiné (comme indiqué ,rapidement avec le doigt)
Dès que tu obtiens le bon "son", il faut continuer de lever le piston en successions rapides tout en commençant à  serrer la grosse vis de blocage
Si le son du TOC change.., c'est le gicleur qui bouge, se décentre un poil au serrage et vient coincer contre l'aiguille
donc il faut redonner du mou à  la grosse vis laiton et reprendre les levées avec le doigt..
Avec un peu de pratique tu vas y arriver :)

Paul

19/10/2018
19:27
re : Restauration carburateur CD 150
Merci pour ces explications :-)
Paul

22/10/2018
20:14
re : Restauration carburateur CD 150
Bonsoir,

Bon il n'y a pas moyen d'avoir ce son..
Si je visse à  fond la vis de richesse, avec la pression du ressort, ça rend le gicleur non déplacable même au doigt.
tommybolin

22/10/2018
20:33
re : Restauration carburateur CD 150
Bonsoir Paul,
vis de richesse serrée au max le gicleur dépasse beaucoup du pont?
tommybolin

22/10/2018
20:38
re : Restauration carburateur CD 150
Bonsoir Paul,
vis de richesse serrée au max le gicleur dépasse beaucoup du pont?
Paul

22/10/2018
20:42
re : Restauration carburateur CD 150
Sur un ça ne dépasse pas (pas normal) et sur l'autre un peu (que j'ai rabaissé au niveau du pont voir un pool moins).
tommybolin

22/10/2018
20:58
re : Restauration carburateur CD 150
tu lèves le piston au doigt d'un mouvement TRàˆS rapide?
si c'est pas assez rapide = pas assez d'inertie pour bien recentrer le gicleur
Perso ça a toujours fonctionné, sinon essaie la technique indiquée par Qui çà d en retirant temporairement le ressort :)
Paul

22/10/2018
21:07
re : Restauration carburateur CD 150
Mais j'enlève le ressort du gicleurs pour centrer, je vais tout dérégler pour le remettre non?^^
tommybolin

22/10/2018
22:05
re : Restauration carburateur CD 150
Non, c'est à  tenter, le centrage & blocage de la grosse vis laiton s'effectue en fait sur le guide du gicleur, le gicleur restant libre de coulisser au centre
tommybolin

22/10/2018
23:55
re : Restauration carburateur CD 150
pour la repose : vis laiton bloquée, en déposant seulement la vis de richesse il est peut-être possible de faire passer le gicleur et son ressort ?
qui

23/10/2018
10:17
re : Restauration carburateur CD 150
oui
Paul

23/10/2018
11:33
re : Restauration carburateur CD 150
Bonjour,

merci à  vous je vais tester ca :) j'espère que l'aiguille ne s'abîme pas trop vite avec les essais.. ^^
Paul

23/10/2018
17:52
re : Restauration carburateur CD 150
Bonjour,

bon je suis décidément nul pour le centrage parfait.. Pas moyen d'avoir LE son. Le piston descend bien mais je n'ai pas LE son..

J'ai écouté le son que font mes ancien CDSE et ca n'est pas métallique, comme si il y avait un coussin d'air^^

Les CD150 n'est pas l'aiguille qui coince, le piston descend mais ca fait un bruit d'un morceau d'alu qui tombe contre un autre^^
tommybolin

23/10/2018
18:13
re : Restauration carburateur CD 150
Si le piston tombe direct sans temps mort avec un "Toc" métallique sans coller au relevage... bah c'est bon! :)
Pour contrôler ton centrage (vis laiton serrée), actionne la petite goupille de levage sous la cloche : si tu obtiens le même résultat (bruit & chute franche) qu'en levant le piston au doigt.. alors c'est ok :)
Sur tes CDSE, les pistons sont probablement gras ou encrassés ce qui explique l'effet coussin d'air
Paul

23/10/2018
18:39
re : Restauration carburateur CD 150
D'accord!^^ alors ca fait un moment que c'est ok..^^ rien de compliqué^^

Disons juste que ca fait un bruit métallique avec un truc qui vibre dans le carbu (ressort?) et c'est pas le beau "toc" en douceur que j'imaginais...^^

Sinon pour info, je ne peux pas retirer le gicleur et son ressort juste en enlevant la vis de richesse, ca ne passe pas.

Merci :)
Paul

23/10/2018
18:39
re : Restauration carburateur CD 150
D'accord!^^ alors ca fait un moment que c'est ok..^^ rien de compliqué^^

Disons juste que ca fait un bruit métallique avec un truc qui vibre dans le carbu (ressort?) et c'est pas le beau "toc" en douceur que j'imaginais...^^

Sinon pour info, je ne peux pas retirer le gicleur et son ressort juste en enlevant la vis de richesse, ca ne passe pas.

Merci :)
Paul

23/10/2018
18:46
re : Restauration carburateur CD 150
Estce qu'il est normal que la pièce autour du gicleur (qui tien le joint torique) ne monte pas à  ras le pont?
tommybolin

23/10/2018
18:53
re : Restauration carburateur CD 150
Ah oui, la descente en douceur indique que qque chose colle, donc c'est pas bon... :))
Ok.. donc tu es bon pour un énième centrage.. :)
(il faut absolument que les gicleurs soient montés au niveau du pont, pas en deçà )
Paul

23/10/2018
20:15
re : Restauration carburateur CD 150
Ca parait bon alors :)

Par contre, oui les gicleurs ne sont pas plus haut que le pont. D'ailleurs, j'ai descendu le gicleur au fur et à  mesure que je visai le gros boulon laiton (car forcement ca remonté également le gicleur^^).

Par contre, c'est la sorte de grosse rondelle laiton dans lequel on met le joint torique pour le gicleur qui ne remonte pas à  ras le pont. Je ne sais pas si c'est normal mais sur les deux carbus c'est pareil.
tommybolin

23/10/2018
20:26
re : Restauration carburateur CD 150
oui c'est normal, seul le gicleur doit être à  ras pour le centrage
Ben si c'est ok reste plus qu'à  dévisser les vis de richesse de 3 tours comme réglage de base, visser les vis de ralenti à  1 tour/1 tour 1/2 si ce n'est déjà  fait, et ensuite régler l'espace sur la vis de came de starter à  1,5mm...
et pi un bon coup de levier de pompe pour amorcer les cuves, un coup de starter et ça démarre! :))
tommybolin

23/10/2018
20:37
re : Restauration carburateur CD 150
avant... pas oublier de mettre de l'huile moteur dans les tubes des dashpots (niveau à  environ 6mm du bord du tube)
Paul

23/10/2018
20:39
re : Restauration carburateur CD 150
Tu es optimiste ^^ :)

Il me reste la tringlerie à  régler, l'arriver d'essence à  rectifier, le nouveau câble simple de starter à  brancher, etc :)

J'espère aussi que ca va démarrer comme ca!!^^

Sinon tu m'avais indiqué qu'il ne fallait pas de jeu sur l'axe des papillons et en regardant de nouveau, il est vrai que le premier carbu en a un peu :/
tommybolin

23/10/2018
21:02
re : Restauration carburateur CD 150
on peut sentir un soupçon de jeu au niveau des axes mais pas plus..
(oui ça peux démarrer comme ça... il faut aussi reconnecter le tuyau de la capsule de l'allumeur au carbu AV.. )
Paul

23/10/2018
22:23
re : Restauration carburateur CD 150
C'est quand même un sacré défaut sur ces premier modèles. C'est étonnant qu'il n'y est pas de joint ou une rondelle, etc.

C'est branché le tuyau de la capsule av :)
tommybolin

24/10/2018
13:19
re : Restauration carburateur CD 150
Bonjour Paul,
c'est un montage courant,
sur la plupart des carbus il n'y a pas de joint au niveau des axes
Les CD/CDS & SU HS sont montés ainsi..
Pas de souci avec ça.. mais si le jeu devient excessif, il faut monter des bagues sur les paliers après usinage en ligne des alésages
cdlt :)
Paul

24/10/2018
14:46
re : Restauration carburateur CD 150
Bonjour tommybolin.

Je suis à  deux doigts de tomber les deux carbus, retirer les axes des papillons et mettre les bagues fournis dans le kit. D'ailleurs c'est peut être pour ca qu'il y en avait?

C'est casi obligé que de l'air entre par là ..
tommybolin

24/10/2018
16:06
re : Restauration carburateur CD 150
Tu ressens très clairement les butées en déplaçant l'axe verticalement papillon ouvert ? ou simplement un vague jeu indéfini ?..
Il est normal qu'un jeu minima soit présent puisque l'axe fonctionne en rotation dans le corps, sans jeu ça grippe. Après reste à  l'évaluer..
Dans le kit ce sont des joints spi, et il n'y a apparemment pas de logement prévu pour leur installation sans usiner & modifier
Moi je parlais de la surface des paliers (coussinets) :)
Paul

24/10/2018
16:26
re : Restauration carburateur CD 150
Je ne sais pas ce que tu appels les butées :/ La buté qu'il y a sur chaque carbu, qui entre en contact avec l'axe quand le papillon est levé à  fond? Si c'est ca, je n'ai rien remarqué de spécial^^ Ca bloque^^

Papillons ouverts ou fermés, il y a un même jeu sur les axes (haut/bas ou gauche/droite). Peut être un poil plus sur le carbus de l'avant que sur celui de l'arrière (pourtant celui de l'arrière est plus sollicité par l'accélérateur sur le montage d'origine).

Après Dyngo nous a indiqué que ces carbus proviennent d'une Triumph qui a brûlée à  la fin des années 70. Donc il y a de forte chance qu'ils n'aient pas beaucoup servi... donc pas bien usé (théoriquement bien sur).

D'ailleurs j'espère que ca n'était pas à  cause de ces carbus ! ^^
tommybolin

24/10/2018
16:56
re : Restauration carburateur CD 150
les "butées" = pour définir les limites dans le corps du jeu diamétral de l'axe

Paul

24/10/2018
19:58
re : Restauration carburateur CD 150
Bon on va dire que c'est bon^^
Paul

25/10/2018
00:03
re : Restauration carburateur CD 150
Quand tu disais de mettre un foret de 1,5mm dans la tringlerie pour le réglage des carbus, c'est pour complètement supprimer le jeu qu'il y a à  cause de cette découpe ou c'est pour centrer la pièce dans la découpe? :)

D'ailleurs à  qui sert cette découpe? :)

Merci beaucoup :)
tommybolin

25/10/2018
13:14
re : Restauration carburateur CD 150
bonjour Paul,
la lumière c'est sans doute pour éviter un supplément de contraintes (cause biellettes multiples de la platine relais) sur les axes papillon en position repos

Non le forêt est juste là  pour permettre un certain jeu entre ces 2 pièces en position repos toujours dans l'idée de soulager les axes carbus :)
(La biellette de renvoi en forme de "L" sur la plaque noire doit par contre se trouver contre sa butée de repos lors du réglage)
Paul

25/10/2018
13:57
re : Restauration carburateur CD 150
Bonjour,

d'accord je comprend mieux :)
Paul

07/11/2018
12:20
re : Restauration carburateur CD 150
Bonjour,

bon, un des carbus à  trop de jeu sur son axe des papillons.. du coup je pense déposer le voir les carbus et mettre deux canons de perçage de chaque coté.

Qu'en pensez-vous? Comment faites-vous avec vos carbus?

Merci :)
Paul

07/11/2018
13:06
re : Restauration carburateur CD 150
J'ai trouvé ca : http://www.jamespaddock.co.uk/throttle-spindle-bush-cd-150-7mmnb-requires-pressing-in-and-line-reaming-3

Je pense que je vais en commander pour tester.
Paul

07/11/2018
13:47
re : Restauration carburateur CD 150
J'en ai commandé 6 (2 pour test). Reste à  voir comment les poser.
En mode maillet mais risque de fissurer l'alu? + pas évident d'être bin dans l'axe.

Sinon perser un peu plus large et fixer à  la loctite 648 par exemple? Cela permet d'insérer l'axe de papillon puis de coller les "douilles" 7mm.

Merci :)
spiterman *

07/11/2018
15:20
re : Restauration carburateur CD 150
Bonjour Paul,

pour réparer mes carbus 150CDs, j'ai utiliser ce genre de douilles, voir fil
http://www.amicalespitfire.fr/cyberspit/index.php?lecture=287037&debut=0&recherche=+GT6MK2+JPC+%3A+Moteur&rt=sg&page=1#287037
à  partir du 23/09 à  9h58 pour l'opération de centrage

Les douilles étant trop courtes, j'ai du ôter leur épaulement et même un peu plus. on ne le voit pas à  la commande, mais les douilles sont creuses, prévoir joints ou cales comme je l'ai fait

ensuite j'ai amélioré leur étanchéité par rapport aux papillons

voir ce fil : 25/03 à  0h09

http://www.amicalespitfire.fr/cyberspit/index.php?lecture=294422&debut=0&recherche=GT6MK2+JPC+%3A+&rt=sg&page=1#294422
Paul

07/11/2018
17:10
re : Restauration carburateur CD 150
Merci beaucoup!

Par contre, j'ai plusieurs fois lu sur des forums anglais que la douille ne devait surtout pas aller jusqu'au papillon. Mais toi c'est ce que tu as à  fait? Pas de problème?

Merci :)
spiterman *

07/11/2018
17:30
re : Restauration carburateur CD 150
en effet il faut comprendre qu'il ne doit pas risquer de toucher le papillon, sinon risque de blocage mai l'en approché au plus prés pour éviter un pont d'aspiration autour des papillons

En approchant au plus près, je leur ai donné la forme arrondi des carbus mais encore une fois comme il sont trop courts j'ai dû entaillé dans les carbus, peut-être envisager une solution pour les rallonger et éviter de tailler les carbus
tommybolin

07/11/2018
18:56
re : Restauration carburateur CD 150
bonsoir,
Paul, tu peux aussi utiliser un alésoir comme cutter & guide, comme illustré sur cette vidéo,
la tige lisse devant faire 7mm & la partie coupante correspondant au dia extérieur de la bague (idéalement avec qques menus centièmes de serrage mais c'est pas toujours possible)
La technique illustrée permet d'aléser les logements des bagues tout en laissant plusieurs mm de matière intacte aux abords du papillon (éventuellement raccourcir la bague sans oublier de lui refaire un petit chanfrein à  la lime pour guider l'entrée)
Pour le montage des bagues éviter le marteau/maillet comme sur la vidéo... mais plutôt utiliser une vis au dia de l'axe (7mm) avec rondelles & écrous pour pousser les bagues en position dans le corps tout en conservant un alignement parfait :) (alternativement porter au rectifieur du coin pour l'usinage)
http://www.youtube.com/watch?v=buwnm0lvGp8
Paul

07/11/2018
19:24
re : Restauration carburateur CD 150
Bonsoir,

merci pour vos réponses :)
Oui je pensais utiliser un alésoir après avoir vu pas mal de vidéo. Ca me semble simple, assez précis et efficace. Le plus dur c'est de trouver l'alésoir :/

Il en faut un avec une longue lige lisse et qui soit coupant dans les deux sens.
Paul

07/11/2018
20:17
re : Restauration carburateur CD 150
Par contre si un alésoir coûte 60 euros, ca peut être l'occasion d'investir dans une machine^^
Paul

08/11/2018
11:43
re : Restauration carburateur CD 150
Bonjour,

Si jamais vous avec un tuyau sur des alésoirs avec longue tige lisse n'hésitez pas :)
Tontongbx

08/11/2018
13:23
re : Restauration carburateur CD 150
Bonjour Paul,

Au moment où je regardais pour mes carbus, j'avais trouvé cette adresse, aux USA.

Il l'a l'air d'avoir ce qu'il te faut.

http://joecurto.com/piloted-reamers
Paul

08/11/2018
18:11
re : Restauration carburateur CD 150
Merci :)
Paul

19/11/2018
11:46
re : Restauration carburateur CD 150


Bonjour,

Bon alors, pour vous tenir au courant, j'ai bien reçus les pièces. J'ai ajouté aux passage d'axe pavillon les joints circulaire type cdse, etc. Aucun passage d'aire possible. J'espère que c'était une bonne idée car les joints neuf ont tendances a freiner la rotation (forcément).

Sinon pour l'alésoir, impossible d'en trouver aux dimension souhaité. Donc je vais aller chez un rectifieur.

Voilà  :)
tommybolin

19/11/2018
23:13
re : Restauration carburateur CD 150
Bonsoir Paul,
les joints sont en principe prévus pour être montés dans ces logements
il y a plusieurs modèles.. c'est un spi unique ou en 2 parties comme sur cette photo?
il me semble que le capot métal est monté à  l'envers...
et si le joint est trop comprimé ça risque de serrer excessivement sur l'axe
Si l'ensemble est en 2 parties, orienter le joint (V) de façon à  ce que la dépression présente au niveau du palier vienne plaquer la lèvre contre l'axe (donc pointe du V vers l'extérieur) cdlt :)
Paul

19/11/2018
23:26
re : Restauration carburateur CD 150
Bonsoir,

Oui c'est comme ton image. Ca ce monte dans l'autre sens!!? :(

à‡a me semblait logique pour pas que le joint parte.
tommybolin

19/11/2018
23:44
re : Restauration carburateur CD 150

oui la partie plane du joint coté carbu et la coupelle orientée dans l'autre sens mais bon... c'est pas trop grave non plus :)
Paul

20/11/2018
00:14
re : Restauration carburateur CD 150
Bon j'ai passé commande de 4 nouveau joints pour les mettre dans le bon sens. Car ça n'est pas enlevable sans dégâts et je souhaite faire les choses bien. à‡a doit être comme sur tas photo ou non du coup?

Merci :)
tommybolin

21/11/2018
19:02
re : Restauration carburateur CD 150

Bonsoir Paul,
oui comme sur la seconde photo & ici, sans les presser à  fond..
De pref à  installer au final après la pose et l'ajustage des bagues sur le corps de carbu
cdlt :)
Paul

21/11/2018
19:42
re : Restauration carburateur CD 150
Bonsoir,

merci beaucoup ! :)
Paul

26/11/2018
21:23
re : Restauration carburateur CD 150
Bonsoir,

Bon l'alésoir a été rectifié. Je l'aurai dans la semaine.

Par contre, rien a voir, je me suis rendu compte en remontant le calorstat qu'il y avait une fine couche couleur rouille (plutôt normale) mais ce qui m'inquiète c'est que c'est un peu huileux.. à‡a fait 3 semaines que c'est ouvert donc il n'y a plus d'humidité.
Donc cet aspect huileux m'inquiète...

Rien ne m'a choqué quand j'ai enlevé l'eau (qui a fait 20 kilomètres..).

J'espère ne pas avoir un joint de culasse a faire..
Paul

09/12/2018
18:06
re : Restauration carburateur CD 150
Bonjour,

J'ai avancé sur mes carbus et je vais pouvoir les monter.

Petite question, vous m'avez indiqué qu'il était préférable de mettre du joint silicone de chaque côté de chaque joint papier entre les carbus et le moteur.

Pourquoi dance ce cas ne pas mette que du joint silicone? Sans papier.

Merci :)
tommybolin

09/12/2018
18:51
re : Restauration carburateur CD 150
Bonsoir Paul,
les joints fibre (papier plutôt épais) installés d'origine de chaque côté des cales thermiques permettent de mieux absorber les inégalités de surface & les légères distorsions présentes sur les portées carbus/pipe.. = > limite la formation d'éventuelles prises d'air
cdlt :)
(Tu as bien refait tes centrages de papillon/corps avant de tout remonter ?) :)
jéjé

10/12/2018
17:45
re : Restauration carburateur CD 150
Bonjour,

alors pourquoi mettre du silicone par dessus le papier dans ce cas? ^^

Oui j'ai bien refait mes centrages :)

Merci! :)
jéjé

10/12/2018
17:47
re : Restauration carburateur CD 150
oups, c'est bien Paul qui a écrit au dessus :)
Mon ami Gérard a utilisé mon portable entre temps pour poster..^^
Paul

10/12/2018
17:48
re : Restauration carburateur CD 150
Bon je ne plus poster avec mon prénom... (test)
tommybolin

10/12/2018
23:37
re : Restauration carburateur CD 150
bonsoir Paul,
Un peu de pâte bien lissée c'est une sécurité supplémentaire contre les prises d'air à  l'admission :)
Paul

11/12/2018
12:45
re : Restauration carburateur CD 150
Bonjour,

Bon j'ai essayé et près avoir bien serré mes carbus je me suis rendu compte que ça avait éjecté le silicone dans l'admission... Donc redémontage.

Je pense que bien serré, les joints papiers doivent suffire :) sans vouloir te contredire :)
tommybolin

11/12/2018
13:09
re : Restauration carburateur CD 150
Bonjour Paul,
C 'est comme tu le sens :) mais avec une couche de pâte très fine, bien lissée et concentrée sur le pourtour extérieur, normalement ça déborde peu :)
Serrer correctement oui mais pas trop non plus au risque de voiler les brides....
Paul

11/12/2018
16:37
re : Restauration carburateur CD 150
Ah oui moi j'en ai mis sur toute la surface^^
Paul

11/12/2018
22:17
re : Restauration carburateur CD 150
Bonjour,

Je voulais avoir votre avis sur un point.
Pour chaque carbu, j'ai du légèrement dévisser un des deux goujons pour pouvoir garder la tringlerie gt6+.

Pour éviter que les deux goujons ne bouges pas, j'ai de la loctite 243.

Est-ce qu'il y a un moyen plus "mécanique" ? Genre un coup de tournevis a la jointure goujon/tringlerie?

Merci :)
tommybolin

12/12/2018
10:06
re : Restauration carburateur CD 150
Bonjour Paul,
La Loctite c'est nickel si tout est soigneusement dégraissé et ça n'abime rien :)
ce n'est pas toujours le cas du freinage mécanique.. (coup de pointeau/matage radial des filets etc..) surtout ici lorsque les trous taraudés sont en alu..
cdlt :)
Paul

15/12/2018
23:20
re : Restauration carburateur CD 150
Bonsoir,

CA Y EST CA DEMARRRREEE!!!!!

Enfin, ca "démarre". Quelques remarques :

- Ca démarre sans starter et ca ne fait que de tousser un coup de temps en temps avec le starter (ne démarre pas). Ca ressemble à  un mélange bien trop riche?
- Les deux carbus semblent bien synchro et les deux diffusent bien de l'essence. TOP!
-Ca sort blanc de l'échappement (ce qui n'arrivait pas avant). Mélange trop riche?
- La pédale d'accélérateur est mystérieusement enfoncé. A peine je touche l'accélérateur que la pédale est au fond. ^^


Merci beaucoup! :)
tommybolin

16/12/2018
00:25
re : Restauration carburateur CD 150
Bonsoir Paul,
Super! à‡a tourne.. :)
- bien possible, revisse d'1/2 tour (voire d'1 tour) chaque vis de richesse déjà  comme base..
puis faire chauffer le moteur pour régler (en s'aidant de la goupille de levage pour le contrôle)
- oui possible un mélange condensation/huile/graisse d'assemblage des gicleurs + trop de richesse ccernant la fumée
- ressort(s) de rappel bien en place? y compris celui fixé sur le chassis? ou interconnexions mal serrées? ou tringlerie à  rerégler (angle de certaines biellettes)?
cdlt :)
Paul

16/12/2018
00:35
re : Restauration carburateur CD 150
Merci pour ta réponse :)

D'accord je vais revisser :) c'est bizarre ou non comme réaction du réglage par défaut? Ou alors c'est parce que les carbus n'ont assez de fuite d'air!! ^^

J'espère que c'est ca pour la fumée blanche :)

Pour les ressorts, je n'en ai qu'un (que j'ai retendu un peu car trop mou). Le fait de n'avoir qu'un seul ressort est bien normal sur une GT6+?
tommybolin

16/12/2018
00:58
re : Restauration carburateur CD 150
Le réglage par défaut est approximatif et juste prévu pour pouvoir démarrer..
Voir aussi si l'essence ne coule pas par les buses?
Les ressorts des axes papillon reviennent bien?
As-tu lubrifié (huile fine ou spray silicone) l'ensemble des articulations, biellettes & ressorts de la tringlerie y compris carbus? à‡a peut aider.. :)
Ccernant le ressort je crois que c'est un seul.. mais sans confirmer

Paul

16/12/2018
01:11
re : Restauration carburateur CD 150
Ca sentait un peu l'essence.. mais je n'ai pas vu d'essence coller de la buse / gicleur. Avec une lampe, j'ai regardé la vaporisation de l'essence et elle semblé ok sur les 2 carbus.

Si l'essence coule par les buses (je suis désolé je ne suis pas sur de comprendre), alors ca serait un problème de pointeau/flotteur et il y aurait une flaque d'essence au niveau des papillons?

Ressort de papillons ok mais non graissé. Pourquoi pas de la graisse blanche?

Les axes de la tringlerie GT6+ ont été graissé au remontage (après peinture HT).

Pour la pédale je pense avoir trouvé (en réfléchissant un peu^^). De mémoire j'ai du monté la tige de réglage de la tringlerie que j'ai eu avec les carbus plutôt que de remonter celui d'origine. Avec un peu de chance je vais voir que la tige GT6 MK1(voir MK2) sont plus longue que celle de la version US^^ A voir demain.

Bonne nuit :)
tommybolin

16/12/2018
11:54
re : Restauration carburateur CD 150
Bonjour Paul,
Oui déjà  régler synchro, richesse & ralenti moteur en température (puis seulement ensuite, au final, la vis de came de starter)

Si c'est toujours bien trop riche, oui peut-être voir pour réajuster un peu les niveaux de cuve

Tu peux graisser les axes/ressorts mais ça pénètre moins & retiens + les poussières :)
Paul

16/12/2018
15:59
re : Restauration carburateur CD 150
Bon alors,

le problème de pédale d'accélérateur est réglé. D'ailleurs comme doit la affiner le réglage de l'accélérateur par rapport aux butées axes papillons sur les carbus? (je suppose que ca doit être juste avant contact des butées pédale enfoncée à  fond).

Sinon, un tour en plus de richesse et ca ne change rien. Le moteur "démarre" sans starter. Il n'y a pas de fumée blanche au démarrage par contre après 1 min il y en a. J'ai regardé dans les carbus et il y a une marre d'essence au niveau des papillons..
Paul

16/12/2018
16:03
re : Restauration carburateur CD 150
Bon alors,

le problème de pédale d'accélérateur est réglé. D'ailleurs comme doit-on affiner le réglage de l'accélérateur par rapport aux butées des axes papillons sur les carbus? (je suppose que pédale enfoncée à  fond, ca ne doit pas toucher les butées carbus).

Sinon, un tour en plus de richesse et ca ne change rien. Le moteur "démarre" sans starter. Il n'y a pas de fumée blanche au démarrage par contre après 1 min il y en a. J'ai regardé dans les carbus et il y a une marre d'essence au niveau des papillons..
tommybolin

16/12/2018
16:44
re : Restauration carburateur CD 150
oui c'est ça,
régler la butée sous la pédale pour qu'en position pédale au plancher, les 2 stops sur les biellettes d'axes papillons ne viennent pas tt à  fait en contact avec le corps du carbu mais laissent un poil de jeu..

-Tapoter un peu avec le manche d'un tournevis sur le coté des cuves et retenter Sinon revoir le niveau de cuve (augmenter la distance flotteur/plan de joint à  19mm)
tu l'as mesuré en t'aidant d'un outil précis (pige/gabarit) fabriqué en carton ou un peu au jugé avec un réglet ? (+ fiable avec un gabarit)
-Sinon le gros écrou laiton sous le carbu est-il serré en contact ? (serré mollo)
-Autre possibilité à  explorer: les joints papier de cuve "débordent" un peu à  l'intérieur & entravent le mouvement des flotteurs
-Les conduits de mise à  l'air des cuves sont bien dégagés, tu peux souffler dedans? (tube laiton serti sur la face AV)
cdlt :)
Paul

16/12/2018
16:49
re : Restauration carburateur CD 150
D'accord :)

J'ai réglé les flotteurs au pied à  coulisse :/
tommybolin

16/12/2018
17:02
re : Restauration carburateur CD 150
le pied à  coulisse ça peut peut-être le faire mais il n'y a pas bcp d'assise.. il faut être sûr d'être bien positionné d'équerre par rapport au plan de joint ...
Les Stromberg sont sensibles au réglage du niveau de cuve..donc ne pas hésiter à  pinailler sur le réglage :)
Paul

16/12/2018
20:14
re : Restauration carburateur CD 150
Il se passe quoi si le flotteur est un peu trop bas?
tommybolin

16/12/2018
20:50
re : Restauration carburateur CD 150
Si le flotteur est trop bas, c'est l'inverse qui se produit : richesse trop pauvre, hésitation, coupures..
Paul

16/12/2018
23:08
re : Restauration carburateur CD 150
Bon je vais faire une cale à  18mm :)
Paul

17/12/2018
15:53
re : Restauration carburateur CD 150
Je viens de regarder le niveau des flotteurs avec la cale de 18mm et je découvre que les flotteurs sont plus autour de 19mm que moins de 18..

A noter qu'il y a souvent un flotteur un peu plus haut que l'autre^^ (sur une paire)
Paul

17/12/2018
16:20
re : Restauration carburateur CD 150
Sinon, les conduits de mise à  l'air sont ok et RAS pour les joints papier.
Les gros boulon laiton son bien serré.
tommybolin

17/12/2018
16:34
re : Restauration carburateur CD 150
Bonjour Paul,
-Les flotteurs sont bien libres dans leur mouvement ?
(autour de leur axe & par rapport à  la cavité du corps de carbu)
-en déconnectant le tuyau d'alim essence sur chaque carbu & en soufflant dans le raccord, aucun air ne passe quand tu amènes la languette de contact en poussée contre le pointeau ?
Paul

17/12/2018
19:11
re : Restauration carburateur CD 150
Oui tout est OK. J'ai même vérifié en actionnant manuellement la pompe et l'essence ne passe plus.

Par contre, j'étais en train de penser, ça ne viendrait pas de la rondelle utilisé sous le pointeau?je n'ai pas pris la plus épaisse.. ^^

Autre chose, après deux tentative de démarrage, plus moyen de faire tourner le moteur. J'entendais bien le relais faire son clic mais pas de démarreur. Puis après quelques minutes et après avoir secoué un peu la voiture c'est reparti. De plus le démarreur fait du bruit quand le moteur part. Comme si il ne se remettait pas en pla e de suite :/
tommybolin

17/12/2018
20:26
re : Restauration carburateur CD 150
je ne pense pas mais à  voir..Du moment que tu réajustes la languette contactant le pointeau pour obtenir le bon niveau, ça devrait être ok
(..et du moment que le flotteur ne touche pas un peu "le plafond" du carbu avant de fermer correctement le pointeau)
La languette de réglage doit rester à  peu près parallèle au plan de joint lors du réglage
Tu peux toujours essayer avec l'autre rondelle si tu penses qu'elle correspond mieux au montage d'origine
Si tout est ok, reteste en revissant d' 1 tour 1/2 les vis de richesse
Si tjrs pareil, déposer les cloches et s'assurer que les détrompeurs ou le cordon annulaire moulés sur la membrane sont bien à  leur place dans leur gorge
Au fait, la couronne qui vient fixer la membrane sur le piston : est-elle épaisse ou mince?
Pour le démarreur, les cosses batterie sont-elles bien serrées?

Paul

17/12/2018
22:05
re : Restauration carburateur CD 150
Oui ca ferme car j'ai testé avec la pompe manuellement et l'essence ne rentre plus dans les carbus une fois les cuves bien remplient.

La couronne fixant la membrane est bien épaisse :)

Pour le démarreur c'est bizarre. J'ai touché au relais ce weekend mais que l'arrivé batterie pour ajouter le ventilateur électrique. Et c'est ok. Je vais vérifier la connexion démarreur relais.
Paul

17/12/2018
23:35
re : Restauration carburateur CD 150


Bon j'ai changé les rondelles. à‡a fait une sacré différence! (Replacement de la plus petite par la plus grosse)

C'est la même épaisseur que celle qu'il y avait sur un vieux cd150.

On verra le résultat demain!
Marco0307

18/12/2018
07:10
re : Restauration carburateur CD 150
Bonjour Paul,
J'espere que tu vas en voir le bout après autant de persévérance.
Courage!

Marco
tommybolin

19/12/2018
11:22
re : Restauration carburateur CD 150
Bonjour Paul,
-As-tu testé tes flotteurs? :
-les secouer pour vérifier l'absence d'essence
-les maintenir immergés dans un récipient d'eau bouillante hors du feu
& traquer les bulles/bruits de dégazage..
-Te souviens-tu si tes gicleurs neufs sont gravés '90' ou '100' ?
cdlt :)
Paul

19/12/2018
12:50
re : Restauration carburateur CD 150

Bonjour,

Voici ce que j'ai reçus.
Paul

19/12/2018
12:54
re : Restauration carburateur CD 150

Sur la doc, c'est un cds. Je pensais que c'était généraliste.
Paul

19/12/2018
12:57
re : Restauration carburateur CD 150
Pour les flotteurs, ils flottent car je les avais testé en les nettoyant et avant hier j'ai les ai mis sous l'eau (pas chaude).

Pour les gicleurs, je ne sais pas :/ il faut que je démonte c'est ca?
Paul

19/12/2018
13:01
re : Restauration carburateur CD 150
Chez jamespaddock, ca correspond : "CARBURETTOR OVERHAUL KIT GT6 MK1(CDRK79)"
tommybolin

19/12/2018
14:07
re : Restauration carburateur CD 150
-Ok donc les gicleurs faisaient bien partie du kit, donc en principe le pb ne devrait pas venir de ça...(j'ai posé la question car les gicleurs de 175CD (TR4) sont identiques mais leur orifice est calibré un poil + gros à  0.100")
-Pour vérifier le marquage c'est un peu galère car au remontage il faut reprendre totalement l'opération de centrage du gicleur :((
Je pense que le kit doit être conforme: piste à  mettre peut-être de côté pour le moment..

Essaie de redémarrer comme ça pour voir.. :)
(oui la notice est généraliste & illustre un peu les particularités de chaque modèle)
j'ai encore 2 ou 3 pistes éventuelles..




Paul

19/12/2018
14:11
re : Restauration carburateur CD 150
zenithcarb m'a confirmé que le kit CDRK 79 correspond bien aux carbus 3092.
Paul

19/12/2018
15:11
re : Restauration carburateur CD 150
Zenithcarb vient de m'indiquer que c'était des Jet 90" fournit dans ce kit. Ce qui correspondrait a une gt6mk1.
tommybolin

19/12/2018
15:34
re : Restauration carburateur CD 150
Oui c'est ça, donc le doute est levé sur ce point
2 autres points à  vérifier (mais je pense que c'est ok pour toi ) :
- Tu as bien remplacé TOUS les joints toriques y compris le + petit qui vient se loger au centre d'une entretoise laiton sur l'ensemble gicleur? (photo post 23/9 à  14H23)
-Le méplat au sommet de l'aiguille de dosage est bien parfaitement de niveau avec la face de son logement sur le piston.. (les aiguilles ne sont pas trop enfoncées) ?
Paul

19/12/2018
15:41
re : Restauration carburateur CD 150
J'espère juste qu'il ne se sont pas trompé..

Oui j'ai changé tous les joints et la base de l'aiguille est bien à  ras le piston. Vérifié avec une lame de cutter comme tu me l'avais indiqué.

C'est aussi de Jet 90" sur les CDS? (au cas il se soit trompé car sur le feuille c'est un CDS.. (il me semble que les jets de CDS ne sont pas tout à  fait les mêmes que le premier CD comme j'ai)
tommybolin

19/12/2018
16:07
re : Restauration carburateur CD 150
Si, CDS c'est exactement les mêmes jets 90
Après sans démonter par le bas, en enlevant cloche+piston et en revissant la vis de richesse pour remonter le gicleur au niveau du pont de carbu pour avoir plus de visibilité, tu devrais pouvoir comparer la taille de l'orifice avec celle de tes vieux gicleurs... si identique ou un poil + petit sur les neufs c'est ok..

Tu as toujours tes CDSE à  portée?..
Paul

19/12/2018
16:29
re : Restauration carburateur CD 150
Oui j'ai toujours les cdse. Pourquoi? :)
tommybolin

19/12/2018
16:59
re : Restauration carburateur CD 150
Un truc à  tester mais en ultime recours...
Après avoir d'abord épuisé toutes (ou presque) les hypothèses liées à  la partie alimentation des cuves... je me demande si le souci ne serait pas en rapport avec la dépression/aspiration dans l'admission..
Les CD que j'ai installés sur MK2&3 étaient tous des versions utilisant une couronne mince (légère!) pour fixer la membrane au piston...
Sur les tiens, ce sont des épaisses (donc lourdes!) augmentant le poids du piston
en conséquence..
poids+élevé= piston positionné+bas= section de conduit diminuée=dépression accrue= aspiration +forte au niveau du puis d'aiguille..
à€ voir... :)
Quand tu as démarré, tu as réajusté un peu les vis de ralenti?
Paul

19/12/2018
17:05
re : Restauration carburateur CD 150
D'accord je vois :)
Après ca fait 50 ans que ces carbus fonctionne comme ca alors ca serait étonnant^^ mais peut-être une amélioration? Après il ne faut pas que ce changement de poids puisse changer quelque chose.

Sinon, j'ai remarque que je n'est pas de joint au niveau de bouchon noir. Est-ce normal?

Le ralenti est à  500, je vais augmenter :)

Merci pour ton aide encore une fois :)
tommybolin

19/12/2018
17:26
re : Restauration carburateur CD 150
oui de mémoire pas de joint sur le bouchon d'huile
oui 500 c'est trop peu table plutôt sur 750/800
tommybolin

19/12/2018
20:42
re : Restauration carburateur CD 150
...pour poursuivre sur ces fameuses couronnes de fixation, ce sont bien des poids servant à  réguler le fonctionnement des carbus selon le type de moteur utilisé..
On retrouve un montage approchant (rondelle amovible en acier plein) sur les pistons des SU équipant de très anciennes MG..
Pour en revenir à  nos moteurs..: Les culasses MK1 sont équipées de conduits & pipe de petit diamètre à  haute vélocité des gaz , dépression importante =>
le montage de ces poids a peut-être été prévu dans le but de contenir une montée du piston jugée excessive..
Inversement, Les culasses MK2 sont équipées de conduits d'admission de gros diamètre..donc vélocité des gaz moins importante... : tous les carbus MK2 sont équipés des mêmes pistons que MK1 mais pourvus de la couronne alu légère...
Peut-être est-ce là  la clé de tes soucis! :)
(Perso sur les carbus que j'ai montés (tous à  aiguille 6J & couronne alu) jamais eu de souci de noyage/richesse excessive ne réagissant pas au réglage)

Paul

19/12/2018
21:16
re : Restauration carburateur CD 150
Bon ça y est je désespère ^^

Je suis a 1 tour et demi et toujours trop d'essence. Mais l'étang d'essence dans les carbus est moins important. Pour ce test j'ai changé les rondelles de pointeaux. Cela permet simplement d'appuyer sur le pointeau plus a plat. J'ai également aligné à  18mm chaque flotteurs.

Je commence a douter de moi et de comment j'ai monté les carbus. Je me demande même si je n'ai pas oublie la rondelle laiton qu'il y a autour du gicleur mais je ne pense pas.

Le réglage de la vitesse est ok.

Bon je vais changer les poids :)

Sinon j'ai de l'eau qui sort de l'échappement. Est-ce normale (condensation) ? Si mon moteur bouffé du liquide de refroidissement, ça sortirait comme ça? Pour rappel après quelques secondes, ça sort de la fumée ou vapeur blanche.
Le moteur chauffe vite également.

Tu n'as pas déjà  mis ces carbus sur une mk2 ou mk3?
tommybolin

19/12/2018
21:50
re : Restauration carburateur CD 150
Oui sur plusieurs MK3 phase 1 (= moteur idem MK2) mais les couronnes déjà  en place étaient minces
Tu as bien ouvert la vanne de chauffage avant de refaire le plein de LDR?
il faut faire tourner plusieurs min au ralenti radia ouvert pour que le circuit dégaze Presser la durite inférieure plusieurs fois pour faire remonter les bulles et rempoter en même temps
Attendre que la durite radia du haut chauffe (ouverture calo) et compléter le niveau au max du radia
Il faut rouler un moment pour éliminer l'humidité présente dans l'échappement

Paul

19/12/2018
21:53
re : Restauration carburateur CD 150
D'acc :) l'espoir renaît!!
Paul

19/12/2018
22:38
re : Restauration carburateur CD 150
Ah si une chose étonnante. J'ai bouché les entrée d'air de cuves et ça n'a pas changé grand chose..^^ c'est normale ça?^^
tommybolin

19/12/2018
23:18
re : Restauration carburateur CD 150
Il y a un certain volume d'air en partie haute de cuve
mais ensuite ça fait remonter le niveau..

Il est normal qu'il y ait un peu d'essence au niveau du venturi/conduit mais ça ne doit pas être excessif..
Tu as serré correctement les pointeaux (au tournevis à  douille) pas à  mort mais suffisamment pour compresser un peu la rondelle alu ?
Paul

20/12/2018
00:51
re : Restauration carburateur CD 150
Oui j'ai bien serré le pointeau ^^ (bien ++)

Bon j'ai changé les poids et c'est gère mieux. Peut-être un peu moins d'essence au niveau des papillons.
Toujours trop d'essence. La vitesse moteur n'est pas bien stable. Il a même calé une fois. Si je mets un coup de gaz, dès que je relâche la pédale, le moteur tant à  caler.

Ne démarre pas avec starter et cale si je mais du starter en marche.

Je suis a 1,5 tour de richesse.
Paul

20/12/2018
01:02
re : Restauration carburateur CD 150

Pour le jet, ça semble idem que celui d'origine.
tommybolin

20/12/2018
01:05
re : Restauration carburateur CD 150
La pompe à  essence est récente??
tommybolin

20/12/2018
01:17
re : Restauration carburateur CD 150
oui jet ok :)
Paul

20/12/2018
01:24
re : Restauration carburateur CD 150
Non je pense qu'elle est d'origine la pompe. Pourquoi?

Si je pompe à  la main, les pointeaux finisse bien pas arrêter l'essence.

Est-ce que ça peut être un problème de fuite d'air? (Ce que l'on pensait pour les anciens carbus.

Si j'avais une prise d'air, je devrais pouvoir mettre du starter?
J'ai donc trop d'essence ou pas assez?
Problème d'avance?

La je sèche.
tommybolin

20/12/2018
02:06
re : Restauration carburateur CD 150
à‡a pourrait venir d'une pression excessive de la pompe... mais comme elle n'a pas été changée récemment ?.. après pour être sûr, il faudrait plomber un mano dessus en sortie pour contrôler la pression...
En pompant à  la main la pression n'est peut-être pas totale car l'action est différente
En cas de prise d'air, c'est l'effet inverse: le moteur va demander + de starter pour démarrer à  froid

Quand tu actionne la pompe à  la main, est-ce que l'essence s'écoule avant de finalement cesser ou bien rien ne coule dès que tu pompes?
Les axes de flotteur sont-ils bien guidés sans jeu sensible permettant au flotteur de se mettre en biais & d'entrer en contact avec les parois de cuve?
On a pratiquement fait le tour donc après il faut reprendre à  la base = au niveau des flotteurs... (test eau bouillante, et par ex essayer en réglant le niveau de cuve à  20mm pour voir)

Paul

20/12/2018
11:03
re : Restauration carburateur CD 150
Bonjour,

pour la première amorce, je peux pomper un moment avant que ca parte. Je met un doigt devant la sorti pour boucher le tuyau et amorcer la pompe. Une fois fait, à  chaque mouvement, ca envoi une giclé d'essence.

Oui très léger jeu (normal?) sur la tige des flotteur mais je ne pense pas que ca puisse les empêcher de flotter. Ils flottent car en pompant l'essence finit par s'arrêté d'entrée dans les cuves.
tommybolin

20/12/2018
11:54
re : Restauration carburateur CD 150
Bonjour Paul,
ce que je voulais dire c'est : quand tu pompes à  la main est-ce que l'essence continue un peu de déborder par l'orifice du gicleur avant de finalement cesser totalement de couler après un certain temps de pompage?

..ou bien absolument aucune essence ne sort du gicleur dès lors que tu commences à  pomper à  la main?

Les cuves sont-elles nickel propres sans résidus ou particules?
La canalisation de sortie allantde la pompe aux carbus est-elle nickel?
As-tu posé un filtre neuf à  l'entrée de pompe ?
Paul

20/12/2018
21:06
re : Restauration carburateur CD 150
Bon alors :)

Quand j'actionne la pompe à  la main, l'essence ne déborde pas par les gicleurs. La pompe finit par ne plus pomper.

Les cuves sont nickel. Après quand on les pose, l'essence tombe d'un coup..^^

Oui il y a un filtre neuf (pour essence) avant la pompe. L'ancien ne ressemblait plus à  rien^^

Je suis curieux de savoir pourquoi?^^ :)
tommybolin

20/12/2018
21:13
re : Restauration carburateur CD 150
désolé j'ai pas bien saisi :)
"Après quand on les pose, l'essence tombe d'un coup" ?
Paul

20/12/2018
21:19
re : Restauration carburateur CD 150
Quand on enlève les cuves, dès qu'on les retires, l'essence contenue dans les cuves s'échappe par le trou du gros boulon laiton^^ Donc pas le temps de voir si il y a de la crasse dedans^^

Bref ca n'est pas important^^
tommybolin

20/12/2018
21:42
re : Restauration carburateur CD 150
et quand tu fais tourner au démarreur ça déborde par les gicleurs ou pas?
Paul

20/12/2018
21:54
re : Restauration carburateur CD 150
oula compliqué à  voir ca^^
Paul

20/12/2018
23:07
re : Restauration carburateur CD 150
C'est que ça peut sortir par ailleurs que par le gicleur? ^^
tommybolin

21/12/2018
00:58
re : Restauration carburateur CD 150
Si ça sort par les gicleurs moteur tournant & pas en pompant à  la main, alors on pourrait envisager un souci avec la pompe.. (prévoir un régulateur de pression)
Dans le cas contraire, on en revient à  nos flotteurs à  régler..(certains spécialistes recommandent 19mm) et vérifier autour des gicleurs...
Oui l'essence ne doit sortir que par l'orifice central du gicleur mais par ex en cas de souci avec le plus petit joint torique, ça peut sortir en + sur le pourtour du gicleur..
En cas de souci avec la jonction du guide de gicleur, ça sortira cette fois entre le guide & le corps du carbu (cause par ex grosse vis laiton pas du tout serrée etc..) bon là  ce n'est pas le cas puisque tu as serré ces vis laiton.. (bien sûr tte cette essence en surplus passe à  côté du "dosage" de l'aiguille = riche++
Quand c'est + sérieux (pointeau coincé ouvert), ça sort directement par les conduits de mise à  l'air de cuves à  l'entrée du carbu sur la bride des filtres..
Paul

21/12/2018
10:31
re : Restauration carburateur CD 150
D'accord.

Bon, concernant la pompe, tu me conseilles de la changer? Si oui, tu en as une a me recomander ?

J'ai un peu peur avec le joint torique. Après les deux carburateur son pareil.

Sur les cdse, j'ai déjà  eu le soucis d'essence. J'avais augmenté le flotteur a 17 ou 18mm il me semble.

Merci :)
tommybolin

21/12/2018
11:39
re : Restauration carburateur CD 150

Bonjour Paul,
Non pas forcément la changer, il faudrait tester sa pression ou alternativement tester ton circuit en plombant une pompe électrique SU type AUF214 d'Austin Mini (elles sont prévues pour les SU donc pression faible).. si tu connais qqu'un qui peut te prêter ça? casseur ou autre?
Si c'est le pb, un régulateur de pression devrait suffire (les pompes mécaniques neuves refab sont souvent à  l'ouest au niveau pression (excès!)) et les SU/Stromberg réclament une pression faible pour fonctionner correctement

Au fait, tu as vérifié les évents des cloches (ceux qui débouchent dans le filetage recevant le bouchon noir)?
Tu avais mis de l'huile dans les tubes de dashpot avant mise en route?

A vérifier aussi sur les languettes d'appui des flotteurs si l'usure causée par le contact répété avec le pointeau n'a pas créé une sorte de léger "bourrelet " en surépaisseur autour de la marque principale.. (photo)
vérifier avec l'ongle et éventuellement égaliser avec une pierre à  huile très fine (bien laver ensuite, aucun résidu abrasif ne doit pénétrer dans le carbu)
ce genre d'usure peut contrarier le mouvement de l'aiguille du pointeau/flotteur
tommybolin

21/12/2018
12:20
re : Restauration carburateur CD 150

ce modèle de pompe (raccords à  emboiter) pression maxi moins de 3PSI
Paul

21/12/2018
14:12
re : Restauration carburateur CD 150


Voici la pompe sue j'ai.
Paul

21/12/2018
14:15
re : Restauration carburateur CD 150
Pour les évents de tête, je ne vois pas trop comment cela peut fonctionner car le trou du bouchon ne tombe pas en face du trou dans la tête ^^

Sinon les évents sont bien débouché.

Je vais enlever un piston d'un des carbus et faire tourner le moteur pour voir si de l'essence sors sans dépression.
tommybolin

21/12/2018
15:01
re : Restauration carburateur CD 150
Oui c'est la pompe d'origine, en principe ok.. mais elle peut aussi déconner..
Pour les évents, c'est vrai que c'est pas clair.. l'air passe peut-être par un espace restant en fond de filetage
Oui à  essayer
Paul

21/12/2018
17:48
re : Restauration carburateur CD 150
J'ai fait un test un carbu sans son piston. Après 3x5 secondes de démarreur, pas un soupson d'essence n'est sorti du gicleur.
tommybolin

21/12/2018
18:05
re : Restauration carburateur CD 150
ok maintenant essaie de démarrer, elle devrait pouvoir tourner sur un seul carbu à  cause du conduit d'équilibrage.. et reteste en restant au ralenti..
Paul

22/12/2018
00:53
re : Restauration carburateur CD 150
Je n'ai pas compris :/

Je dois déconnecter l'arrivé d'essence dun des carbus? Car si pas de piston sur l'un, le moteur ne devrait pas démarrer ^^
tommybolin

22/12/2018
11:15
re : Restauration carburateur CD 150

Bonjour Paul,
Non ne rien débrancher, essaie de démarrer comme tu étais..
l'unique carbu opérationnel devrait pouvoir alimenter aussi les 3 autres cyl via le conduit d'équilibrage de la pipe (..avec un peu de chance :)
Si toujours ok, la pompe n'est probablement pas en cause..
Dans ce cas remonte piston/cloche/bouchon, dépose les flotteurs & fais le test (secouer/ bain eau chaude)
si ok règle ton niveau de cuve à  19mm sur les 4 flotteurs
Puis remet tes 2 gicleurs descendus à  environ 2 tours du pont de carbu comme base, et moteur en température passe au règlage de la richesse sur chaque carbu en contrôlant avec la goupille..
(as-tu vérifié ces orifices de mise à  l'air sur les cloches? mais pas sur qu'ils soient présents sur les tiens (photo)) cdlt :)
Paul

22/12/2018
14:01
re : Restauration carburateur CD 150
Je ne comprend pas désolé :/

Si j'enlève un des pistons alors il n'y a plus de dépression sur l'autre ?

Si je remet le piston, sans bloquer une arrivé d'essence alors les deux carbus vont faire tourner la moteur.

En tout cas, avec un piston de déposé et sans starter ça ne tourne pas.
tommybolin

22/12/2018
14:42
re : Restauration carburateur CD 150
ok c'est pas grave si ça veut pas tourner pas comme ça :)
(Non, si tu enlèves un piston de carbu, l'autre carbu est indépendant et fonctionne toujours et peut "en principe" alimenter tout seul les 3 cyl supplémentaires car son conduit d'admission est relié directement à  celui de l'autre carbu derrière le papillon.. par le biais du conduit transversal moulé au dessus de la pipe (celui qui reçoit la durite de soupape smith))
En tout cas comme l'essence coule pas par les gicleurs en insistant au démarreur , on va considérer que la pompe est ok
Paul

22/12/2018
14:54
re : Restauration carburateur CD 150
Oui mais de l'autre côté c'est de l'air sans essence et sans résistance. Du coup le mélange doit être hyper pauvre ^^
tommybolin

22/12/2018
15:08
re : Restauration carburateur CD 150
oui en partie, mais au ralenti le papillon est quasi fermé..le mélange passe derrière,coté moteur donc coté dépression
l'unique carbu travaille + (pulse à  la demande de tous les cyl au lieu de seulement 3)
Paul

22/12/2018
18:22
re : Restauration carburateur CD 150
OK j'essaierai de nouveau avec du starter :)

Paul

28/12/2018
16:27
re : Restauration carburateur CD 150


Pour ceux que ca intéresse, voici a gauche un poids pour gt6 mk1 et à  droite pour mk2.
Paul

29/12/2018
19:46
re : Restauration carburateur CD 150


Et voici les aiguilles :)
Paul

30/12/2018
23:09
re : Restauration carburateur CD 150
Bonsoir,

je viens de voir sur un site que sur les stromberg, il y avait des flotteurs creux et des flotteurs pleins.

Il y est indiqué des réglages de 16 à  18mm sur des creux et 18,5 à  19,5mm sur des pleins.

Je n'aurais pas des flotteurs pleins? ^^ :)

Voici le site : https://www.howacarworks.com/fuel-systems/how-to-overhaul-a-stromberg-carburettor

Voir au chapitre "Adjusting the float" :)
tommybolin

30/12/2018
23:17
re : Restauration carburateur CD 150
re-
Non les flotteurs pleins sont en espèce de mousse et l'armature est différente
voir photo + haut post du 22/09/20H52 (flotteur de gauche) :)
Paul

30/12/2018
23:36
re : Restauration carburateur CD 150
Bon et bien voilà  voilà . La pompe pompe, les réglages semblent tous ok mais le moteur tourne bien trop riche.. :/
Et les flotteurs sont à  18mm, le max indiqué.

Cela me semble étonnant que les carbus continu à  fonctionner casi comme si de rien n'était en bouchant les entrées d'air des cuves. Prises d'air aux cuves?
tommybolin

31/12/2018
15:37
re : Restauration carburateur CD 150
bonjour Paul,
comment as-tu testé le bon dégagement des évents de cuve? (cuve déposée?) le conduit fait un "L" ...
"Les réglages sont tous ok" : après pose des poids de piston "légers", le réglage de la richesse a t-il été réalisé ou juste le réglage de base?
cdlt :)
Paul

02/01/2019
23:03
re : Restauration carburateur CD 150
Bonsoir,

j'ai envoyé le l'air avec une pompe dans les évents et j'ai senti l'air sortir dans les cuves (cuves déposées).

Je suis à  2 tours voir 1,5, que doit être trop pauvre et non trop riche :/

Pour la pompe, il doit y avoir une différence entre faire un tests au démarreur et faire tourner le moteur à  800 tours? Peut être qu'au démarreur la pompe est ok mais dès que ca tourne plus vite, il y a trop de pression?

Merci pour ton aide en tout cas :) C'est le 400 ième message ;)
tommybolin

03/01/2019
00:37
re : Restauration carburateur CD 150

Bonsoir Paul,
Ok , donc pas de souci du côté des évents
Pour la pompe, elle comporte un système d'auto-régulation mécanique donc en principe le régime n'agit pas directement sur la pression
Comme déjà  dit, le seul moyen de disculper la pompe c'est :
1/ de tester avec un mano de pression dans le circuit
2/ tester avec une autre pompe dont la pression maxi est connue (ex SU électrique ou Huco etc)
3/ installer un régulateur de pression (Filter King par ex)

Il faut être certain que les ensembles gicleurs ont bien été installés avec les rondelles d'origine ici (photo)
Si des rondelles + épaisses sont utilisées, ça baisse d'autant la position de base du gicleur par rapport à  l'aiguille/pont de carbu donc enrichit inévitablement le mélange dès le départ
Enfin si le montage est correct à  ce niveau (& si la pression de pompe est ok),
il est normal moteur tournant que l'essence soit présente dans le conduit principal du carbu puisque elle est aspirée par la dépression..
Il se peut que ton souci soit juste un pb de richesse à  ajuster à  l'oreille en utilisant les goupilles de levage.. car le réglage dévissé de "x" tours n'est en aucun cas un réglage valide mais seulement une base
il faut régler (à  l'oreille) chacun des carbus en fonction de sa demande :)
Paul

03/01/2019
00:45
re : Restauration carburateur CD 150
D'après ma photo du 18/10/2018(17:59), je n'ai pas cette rondelle..

Et d'après mes photos de démontages, il n'y en avait pas sur mes carbus.
tommybolin

03/01/2019
00:50
re : Restauration carburateur CD 150

(il existe aussi une version avec mano incorporé)
Paul

03/01/2019
00:55
re : Restauration carburateur CD 150

Voici lors du démontage. Pas de rondelle.
tommybolin

03/01/2019
00:56
re : Restauration carburateur CD 150
pourtant c'est la rondelle d'étanchéité et elle est normalement présente sur tous les ensembles de gicleurs MK1/MK2 (parfois elle reste collée sur le corps et passe inaperçue)..
Paul

03/01/2019
00:57
re : Restauration carburateur CD 150

Voici lors du démontage. Pas de rondelle.
Paul

03/01/2019
00:58
re : Restauration carburateur CD 150
Bon alors je sais ce qu'il e reste à  faire...^^

Juste pour info, on peu mettre un régulateur de pression avant la pompe?
tommybolin

03/01/2019
01:03
re : Restauration carburateur CD 150
non le régulateur est à  brancher entre la pompe et les carbus (à  régler à  environ 2/2,5psi) :)
Paul

03/01/2019
01:08
re : Restauration carburateur CD 150
Ah mince c'est chiant ca.. j'aime bien filtrer avant la pompe par exemple. Et le tuyau d'essence rigide est fixé sur la pompe..^^ bref pas top pour ajouter un régulateur.

Bon il faut que je redéfasse les gicleurs, refasse les centrage, etc. j'espère que mon problème vient de cette rondelle manquante. Même si je crains que même sans cette rondelle, ca peut être étanche.
Paul

03/01/2019
15:34
re : Restauration carburateur CD 150
Bonjour,

pour information, j'ai contacté zenithcarb pour leur demander des flotteurs.
Et on m'a répondu que ces flotteurs n'étaient plus fabriqué car ils sont obsolètes. Et que l'on ne peut que me proposer des changer les carbus.. ^^
Paul

03/01/2019
16:09
re : Restauration carburateur CD 150
Est-ce que vous auriez l'épaisseur de la fameuse rondelle? :)

Merci :)
robert

03/01/2019
16:30
re : Restauration carburateur CD 150
Ceux qui s'attaquent à  ce sujet biscornu doivent languir d'une SPIT électrique..............
Paul

03/01/2019
18:24
re : Restauration carburateur CD 150
Au que non Robert, on s'ennuerait et il n'y aurait plus autant d'intérêt :)
Il y a ceux qui aiment rouler en triumph et ceux qui aiment également faire rouler leur triumph :)
Paul

03/01/2019
18:31
re : Restauration carburateur CD 150
Est-ce que des flotteurs de stromberg cd175 de sont les mêmes que les cd150? Car ça semble compatible.
Sinon les flotteurs de cd 150 classic avec un petit tube sur l'axe d'un côté pour le maintenir en place.
tommybolin

03/01/2019
20:16
re : Restauration carburateur CD 150
Bonsoir Paul,
-La partie filtre du régulateur de pression est surtout un décanteur, et c'est bien utile pour isoler les crasses.. mais ça n'empêche pas de conserver ton filtre classique en entrée de pompe :)
Quant au tuyau: tu laisses le raccord comme il est, vissé sur la ppe
il suffit de couper le tuyau + loin au mini-coupe-tube et de raccorder les durites
-Pour la rondelle il faut que je regarde (ce we!) mais déjà  à  vue de nez, ça fait à  peu près la moitié de la rondelle laiton (sur la photo) Mais au fait, tu n'aurais pas ça sur ton 3è carbu??
-Flotteur 175CD: non, c'est plus large
et le flotteur + récent style CDSE pas sûr que ça aille : les corps sont peut-être différents et pourraient ne pas épouser la forme du corps de carbu (plafond de cuve)
Paul

03/01/2019
21:28
re : Restauration carburateur CD 150
D'accord :)
Du coup tu penses qu'un décanteur est vraiment nécessaire après un filtre classique puis le filtre de la pompe?

Je regarderais la semaine prochaine de retour chez moi :)
tommybolin

03/01/2019
21:59
re : Restauration carburateur CD 150
Absolument nécessaire, non mais utile oui ..et comme il est incorporé au régulateur... :)
Paul

04/01/2019
23:22
re : Restauration carburateur CD 150


Je suis entrain de regarder les pompes électrique car ca me semble intéressant (certain indiquent que c'est plus fiable?). Par contre, il faudrait juste au moins mettre un relais qui laisse tourner le moteur à  essence que lorsque le moteur tourne. Quand le pression est atteinte, le moteur SU s'arrête de tourner?

Je suis intéressé par les pompes SU car elles sont réparables (kit) contrairement aux pompes HUCO par exemple (même si le kit de réparation SU coûte presque le prix d'une pompe neuve HUCO).

Sur les SU à  raccord vis, il y a une pièce supplémentaire sur le coté. Vous sauriez à  quoi celle-ci sert? (photo)

Autre question que je me pose, c'est est-ce que la pompe électrique peut supporté d'être fixé sur le moteur? (à  la place de la pompe mécanique)

Est-ce qu'il est mieux d'avoir des raccords vissés avec olive ou serrés?

Qu'en pensez-vous? :)
desmophil

05/01/2019
10:03
re : Restauration carburateur CD 150
Bonjour.
Il est souvent préconisé de mettre la pompe elec le plus près possible du réservoir, je ne connais pas ces pompes mais il faut bien se renseigner sur sa capacité d'aspiration.
Un relais commandé après contact me parait impératif.
tommybolin

06/01/2019
16:47
re : Restauration carburateur CD 150

Bonjour Paul,
Les pompes mécaniques refabriquées posent souvent des pb (qualité, pression excessive etc)
Les pompes électriques sont en général très fiables si installées correctement & permettent un démarrage à  froid quasi instantané
Alors ccernant l'instal. comme le fait remarquer Desmo, selon le modèle, se renseigner sur le montage préconisé : soit compartiment moteur ou sous le réservoir
Non, un montage directement sur le moteur n'est pas du tt recommandé (vaporisation) Si la ppe peut-être installée dans le compartiment moteur, un montage à  l'écart de la chaleur & à  peu près au même niveau que le passage du circuit d'origine est à  préferer (sur GT6 par ex sur carton latéral de protection moteur ou pris sur la tourelle de suspension)
Un montage non rigide genre sur silent-blocs "bobine" est préférable
Prévoir un relais et un coupe-circuit à  inertie permettant la coupure de la pompe en cas de choc (photo/dispo dans les casses sur pratiquement tous les modèles actuels)
Montage avec tuyau emboîté plus simple et fiable + possibilité d'orienter les raccords sur une large plage
Sur la pompe en photo, le bossage est une réserve d'air
Un régulateur de pression n'est pas indispensable si la pression délivrée par la pompe est en accord avec les carbus (SU/CD)
Pas de kit de répa pour les Huco mais elles sont je crois garanties 5 ans
Dans le même style, voir aussi les ppes Hardi
cdlt :)
desmophil *

07/01/2019
09:55
re : Restauration carburateur CD 150
Bonjour.
Le coupe-circuit à  inertie je n'y pensais plus a lui c'est vrai que question sécurité c'est quand même le top dans le cas d'une pompe élec !
Boulon Pierre

07/01/2019
11:50
re : Restauration carburateur CD 150
Bonjour,
J'en ai parlé dans le fil:

http://www.amicalespitfire.fr/cyberspit/index.php?lecture=311149&debut=150#debutfil

Amicalement.
Paul

08/01/2019
20:53
re : Restauration carburateur CD 150
Bonjour,

Merci pour vos réponses :)

Je pensais faire une plaque obturateur pour mettre à  la place de la pompe mécanique et en profité pour y faire un point de fixation de la durite d'essence.

Je ne vois pas trop comment je pourrais relié la durite en alu (??) qui fait le tour du moteur à  une pompe électrique qui ne serait plus sur le moteur.
Un tuyaux d'essence flexible entre les deux (qui permet au moteur de bouger), un nouveau tuyaux en cuivre qui partirait de la pompe et qui référait le tour du moteur comme d'origine ?

Beaucoup de question.

Sinon j'ai regardé les pièces du cd150 que j'ai pour pièce et le n'y ai pas trouvé de rondelle alu. On ai sur que sur la première version des cd150 il y avait cette rondelle?

Sinon j'ai remarqué que la pompe su avait d'autre branchent sur le corps (vide d'air ??). à‡a n'est pas grave d'avoir un moteur comme ça pour simplement pomper de l'essence ? ^^ les pompes Huco n'ont pas ces deux entrée ou sortie supplémentaires.

Merci :)
tommybolin

09/01/2019
00:32
re : Restauration carburateur CD 150
Bonsoir Paul,
il faut en effet monter une plaque à  la place de la pompe
c'est d'origine sur les TR6 injection, mais tu peux la fabriquer toi-même
Pour la canalisation rigide sortie de ppe/carbu : comme j'ai indiqué + haut , c'est simple, tu la conserves & coupes au coupe-tube près de la sortie de l'ancienne ppe et tu raccordes à  la pompe élec avec de la durite caoutchouc + colliers
idem pour l'arrivée d'essence déjà  équipée caoutchouc d'origine
qques points de guidage/fixation sont à  prévoir sur la ligne

Ccernant la rondelle, je confirme qu'elle figure bien au catalogue de pièces usine MK1&2
On la retrouve aussi apparemment sur tous les modèles CD, voir ici :
http://www.oldengine.org/members/diesel/Carburettors/PetrolCarb.htm

Sur la pompe de la photo les 2 trous à  G sont filetés pour montage de 2 silent-blocs
:)
Paul

09/01/2019
00:52
re : Restauration carburateur CD 150
Merci beaucoup :)

Bon j'ai commandé quelques pièces chez canley dont les rondelles alu :)

Concernant la pompe, la dernière pompe que j'ai affiché a la même pression que celle que tu as affiché. Par contre la dernière est un peu plus évolué (avec une réserve d'air par exemple comme tu l'as indiqué) => version utilisé dès les mgb. Peut-être mieux ?

Merci pour ces échanges de connaissance :)
tommybolin

09/01/2019
21:35
re : Restauration carburateur CD 150
Bonsoir Paul,
oui comparée à  la pompe de Mini, celle de MGB est probablement plus en accord avec le moteur de la GT6 (débit supérieur)
La pression doit rester à  environ 2,7psi
Respecter la position: Sur les MGB cette pompe est installée horizontalement , réserve en l'air et sous le réservoir/coffre
cdlt :)
Paul

09/01/2019
23:38
re : Restauration carburateur CD 150
Bonsoir,

Ah mince, je souhaitais mettre la pompe vers le moteur car pas loin du relai d'origine ou du neiman :/
tommybolin

10/01/2019
00:16
re : Restauration carburateur CD 150
Oui c'est apparemment une pompe refoulante...
Pour un montage dans le compartiment moteur, la Huco 133010 est parfaite :)
Paul

10/01/2019
00:51
re : Restauration carburateur CD 150
J'en suis arrivé à  la même conclusion. La huco semble très bien et cette pompe a de très bon retours clients :)

Vous avez une expérience sur l'épaisseur du métal de la plaque d'obstruction à  mettre a la place de la pompe? :)
Je vais mettre une plaque en L ou en Z qui fera obstruction et qui permettra de maintenir le tuyaux d'origine + le nouveau tuyaux qui arrivera de la pompe.

Vous la brancheriez où cette pompe? Neiman, relai d'origine (circuit fermé quand il y a le contact neiman) ou direct à  la batterie (vis relai origine).

Pour rappel, j'ai un ventilateur de radiateur électrique. Donc déjà  pas mal de câbles, de fusibles individuels, etc.

Merci :)
tommybolin

10/01/2019
18:21
re : Restauration carburateur CD 150
Bonjour Paul,
L'alimentation du relais (borne 86) prise sur le + après contact du Neiman/contact à  clé
borne 85 du relais reliée à  une masse proche (carrosserie)
borne 30 du relais reliée au + direct (sur relais de démarreur ou mieux au + batterie)
borne 87 reliée au fil d'alimentation de la pompe
Fil de masse de la pompe relié à  une bonne masse proche sur la carrosserie/chassis (ou -- batterie)
Tu intercales le contacteur à  inertie entre Neiman & relais borne 86
Tu peux utiliser un relais avec fusible incorporé (ou prévoir fusible)

La plaque doit faire environ 2,5/3mm
prévoir une isolation caoutchouc pour le passage du tuyau métal (toujours dans le but d'éviter au max la vaporisation)
Perso j'ai placé le relais de la pompe contre le montant AV de porte fixé sur l'envers du carton du vide-poche passager Le fusible tête en bas reste accessible
La batterie et le neiman sont proches.., idem pour le contacteur à  inertie fixé sous le capot sur la remontée du tablier entre batterie & moteur EG.. :)
Paul

10/01/2019
22:55
re : Restauration carburateur CD 150
Bonjour,

D'accord :) pourquoi ne pas utiliser le relai du démarreur ? Il me semble qu'il a 3 positions. (Fermé, ouvert pour des équipements et ouvert pour le démarreur)

Sais-tu si la pompe est à  mettre debout ou a l'horizontale ?

Merci pour les infos :)
Paul

10/01/2019
22:57
re : Restauration carburateur CD 150
Et 2/3 mm alu ou acier? :)
tommybolin

11/01/2019
00:07
re : Restauration carburateur CD 150
Tu peux juste utiliser l'une des fiches fixées sur la borne supérieure du relais de démarreur car c'est un + permanent (fils marron), pour alimenter ta pompe (à  relier à  la borne 30 de ton relais universel)..
mais tu ne peux pas utiliser le relais de démarreur pour commander ta pompe

Ccernant l'orientation de cette pompe, je ne sais pas mais bien se renseigner auprès d'un distributeur officiel... car ce genre de détail invalide parfois la garantie.. par ex :
http://www.gowerlee.dircon.co.uk/
Paul

12/01/2019
23:40
re : Restauration carburateur CD 150
Bonsoir,

Vous avez placé votre pompe électrique où ? :)
Car il n'y a pas beaucoup de place ^^

Merci :)
Paul

14/01/2019
10:22
re : Restauration carburateur CD 150
Bonjour,

est-ce qu'il ne serait pas intéressant de faire arrêter la pompe électrique quand le moteur s'arrête? genre utiliser un sonde de pression d'huile ou l'alternateur pour couper la pompe si le moteur ne tourne pas? :)

Merci :)
Mickfreddy29

14/01/2019
10:30
re : Restauration carburateur CD 150
Je dirais non.
Si tu fais ça, le problème est que la pompe ne ferait plus le gavage des carbus avant démarrage du moteur, ce qui est très utile
Paul

14/01/2019
11:01
re : Restauration carburateur CD 150
Après est-ce qu'il n'est pas intéressant de faire tourner le moteur quelques seconde avant le démarrage? Histoire de brasser de l'huile dans le moteur, etc?
obiwan

15/01/2019
21:43
re : Restauration carburateur CD 150
Bonsoir
Je me raccorde a ce sujet concernant mes carburateurs CD 150 refait aussi a neuf de ma vitesse MK1
je les ai redémontré suite a une consommation d'essence importante et un carburateur qui aspiré plus fort .
J'ai remarqué que l'un des deux pointeau était plus bas sur le corps que l autre ! j ai mi une rondelle pour avoir la même hauteur !
En parcourant cette discussion j' ai compris que l'épaisseur de la rondelle alu de l'ensemble gicleur pouvait être moins épaisse ce qui me permettrai
peut être de réduire mon ralentir ainsi que la conso !!!!
Merci de vos avis
Paul

16/01/2019
10:34
re : Restauration carburateur CD 150
Bonjour,

la rondelle du pointeau peut être différent, il faut juste tordre la languette du flotteur en conséquence :)
Par contre, pour moi la rondelle de l'ensemble gicleur doit être d'une taille unique (moi j'en ai pas... j'en ai commandé et j'attend la livraison).

Vérifie bien le réglage de la richesse et la hauteur des flotteurs :)
obiwan

18/01/2019
13:53
re : Restauration carburateur CD 150
Bonjour
Pourquoi y a t il une différence du poids de la membrane entre MK1 et MK2 ?
Xavier
obiwan

18/01/2019
13:54
re : Restauration carburateur CD 150
Bonjour
Pourquoi y a t il une différence du poids de la membrane entre MK1 et MK2 ?
Xavier
tommybolin

18/01/2019
23:29
re : Restauration carburateur CD 150
Bonsoir Xavier,
possible rapport avec la force de dépression présente en fonction de la taille des conduits
j'avais évoqué l'hypothèse sur le post du 19/12/20h42 mais ce n'est bien sûr qu'une supposition :)
Paul

21/01/2019
23:26
re : Restauration carburateur CD 150
Bonsoir,

désolé de dévier un peu mais en attendant (depuis pas ma de temps..) les deux rondelles qu'il me manque, je suis entrain de me pencher sur la pompe électrique :)

J'ai une pompe HUCO, un relais tachymetrique (sans borne 50) et un coupe-circuit à  inertie.
=> Je n'arrive pas à  comprendre dans fil passe le signal d'allumage (pour la borne 1 du tachy).

Si vous pouviez m'éclairer :)

Merci beaucoup :)
Paul

22/01/2019
00:23
re : Restauration carburateur CD 150
Je dirais sur la borne (-) de la bobine :)
tommybolin

22/01/2019
18:25
re : Restauration carburateur CD 150
Bonjour Paul,
Oui le signal se prend sur le négatif bobine :)
http://www.flat4ever.com/le-relais-tachymetrique/
Paul

22/01/2019
19:13
re : Restauration carburateur CD 150
Merci :)
Paul

22/01/2019
21:39
re : Restauration carburateur CD 150
Ca ne peut pas poser des problème de parasite si je branche un fil de 2 mètres sur la borne (-) de la bobine?
Paul

26/01/2019
14:41
re : Restauration carburateur CD 150


Bonjour,

Bon une bonne et une très mauvaise nouvelle.
J'ai enfin reçus les fameuses rondelles! :)
Mais, après avoir démonter les carbus, j'ai découvert qu'il y avait bien déjà  les rondelles (contrairement à  ce qu'il me semblait) :(

Donc le problème ne viendrait pas de là . On a fait le tour des carbus et je ne vois pas d'où cela pourrait venir :(

Il ne reste plus que la pompe. Concernant celle-ci, elle est bien d'origine et pompe bien. Le filtre entre la pompe et le réservoir a été changé (l'ancien avait vécus).

Voilà  voilà  ^^ si vous avez des idées, n'hésitez pas :)
tommybolin

26/01/2019
15:36
re : Restauration carburateur CD 150
bonjour Paul,
Ah tu vois les rondelles étaient bien en place :)
Remets un peu de vaseline sur les toriques & filetage pour remonter puis refais ton centrage de gicleurs sans mettre en place les bouchons de dashpots (la surface ext des pistons/corps doit être dégraissée, sèche,
juste huiler modérément l'extérieur du tube guide de piston)
Essaie avec ta pompe Huco (pas besoin de régulateur de pression sur la 133010
:)
Paul

26/01/2019
17:14
re : Restauration carburateur CD 150
Oui :)

Bon il faut que je remonte tout ca^^

Sinon j'ai retiré la pompe mecanique pour la remplacer par la huco électrique.
D'ailleurs, la pompe mécanique ne tenait plus à  grand chose^^ étonnant que ça ne fuyait pas de l'huile par là  ^^ d'ailleurs, c'est très propre dans l'emplacement de la pompe.

Sinon le problème c'est que la pompe Hoco est certe plutôt réputé fiable mais elle n'est pas des plus légère et des plus petite. Je n'arrive donc pas à  lui trouver une place.. Peut-être tout en bas mais elle va gêner pour les changements de filtre à  huile.
En tout cas sur le carton de protection je ne pense pas que ça soit assez solide^^
Paul

22/02/2019
20:30
re : Restauration carburateur CD 150
Bonsoir,

Je suis entrain de remonter les carbus. Celui arrière pas de problème mais le premier fait encore des siennes.. (Encore lui!^^)

J'ai changé son diagramme car celui fournit par zénith avait un défaut. Sauf que j'en ai essayé deux autres et la qualité est très mauvaise. De chez datch = de la daube, je piston ne descend même pas en bas et de chez rimmer, c'est très fin.. Donc tempi je remet celui de chez zénith vraiment de bonne qualité (même si pas de chance j'ai un défaut de fabrication).

Bon le piston se coince, j'ai l'impression qu'il n'est pas bien aligné.. Je recommence, je vérifie bien, je test.. Et la le piston c'est OK (je me rend compte que quand je visse la tête, ça joue sur l'alignement du piston).

Bref je commence à  régler le gros boulon de gicleur et pas moyen d'arriver au bout sans que le piston finisse par ne plus toquer. J'ai recommencé 30 fois.. Je pense avoir un problème avec le diaphragme?

Qu'en pensez-vous?

Merci :)
tommybolin

22/02/2019
20:56
re : Restauration carburateur CD 150
Bonsoir Paul,
A mon avis c'est ton centrage de gicleur qui n'est pas bon
=> l'aiguille coince, donc le piston aussi
1 débloque bien le gros écrou laiton
2 il faut (avec la vis de richesse) monter le gicleur au niveau du pont pour faire le centrage
Si le gicleur est descendu le centrage ne peut se faire correctement.. cdlt :)
(sinon au niveau membrane: les différents détrompeurs (ergots) moulés dessus sont-ils bien en phase avec leur logement respectif? si non ça pose pb)

qui

22/02/2019
21:18
re : Restauration carburateur CD 150
juste au dessus du gros boulon du gicleur comme tu dis, il y a un canon a l'intérieur qui doit bien bouger et être bien libre en translation.je dis bien translation, c'est a dire gauche droite en secouant, il est probablement abîmé. c'est ce canon qui doit s'auto centrer sur l'aiguille après avoir serré ce gros boulon comme tu dis. attention le ressort du gicleur peut biaiser ce réglage, moi je le vire pour régler et je le remet apres, ainsi que le gicleur
Paul

22/02/2019
21:33
re : Restauration carburateur CD 150
Le truc c'est qu'il y a 1 mois, c'était OK.. :/
Et les pièces en question sont neuves :/
tommybolin

22/02/2019
21:48
re : Restauration carburateur CD 150
tu parles du chapeau : s'agit-il du bouchon amortisseur ou de la cloche fixée par 4 vis?
La cloche doit être correctement orientée (bossage vers l'AV moteur) et serrée sur le corps avant de procéder au centrage du gicleur (et le bouchon ne doit pas être en place) :)


Paul

23/02/2019
00:17
re : Restauration carburateur CD 150
De la cloche fixé par 4 vis :)
Oui c'est bien visé :)

Je trouve que ça sonne différemment et c'est le dernier 1/4 de tour qui pose problème :/

Problème de diaphragme, aiguille tordue (ça se tord facilement ?), etc.. Je ne sais pas :/

Décidément j'en aurai vu avec ces carbus ^^
tommybolin

23/02/2019
11:29
re : Restauration carburateur CD 150
Bonjour Paul,
Comme indiqué plus haut, les aiguilles sont effectivement fragiles et demandent à  être manipulées avec la plus grande précaution
Elles peuvent se fausser assez facilement

Ccernant ton souci, je suppose que tu as reposé les rondelles neuves de guide de gicleur
celles-ci sont-elles bien ébavurées à  leur périphérie?.. ce qui dans le cas contraire pourrait rendre l'assemblage gicleur un peu bancal et pas bien d'équerre lors du serrage du gros boulon laiton
Si ça sonne différemment c'est qu'un élément n'est pas correctement centré..
il faut vérifier soigneusement point par point chaque composant et ça devrait rentrer dans l'ordre.. il n'y a pas de raison :)
obiwan

23/02/2019
12:38
re : Restauration carburateur CD 150
Le serrage des quartes vis de la cloche doit peut être ce faire en approche et pas bloqué chacune leurs tour pour un meilleurs centrage !
intervertir les cloches ! et les bouchons amortisseur ?
Paul

15/03/2019
17:15
re : Restauration carburateur CD 150
Bonjour,
je peux enfin me remettre sur le chantier^^

Avant d'envelopper les nouveaux files, l'allumage me pose question. Est-ce qu'il ne serait pas mieux de protéger l'allumage derrière un fusible?
j'ai un relais protégé pour du +12 après contact, pour les petits consommateurs. Ca me prendrait 15 mins de mettre le capteur d'inertie qui protège l'allumage dessus.

Qu'en pensez-vous? Perso j'ai peur qu'à  trop bien vouloir faire, qu'il yest trop de composants et donc pannes potentielles.

Merci :)
tommybolin

15/03/2019
17:30
re : Restauration carburateur CD 150

Bonjour Paul,
le contacteur à  inertie quand il est branché sur le circuit de pompe est branché sur le courant faible (relais) voir schéma
cdlt :)
Paul

15/03/2019
18:02
re : Restauration carburateur CD 150
Merci :)

Sur la mienne,le contacteur à  inertie est utilisé sur l'allumage (car mon relais tachy vérifie la bobine pour alimenter la pompe).
=> En cas de gros choc, le moteur s'arrête et donc également la pompe électrique.
Paul

15/03/2019
23:40
re : Restauration carburateur CD 150


Bon je vais laisser la bobine sur le neiman comme d'origine (avec le contacteur à  inertie entre les deux).

Savez-vous à  quoi sert la pièce en jaune. Je n'ai pas l'impression que ça serve à  défaire les cosses (ça ne marche pas) et il n'en parle pas dans la documentation. Perso je me demande si ça n'est pas pour au contraire bien tenir les cosses en place.

Merci :)
Paul

24/03/2019
21:57
re : Restauration carburateur CD 150
Bonsoir, bon tout est ok :

- Flotteurs à  18 mm
- Pompe Huco qui s'arrête bien de pomper quand les cuves sont pleines
- L'interco des carburateurs aux petits oignons

La voiture démarre MAIS j'ai toujours le même problème qu'avant!! :(
Je suis un peu désespéré là ..
J'ai toujours de l'essence que stagne au niveau des papillons, un starter qui cale la voiture. Trop d'essence donc.
Quand je soulève un peu un piston, la GT veut caler (ce qui confirme le trop d'essence si j'ai bien compris).

Vous avez des idées?

En vous remerciant par avance.
Paul

24/03/2019
22:15
re : Restauration carburateur CD 150
En complément d'info, réglage de la vis de ralenti à  1 tour et vis de richesse à  -3 tours comme indiqué par Tommybolin :)
tommybolin

24/03/2019
23:09
re : Restauration carburateur CD 150
bonsoir Paul,
La pompe cesse de pomper : les pointeaux sont donc étanches
Ce sont juste des réglages de base qui permettent de démarrer.. (dévissé 3 tours etc )
Il est tt à  fait normal d'avoir de l'essence au niveau des conduits
As-tu bien monté les poids de piston MK2 (légers)
Mets ton ralenti à  650trs, filtres déposés laisse chauffer le moteur et règle la richesse de chacun des carbus en t'aidant de la goupille située sous la cloche..
Le moteur doit être à  température pour ce test et comme indiqué il ne faut lever que d'1mm supplémentaire (pendant 2à 3 sec) quand la goupille est en contact avec le dessous du piston..
Si ça cale dans ces conditions, la carburation est trop pauvre
Le starter n'est peut-être pas réglé: ralenti réglé, le jeu entre la came & la tête de vis doit être de 1,60mm starter désengagé totalement
réglage à  recontroler après tout ajustement du ralenti
:) ça doit le faire
Paul

24/03/2019
23:25
re : Restauration carburateur CD 150
D'accord. Mais du coup il est normal d'avoir une marre d'essence au niveau des papillons? Car c'était pour ca que l'on avait eu l'idée de changer la pompe.
Autre chose, si je pousse de l'air avec un tuyau dans les évents, ca remonte de l'essence dans les carbus. Est-ce normal?
J'en parlis à  un ami mécano (qui a des spitfires, etc) et qui m'a dit que c'était très inquiétant (donc pas normal je suppose).
Pour le starter je suis à  1,5mm (ca ne touche pas l'axe des papillons).
Mon ralenti n'est pas réglé et un peu faible.
Ce qui m'inquiète c'est que le starter noie le moteur et si je soulève un peu le piston ca cale (donc trop pauvre?). Ca n'est pas logique :/

Merci pour votre aide :)
Paul

24/03/2019
23:27
re : Restauration carburateur CD 150
Et si je bouche les évents, le moteur continu de tourner. **
tommybolin

25/03/2019
00:03
re : Restauration carburateur CD 150
Cette pompe électrique permet de limiter raisonnablement la pression au niveau des pointeaux, donc de les mettre hors de cause
Si tu pressurises la cuve avec de l'air, l'essence est bien forcée de sortir qque part
les pointeaux sont fermés alors ça va sortir là  ou le circuit est déjà  ouvert : par l'espace annulaire existant entre aiguille & gicleur.. donc ça remonte dans la buse, c'est le passage normal de l'essence..
(Tes fils de bougies sont bien connectés dans l'ordre correct?)
Paul

25/03/2019
00:36
re : Restauration carburateur CD 150
D'accord merci :)
Au moins les évents ne sont pas bouchés^^
Du coup à  par régler le ralenti, je ne sais plus quoi faire :/
On peut écarter le moteur non? normalement, qu'il y est beaucoup d'aspiration ou non, le mélange doit être le même toujours le même. Le problème n'est pas que le moteur ne démarre pas, c'est que le starter le fait caler et qu'il y a une mare d'essence au niveau de chaque papillon. Donc il semblerait qu'il y est trop d'essence :/ Mais, si je soulève le piston, le moteur devrait accélérer (trop riche) et non caler (trop pauvre).

Merci pour ton aide, c'est gentil :)
tommybolin

25/03/2019
01:09
re : Restauration carburateur CD 150
comme je disais, il faut déjà  remettre du ralenti puis tenter de régler ta richesse moteur en température (tout en corrigeant les vis de régime pour conserver le même ralenti)
Pour le moment, les gicleurs sont dévissés de trois tours mais ça ne signifie pas du tt que la richesse est correctement réglée à  la demande du moteur..
Tout ces tests ne sont pas à  réaliser moteur froid, cela n'indiquera rien et faussera les résultats
Moteur en température, en testant avec les goupilles le moteur peut très bien demander moins d'essence, en conséquence l'action sur les vis de richesse (revissage) pourrait très bien être suffisante pour éliminer l'excès d'essence présent dans les buses, si excès il y a :)
Paul

25/03/2019
13:52
re : Restauration carburateur CD 150
Bonjour :)
petites remarque du jour après quelques tests.

Si je passe à  -2 tours de richesse, il y a beaucoup moins d'essence au niveau des papillons. Par contre le ralenti peine à  monter (+2 tours de réglage papillons = 600 tours)
Sans toucher au réglage de ralenti, je remet de la richesse ) - 2,5 tours et le ralenti asse à  800 tours.

Le starter cale toujours le moteur dans les deux cas (moins je met de richesse et moins le starter est problématique). Je remarque que la partie starter ne bougeait pas le ralenti.. Je pense qu'il y a un point que je n'ai pas compris. J'ai fait un essai en mettant bien en bas la pièce du starter relié à  sa commande puis j'allonge la vis de réglage sur l'axe des papillons pour être à  1 mm. Désormais, quand je tire que le starter, le ralenti bouge mais vraiment un peu. Pas assez je pense.

Voila voila.
tommybolin

25/03/2019
18:39
re : Restauration carburateur CD 150
Bonjour Paul,
je pense que ton souci de starter vient de l'interco entre la came et la patte qui est reliée aux papillons
D'après ce que tu indiques, en position starter seules les barres rotatives entrent en action pour lever les pistons, donc enrichir le mélange.. mais les papillons ne s'entrebaillent pas ou peu pour donner du régime .. d'où les calages dus à  un mélange extra riche
Le jeu "STD" indiqué dans le manuel ne convient peut-être pas exactement aux pièces en place, il faudra donc (une fois la richesse correctement réglée moteur chaud) ajuster le régime en position starter (cette fois moteur bien refroidi) en jouant sur la vis en contact avec la came après déblocage de son contre-écrou pour obtenir environ 1200/1500 tours..

Cernant tes remarques : oui l'action sur les vis de richesse va influer sur le régime de ralenti d'où la nécessité de réajuster les vis de ralenti entre chaque réglage de richesse
Le test prioritaire à  effectuer entre chaque réglage de la vis de richesse, celui qui va conditionner les autres réglages est le contrôle du mélange à  l'aide de la goupille de levage => (obtenir un régime globalement stable quand chacun des pistons est levé d'1mm..)
As-tu procédé à  ce contrôle? cdlt :)
Paul

25/03/2019
22:21
re : Restauration carburateur CD 150
Merci pour toutes ces informations. J'apprends ! :)
Je vais regarder tout ça :)

Tu voudrais bien regarder si sur tes cd150 de première génération tu n'aurais pas toi également un peu d'essence au niveau des papillons? (Juste faire tourner à  froid 2 mins et soulevé un piston pour regarder avec une lampe). à‡a serait gentil, si ça se trouve c'est normale ^^

Merci :)
tommybolin

25/03/2019
22:43
re : Restauration carburateur CD 150
bonsoir Paul,
Ah ce sera difficile, ils sont rangés sur des étagères, bien au chaud dans des boîtes à  chaussures :))
mais de mémoire oui le "plancher" était toujours un peu humide
c'est normal puisque le cyl aspire l'essence présente dans le puits de gicleur
Paul

26/03/2019
02:02
re : Restauration carburateur CD 150
Tu ne les utilises plus?^^ tu as mis des su à  la place c'est ça? :P
tommybolin

26/03/2019
13:36
re : Restauration carburateur CD 150
Non, la GT est en cours de chantier pour installer l'injection Lucas, entre autres
les SU sont rangés au chaud SOUS les étagères.. dans la poubelle :o

Paul

26/03/2019
17:15
re : Restauration carburateur CD 150
Tu passes à  l'injection?? la même que sur les TR?
MDR pour les SU^^
tommybolin

26/03/2019
18:20
re : Restauration carburateur CD 150
Pour les SU.. je rigole bien sur ;)
Oui la même, le moteur est en config TR6, le fil est ici :
http://www.amicalespitfire.fr/cyberspit/index.php?lecture=252125&debut=0&recherche=gt6+PI+CONVERSION&rt=sg&page=1#252125
Paul

27/03/2019
01:50
re : Restauration carburateur CD 150
Bravo! :)
On quitte le à  peut prêt d'origine pour une bête enragé là  ! :)
Je serais curieux de voir ce que ça donne! :)
tommybolin

27/03/2019
20:06
re : Restauration carburateur CD 150
Merci Paul,
Plusieurs ici ont craqué à  l'appel du 2.5L.. :
Fred Clot, Géo42, JP Bourgoing, St-Cloud etc...
Ah le couple.. le couple..! :) mais gaffe à  la transmission.....
tommybolin

16/05/2019
18:58
re : Restauration carburateur CD 150
Bonjour Paul,
Je viens un peu aux nouvelles.. :)
à‡a tourne, à‡a freine.. ou toujours pas ?
As-tu finalement réussi à  ajuster les CD ?
cdlt :)
Paul

16/05/2019
19:08
re : Restauration carburateur CD 150
Bonjour tommybolin :)

Malheureusement c'est boulots boulots en ce moment :/
Sinon si il est normale qu'il y est un peu d'essence au niveau des papillons après 1 moins à  froid alors ça devrait le faire :) c'est juste ce point qui me préoccupe :/

Je te tien au courant :)
Paul

27/06/2019
01:29
re : Restauration carburateur CD 150
Bonsoir,

Bon @tommybolin, les nouvelles ne sont pas bonnes :(

J'ai du déplacer la GT à  un autre garage pour cause de déménagement (10 mins en ville).

=> ventilateur électrique ne se déclenche pas (j'ai du forcer le relais pour refroidir)
=> l'échappement sport double sorties latérales de chez rimmer fait un de ces bruit.. TROP.
=> le moteur est à  90° ventilateur électrique tournant (et ça peu continuer à  grimper)
=> les carbus sont inréglable. J'ai tourné dau moins un tour les vis de richesse et le régime ne change pas. Si je soulève un peu les pistons, ça tend à  caler..

Je commence à  en avoir marre c'est pas bon signe ^^ je voudrais en profiter un peu (1 an et demi que j'attends) et peut-être vous croiser!
tommybolin

27/06/2019
12:06
re : Restauration carburateur CD 150
Bonjour Paul,
Désolé pour tes ennuis récurrents :(
Tt pb a une solution, il n'y a pas de raison pour que cette GT ne fonctionne pas correctement .. elle n'est pas différente des autres
Il faut reprendre à  la base et recontrôler point par point
-s'assurer du bon calage de l'avance statique (environ 10°)
-As-tu correctement purgé l'air lors du remplissage du circuit de refroid avant de remettre le bouchon définitivement? sinon ça peut chauffer
-Le ventilo souffle-t-il bien dans le sens de marche & position/temp de déclenchement de la sonde correctes?
-Pour les carbus: comme déjà  indiqué, contact mis moteur coupé l'essence ne doit pas déborder du puis de gicleur donc agir sur le niveau des flotteurs pour obtenir ce point (si ok à  ce niveau, seulement ensuite procéder aux réglages)
Tu peux développer ccernant le pb de régime (est-ce en starter ou pas, moteur froid ou réchauffé?)
Moteur chaud & sans starter, si ça tend à  caler quand tu soulèves un poil le piston, ça indique que c'est réglé trop pauvre donc il faut dévisser/descendre les gicleurs
-Les barres rotatives de starter ne dépassent-elles pas du pont de carbu quand le starter est enlevé à  fond? (en cas de mauvais positionnement, elles pourraient venir lever les pistons donc enrichir malencontreusement au ralenti)
-Idem ccernant la grande came entrebaillant les papillons en position starter : starter enlevé existe-t-il bien un espace entre la came & la vis de contact ?
-(Retire aussi le filtre installé sur le tuyau de respi du réservoir pour procéder aux divers essais de carburation)
Courage, il n'y a pas de raison ça doit fonctionner
Paul

27/06/2019
15:52
re : Restauration carburateur CD 150
Je me demande si je n'aurais pas du mettre des su comme presque tous m'ont indiqué des mettre (refabriqué, développé, etc). Au finale ils m'auront coûté bien cher ces stromberg de première génération.

Tout semble OK sur mes carbus. Sauf qu'il y a toujours un peu d'essence qui stagne derrière les pistons alors qu'au réglage si on suit la procédure, il faut augmenter la richesse.
Autre info, le moteur ne démarre pas sans starter. Il faut mettre un peu de starter puis de suite l'enlever sinon le moteur veut caler.

Pour le ventilateur oui il souffle dans le bon sens ^^
C'est le contrôleur sur ne fonctionne pas.

Qu'en penses-tu ( et vous)? Je change les carbus et tant qu'à  faire pour des su?

Merci.
tommybolin

27/06/2019
16:59
re : Restauration carburateur CD 150
Paul, le souci ne vient pas du type de carbu.. Les Stromberg (comme les SU) fonctionnent très bien et ont équipées un tas de marques réputées et même Mercedes (la 190!)
Perso+ de 100K Km avec ce type de carbus par tous les temps sans aucun pb... démarrage nickel le matin, ralenti stable, etc.. et pourtant ils n'étaient pas révisés à  100% :)

Le moteur froid a normalement besoin de starter
Le moteur se réchauffant, si ça persiste c'est qu'il y a un souci ! : soit le starter n'est pas correctement ajusté (la fameuse came d'ouverture papillons dont la vis de contact est mal réglée) ou alors il y a une prise d'air qque part sur les joints de pipe et/ou carbus ou encore tu es réglé excessivement pauvre en richesse

(moteur froid , starter mis à  fond, lors du démarrage actionner la biellette des papillons à  la main pour les ouvrir progressivement un poil plus et observer l'effet produit sur le régime moteur : si le régime tend à  grimper ok alors il faut dévisser un peu la tête de vis de came de starter.. à€ l'inverse, si le moteur cale encore plus tôt, revisser la tête de vis pour réduire l'entrebaillement des papillons.)
Contact mis & donc pompe électrique en tension, si cette dernière ne cliquète plus du tout après qques min c'est que le circuit est étanche donc pointeaux ok
à€ ce point, le niveau d'essence ne doit pas déborder du puis de gicleur comme je disais + haut
Normal que ça déborde ensuite moteur tournant..
Si le constat est ok, procède ensuite aux réglages de richesse en utilisant la goupille de carbu sans tenir compte de l'essence présente dans le conduit pour orienter ton réglage :)
Pour le thermo du revotec, virer et monter un switch classique (82/68°) sur la durite inférieure (bastuck par ex)
cdlt :)

obiwan

27/06/2019
20:14
re : Restauration carburateur CD 150
J'ai refait mes carbu première génération comme les tiens
aucun soucis
Voir le réglages des flotteurs ..
La synchronisation ok ?
effectivement le mauvais réglage des barres rotatives de starter influ sur la suite.
J' ai repris deux a trois fois la totalité des réglages des carbus pour que cela sois ok
Bon courrage
Paul

28/06/2019
02:31
re : Restauration carburateur CD 150
Merci à  vous :)
Je m'y remet la semaine prochaine.

@Obiwan, petite question. Moteur froid, après lavoir fait tourner 1 minutes, as-tu de l'essence derrière tes pistons de carbus? (Au niveau des papillons).
Perso j'ai toujours une petite flaque d'essence à  cet endroit. Il serait très intéressant que l'on puisse affirmer que c'est normal ou non^^

Merci beaucoup :)
tommybolin

28/06/2019
12:36
re : Restauration carburateur CD 150
Bonjour,
- Le point principal à  régler en premier c'est le centrage des gicleurs...
Si les aiguilles collent, même un peu..., il sera impossible de régler quoi que ce soit ensuite (richesse, ralenti etc..)
Difficile de décrire par des mots le bruit que doit faire le piston de carbu en retombant sur le pont, mais par ex cette video en donne un aperçu très fidèle (+ la technique qui va bien pour y parvenir.. même principe que ce soit SU ou Stromberg )
Le gicleur doit bien sûr être monté au niveau du pont ou à  défaut au maxi pour effectuer l'opé
et aussi le bouchon/amortisseur d'huile ne doit pas être en place sur le carbu, sinon impossible d'obtenir le "bon son"...
http://www.youtube.com/watch?v=sxVFCY_1aSA
Ensuite synchro statique/dynamique des papillons, des barres rotatives de starter puis moteur chaud réglage richesse & régime en même temps et quand tout est ok, au final réglage de la vis de came de starter à  froid
Bon courage :)

Paul

28/06/2019
13:14
re : Restauration carburateur CD 150
Bonjour,
le centrage pour moi est bon :)
La syncho est faite, etc. En suivant le procédé que tu m'as indiqué à  la lettre :)

Je vous fais une photo dès que je suis à  côté de la capricieuse :)
Paul

29/06/2019
01:24
re : Restauration carburateur CD 150

Et voici :)
Paul

29/06/2019
01:27
re : Restauration carburateur CD 150

Encore ^^
Paul

29/06/2019
01:28
re : Restauration carburateur CD 150

Une dernière.
tommybolin

30/06/2019
11:38
re : Restauration carburateur CD 150

Bonjour Paul,
capricieuse... mais pimpante :)
Pense à  revisser assez loin la vis de came starter (photo) lors du réglage de richesse; Chaque intervention à  ce niveau ayant tendance à  modifier le régime de ralenti, il sera nécessaire de réajuster ce dernier à  environ 700/800trs (via les vis de régime au dessus) avant chaque contrôle du mélange à  l'aide de la goupille..
Si la vis reste comme elle est, lors de ces ajustements de ralenti un éventuel contact avec la came de starter aurait pour effet de bloquer la fermeture du papillon

Après réglage richesse/ralenti , rerégler la vis de came :
Starter repoussé, le réglage de base du jeu présent entre la tête de vis & la came est "en principe" donné pour 1,5mm, mais ne pas se focaliser sur cette valeur absolue...
Les pièces du mécanisme ayant un peu de bouteille.., l'essentiel est de conserver au minimum un certain jeu ici lorsque le starter est correctement réglé "à  l'oreille"
cdlt :)
Paul

30/06/2019
15:37
re : Restauration carburateur CD 150
Bonjour tommybolin,
merci beaucoup :)

Tu fais bien de me rappeler de réajuster la vis de starter après réglage du ralenti :)

Quelques remarque de mon coté. La tête de delco (noir) a tendance à  ne pas se positionner au millimètre prêt.. Est'ce que cela peut avoir une importance sur l'avance?
Quand j'ai voulu déplacer la GT et que j'ai voulu faire la richesse une fois que le moteur était chaud, 1 tour de visse de richesse n'a absolument pas changé le ralenti. Il me semble pourtant que cela doit être flagrant non?^^

Merci beaucoup :)
Paul

30/06/2019
15:37
re : Restauration carburateur CD 150
Bonjour tommybolin,
merci beaucoup :)

Tu fais bien de me rappeler de réajuster la vis de starter après réglage du ralenti :)

Quelques remarque de mon coté. La tête de delco (noir) a tendance à  ne pas se positionner au millimètre prêt.. Est'ce que cela peut avoir une importance sur l'avance?
Quand j'ai voulu déplacer la GT et que j'ai voulu faire la richesse une fois que le moteur était chaud, 1 tour de visse de richesse n'a absolument pas changé le ralenti. Il me semble pourtant que cela doit être flagrant non?^^

Merci beaucoup :)
tommybolin

30/06/2019
23:36
re : Restauration carburateur CD 150
Pas de souci car il y a un cran détrompeur sur la tête donc normalement ça ne bouge pratiquement pas
à‡a ne joue pas sur l'avance mais sur la mise en phase rotor/plot de tête
(ce qui peut indirectement jouer sur l'avance sur ces modèles c'est un décollement avancé du caoutchouc reliant l'amortisseur de vibration (portant les graduations d'avance) à  la poulie du vilo..
C'est pas fréquent mais ça se produit parfois... : en conséquence la couronne portant les graduations se décale un peu en rotation par rapport à  la poulie =>
la lecture du PMH & des graduations d'avances n'est plus correcte
Donc bien s'assurer que lorsque le repère 0 et le pointeur de carter distri sont alignés, .. le piston N°1 est bien au sommet de sa course... )

Pour la richesse, pas forcément flagrant , mais en principe il y a qques corrections à  apporter sur le régime lors du réglage;
ça peut dépendre aussi du dévissage: s'agit-il bien d'1 tour complet réel & non d'1 seul demi-tour lequel aura moins d'effet ?
En tout cas, si le contrôle à  la goupille à  tendance à  faire caler, cela indique que le moteur est probablement en demande d'enrichissement.. :)
Paul

15/07/2019
17:44
re : Restauration carburateur CD 150
Bonjour :)

Bon je n'ai pas pu encore m'y mettre (déménagement qui dur..) donc pas de retour désolé.

J'ai reçus un support de sonde bastuk avec une nouvelle durite inférieure => il y a 2mm de différence entre le diamètre intérieur de la durite et le diamètre extérieur du support de sonde. Vous avez eu la même chose??^^
Pour moi ça n'est pas normale, ça devrait presque tenir tout seul.


Je vais regarder l'avance (moteur chaud) et les compressions (ça pourrait jouer sur les carbus?).

Autre petite question, ma clé dynamo classique ne passe pas sur les écrous de pipe supérieurs (mais pas de soucis pour les inférieur pipe/collecteur). Qu'est-ce que vous utilisez comme clé ?

Du coup ça était serré à  la mano par comparaison avec les écrous serré par clé dynamo. C'est une piste aussi.


Merci :)
Paul

15/07/2019
18:59
re : Restauration carburateur CD 150
Cela a été serré à  la mano **
tommybolin

16/07/2019
16:15
re : Restauration carburateur CD 150
Bonjour Paul,
2mm au total, ça fait 1mil au rayon, en principe pas de souci
ce sera facilement éliminé avec le serrage du collier :)

Pour l'avance contrôle d'abord cette histoire de caoutchouc de damper pour être certain que le repère de PMH est correctement positionné
Oui bien sûr l'avance doit être contrôlée avant d'entreprendre tout réglage carbu
Essaie un calage statique sur 8/10° "before" ou avec la strobo mais à  un ralenti faible (environ 600trs) pour éviter l'entrée en action des ressorts d'avance centrifuge

Pour les écrous de pipe, un serrage correct manuel & surtout progressif sur tous les écrous est suffisant (pas un "gros"serrage sur ces écrous)
Tu peux utiliser une clé à  rotule ou un assemblage rallonge+cardan pour accéder + facilement
cdlt :)

Paul

20/07/2019
11:48
re : Restauration carburateur CD 150
Bonjour,
Bon les tests de compressions à  froid semble pour moi correct (voir ma publication sur la compression gt6+). J'attends quand même des avis :)

Voici la gueule de mes bougies. Elles ont déjà  roulé quelques centaines de kilomètres avec les anciens carbus "dépollué".
Je les ai nettoyé et j'ai du faire 5 km en ville avec les fameux nouveaux carbu de première génération.
Je trouve que les bougie sont un peut noir surtout la dernière qui a un peu d'huile dans son pas de vis (il n'y a pas de fuite aillant coulé dessus pourtant).
Paul

20/07/2019
11:51
re : Restauration carburateur CD 150

Première bougie à  gauche.
Paul

20/07/2019
11:51
re : Restauration carburateur CD 150

Dernière bougie à  droite :)
tommybolin

20/07/2019
17:17
re : Restauration carburateur CD 150

Bonjour Paul,
Effectivement les compressions sont plutôt bonnes & équilibrées
Ccernant les bougies,
on peut difficilement juger sur 5km de parcours en ville
il faut déjà  régler la richesse à  l'oreille (goupille ;) puis éventuellement jeter un oeil aux bougies ensuite après avoir roulé sur route ouverte pendant un moment
Le simple fait de revenir au ralenti suffit à  modifier la couleur..
En principe pour tester la couleur on doit couper l'allumage (contact à  clé!) moteur en régime... : choisir une voie peu fréquentée et gaffe au neiman!!!
D'après les photos, pour moi c'est pauvre.. la 5 serait "la mieux" mais ça manque encore de coloration sur le bec de l'isolant (tabac+)
Les dépots de suie inégaux visibles à  la base sur certaines pourraient être la conséquence d'un fonctionnement prolongé au starter ou à  bas régime (+ si par ex le starter est réglé trop riche, cà d papillons pas assez entrebaillés starter tiré)
cdlt :)

Paul

03/08/2019
19:36
re : Restauration carburateur CD 150
Bonjour,

Bon je viens enfin de recevoir le bon support de sonde bastuck après 1 mois d'attente !! Et effectivement la première pièce n'avait vraiment pas le bon diamètre...

J'ai quand même du finir la pièce car la partie fileté était coupé de travers.. Et j'ai du mettre 2 joints cuivre (ça se fait???)pour éviter que la sonde n'aille trop loin. La qualité bastuck ça dépend vraiment des pièces qu'on achète. Comme casi tous les vendeurs.

Maintenant je change la sonde et je pourrais faire tourner le moteur tranquillement^^
tommybolin

03/08/2019
22:29
re : Restauration carburateur CD 150
Bonsoir Paul,
Malheureusement de nos jours tout est souvent en "finition kit"... : ébarber, dresser ici, redresser là , engueuler le fournisseur, le redresser ici & là  etc..... :)
il faut tout inspecter & souvent finir le travail soi-même :(
(oui en principe ça devrait aller pour les joints)
cdlt :)
Paul

03/08/2019
23:51
re : Restauration carburateur CD 150
Et voici 2 photos pour ceux que ça intéresse. La pièce est bien soudé mais prévoir 1h pour ajouter l'emplacement du joint cuivre à  la lime (vraiment mal coupé) et prévoir deux joints cuivre pour éviter que la sonde n'aille trop loin.
Paul

03/08/2019
23:52
re : Restauration carburateur CD 150
Avec sonde.
Paul

03/08/2019
23:52
re : Restauration carburateur CD 150

Avec sonde.
Paul

03/08/2019
23:53
re : Restauration carburateur CD 150

Intérieur.
Paul

03/08/2019
23:59
re : Restauration carburateur CD 150
Il y a beaucoup de débit en sortie de radiateur? Car il ne fait pas que la sonde ralentisse de trop le fluide.
tommybolin

04/08/2019
09:49
re : Restauration carburateur CD 150
Bonjour Paul,
Vu les photos, la finition d'origine n'est pas extra.. (à  l'intérieur) :
visiblement il reste un peu d'ébarbage à  faire à  l'intérieur autour du raccord..
Idéalement la face de la sonde devrait venir au plus près de la paroi du tube afin de limiter les turbulences mais ça devrait aller..
1606 gravé sur le corps: c'est une sonde de marque Angli??
Si oui les temp de déclenchement ne sont pas adaptées (95/88°)
La temp doit être gravée qque part dessus
cdlt :)
Paul

04/08/2019
10:35
re : Restauration carburateur CD 150
Oui :/ je voulais du revotec au départ mais introuvable en m22/150...
C'est bien une sonde 82/68 :) pareil introuvable en plus petit. Enfin pour moi^^ si jamais vous connaissez un revotec m22 ou une sonde plus petite n'hésitez pas :)
Paul

04/08/2019
10:36
re : Restauration carburateur CD 150
Bonjour tommybolin :) **
Paul

04/08/2019
11:47
re : Restauration carburateur CD 150
Je vais prendre une sonde m14 82/75 degré par exemple avec un support revotec.

Pour info bastuck dans son kit fournissent une sonde qui se déclencherait à  87 degré. à‡a commence à  être chaud, peut-être que pour ventilateur additionnel de secours.
tommybolin

04/08/2019
19:35
re : Restauration carburateur CD 150
Oui 87 ça fait beaucoup pour montage en bas
Autre option : tu portes ton tube bastrok dans un atelier de chaudronnerie local spécialisé inox pour faire souder une rondelle épaisse inox sur la portée existante du switch de façon à  décaler ce dernier & ainsi mieux dégager le conduit intérieur
+ nettoyage de la portion du raccord d'origine qui dépasse dans l'alésage l'intérieur... :)
Paul

04/08/2019
20:35
re : Restauration carburateur CD 150
Bon je vais y réfléchir :)
82° en sortie ça doit bien faire du 90° en entré ? Pas trop pour un moteur des années 50?^^ :)
tommybolin

04/08/2019
23:06
re : Restauration carburateur CD 150
Perso utilisé ss souci +80K km avec un 82/68 : mise en action rare uniquement dans les ralentissements prolongés avec moteur bien chaud
De mémoire déclenchement avec aiguille pas tout à  fait sur le 1er trait à  droite
et retour rapide aiguille un poil sous le trait milieu
Action moteur chaud coupé plusieurs sec :)

Alternativement il existe aussi une sonde en 75/70° filetage 22X150


Paul

04/08/2019
23:28
re : Restauration carburateur CD 150
J'ai commandé un porte sonde digne de se nom pour gère plus cher mais en m14.
Du coup je pense prendre la sonde de BMW m14 en 82°/75°. Qu'en penses-tu?

Merci :)
tommybolin

04/08/2019
23:49
re : Restauration carburateur CD 150
Oui c'est proche, de toute façon c'est à  tester sur la voiture :)
Il coupe + tôt à  75, voir si ce sera suffisant pour refroidir & sans déclencher trop souvent
Paul

07/08/2019
00:02
re : Restauration carburateur CD 150
Bon alors concernant l'avance. Je suis à  6 before.
Au point 0, c'est à  peu près le moment où la première soupape arrive en haut et la seconde descend. Pas facile d'être précis. D'ailleurs je viens de découvrir que sur un piston, la seconde soupape commence à  descendre alors que la première soupape est presque en haut. Je ne pensais pas que les deux était en mouvement en même temps à  un moment.
Paul

07/08/2019
00:25
re : Restauration carburateur CD 150

Je cru lire plusieurs fois que à  droite face à  la poulie c'était after et non before ^^
jean (02) *

07/08/2019
07:36
re : Restauration carburateur CD 150
Bonjour,
quand on est à  la place du conducteur, le moteur tourne vers la gauche, donc s'il y a étincelle quand le trait blanc passe devant l'ergot, c'est bien de l'avance.
Jean
Paul

07/08/2019
08:43
re : Restauration carburateur CD 150
Bonjour,
Ah c'est place conducteur cette fois ! :) ^^
jean (02) *

07/08/2019
10:19
re : Restauration carburateur CD 150
Quant aux soupapes, il est normal qu'elles commencent à  s'ouvrir avant leurs phases correspondantes, ça s'appelle l'avance à  l'ouverture admission AOA, et avance ouverture échappement AOE. Idem pour le retard à  la fermeture RFA et RFE.
Plus on veut qu'un moteur tourne vite (pour avoir davantage de puissance) , plus l'arbre à  came doit être "rond" et on augmente alors les valeurs d'avance à  l'ouverture et de retard à  la fermeture.
Qu'on corrige mes propos si je me trompe.
Jean
Qui

07/08/2019
13:43
re : Restauration carburateur CD 150
6 degres, c est avec un moteur neuf.
La realite est souvent un peu a cote, tous jeux cumules.
tommybolin

07/08/2019
16:15
re : Restauration carburateur CD 150
Bonjour Paul,
-1er point à  vérifier: le point le + haut du déplacement du piston(PMH) (en fait le point médian entre son arrêt & le début de descente) correspond-il bien à  l'alignement du trait gras sur la poulie avec le pointeur du carter ?
-L'écartement maxi des vis sur l'une des pointes de la came d'allumeur est-il à  0,40mm? (à  faire avant contrôle de l'avance)
-Essaie de régler à  10° before au lieu de 6° (s'il y a du cliquetis en accélération, il sera toujours possible de réduire l'avance)
-Tu règles ton avance comment? statiquement avec une ampoule ou avec une lampe strobo?
Dans le 2è cas, baisser momentanément le ralenti à  600trs avant de régler..
cdlt :)
Paul

07/08/2019
18:19
re : Restauration carburateur CD 150
Bonjour,
D'accord merci pour vos retours :)
Pour le piston, c'est vraiment pas évident via les soupapes car un rien fait bouger le vilo, les soupapes.
Il faut vérifier par la bougie?
Pour la pointé à  came de l'allumeur, je ne connais pas. J'ai un allumage électrique, ça enlève le problème non ? :)
La dernière fois j'ai réglé à  la strombo :)
tommybolin

07/08/2019
21:57
re : Restauration carburateur CD 150
Oui vérifier par le trou de bougie, pas par le mouvt des soupapes
Pour l'écartement sur une pointe de came : oui pas besoin si tu as un Accuspark ou autre allumage électronique :)
Pour l'avance à  la strobo: à  contrôler avec la capsule d'avance à  dépression débranchée (la capsule de retard étant définitivement déconnectée & son piquage sous le carbu définitivement bouché hermétiquement pour éviter tte prise d'air)
cdlt :)
Marco0307

11/08/2019
19:54
re : Restauration carburateur CD 150

Bonsoir,

Paul, je me permets de faire un léger HS sur ton post :
Mon moteur étant démonté, quelqu'un connait-il les pièces de la tringlerie à  changer pour passer d'un CDSE > CD?
Je suis en train de voir avec Dyngo pour éventuellement lui prendre les autres CD150 qu'il t'avais proposés (et divers autres pièces).
- La pédale elle-même à  l'air différente (rouge)?
- l'"Axe" (vert) et le pièce bleue semble similaire mais les réfs ne sont pas les mêmes, donc probablement différentes.

Si tout est vraiment différent, j'envisagerai plutôt une modif. comme celle de Tonton ou Paul.

Merci à  vous et bon courage Paul (je ne suis pas d'une grande aide mais je suis attentivement ton sujet).

Marco
Paul

11/08/2019
20:52
re : Restauration carburateur CD 150
Salut Marco,
Oui si tu ne veux pas te prendre la tête comme moi, le plus simple c'est de virer la tringlerie us entre les carbus et prendre la tringlerie plus simple européenne.
Normalement il te faut juste la pièce 23 flèche bleu et la pièce 25 reliant au carburateur "maitre" (+ réglage).
:)
Paul

11/08/2019
21:19
re : Restauration carburateur CD 150
Salut Tommybolin :)
Bon la nouvelle sonde (BMW 6 cyl pour le clin d'œil) est en place.
Quelques remarques du jours : ^^
Le tube en plastique reliant le carburateur à  l'allumage est fondu suite au 10 mins de route de dernièrement.. ^^
Vous utilisez quoi pour relier le carburateur à  l'allumage ? ^^
J'ai mis les nouvelles bougies que j'avais (ngk bp6es à  la place de bp5).
Le premier piston est bien en haut quand la poulie est au point médian. (C'est pas à  + ou - 2).
Paul

11/08/2019
21:22
re : Restauration carburateur CD 150
Ah et dans la doc que j'ai, il y est indiqué de bien régler le moteur à  800/850 tours/min avant réglage de l'avance ^^
J'ai compris pour tu indiques de diminuer mais pourquoi débrancher la dépression sur l'allumage? Pour la même raison, pour être sur de?
tommybolin

11/08/2019
22:17
re : Restauration carburateur CD 150
Salut Paul,
Ah.. le tuyau a fondu en contactant l'échappt ?
c'est en principe du rilsan rigide de très petit diamètre pour permettre une bonne réactivité de la commande à  dépression (chez Datch ils ont je crois)
Ccernant l'avance: oui diminuer le régime de ralenti vers les 600/700trs pour être sûr de respecter la valeur du calage statique
(à€ un régime un peu + élevé, le système d'avance centrifuge de l'allumeur risque de se mettre en action et donc risque de décaler le réglage de base & sa lecture à  la strobo sur la poulie)
Dans le même ordre d'idée: pour être certain que l'avance à  dépression n'interfère pas dans le calage de base, débrancher son tuyau & boucher la prise d'air ainsi créée au carbu afin de conserver un ralenti stable pendant l'opé

Bon,J'ai jeté un oeil à  la courbe de l'allumeur US: oublie les 10°en statique comme j'avais suggéré & cale plutôt à  6° comme c'est indiqué
(Ensuite tu pourras relever le ralenti à  800trs)

Paul

11/08/2019
23:14
re : Restauration carburateur CD 150
à‡a a fondu/déformé en touchant la culasse.. :/
Merci pour l'info c'est gentil :) même si je ne sais pas où tu as trouvé ça ^^
Tontongbx

12/08/2019
11:34
re : Restauration carburateur CD 150
Bonjour

@ Marco 0307, pour la tringle, c'est en effet assez différent entre les deux versions. En plus de la pièce 14 du schéma que j'ai refait, j'ai aussi du "plier" légèrement l'axe de la pédale pour avoir le bon débattement.

Quand j'avais fait la modif, j'avais contacté Dyngo et il avait une tringle d'accélérateur complète pour CD150. Mais pour le remplacement, il fallait sortir le moteur... Du coup, j'ai fait la modif!

Si tu es en discussion avec lui, demande toujours pour la tringle qui va bien, elle est peut être toujours à  vendre...
Marco0307

12/08/2019
11:46
re : Restauration carburateur CD 150
Bonjour,

Merci à  vous deux pour vos réponses.
J'ai demandé à  Dyngo pour la tringle.

Amicalement,

Marco
Paul

31/08/2019
23:42
re : Restauration carburateur CD 150
Bonsoir,

Nous sommes bien d'accord que sur la gt6, la zone before est à  droite du 0 face à  la poulie ?

Car je viens de relire que sur la Spitfire, le before est à  gauche du 0 face à  la poulie.

Merci :)
jean (02) *

01/09/2019
08:48
re : Restauration carburateur CD 150
ben non, les moteurs spitfire ou GT6 tournent dans le même sens, anti-horaire vu du conducteur. Donc le before est à  droite du zéro en regardant le dessus de la poulie.
Jean
tommybolin

01/09/2019
09:12
re : Restauration carburateur CD 150
Bonjour Paul,
L'inversion de lecture vient du fait que l'échelle de lecture est fixe sur la Spit (enfin c'est le cas sur mk4 & 1500), alors qu'elle est mobile & placée sur la poulie sur GT6:
En se mettant devant, face à  la poulie, le moteur tourne sens horaire et lors du réglage strobo sans déphasage, il faut tourner le delco pour que ton repère 6° de la zone BEFORE donc situé à  droite du trait de PMH/0 comme repéré sur ta photo, vienne s'aligner avec la tranche gauche(rectiligne) du pointeur du carter de distribution
De ce fait, le point d'allumage déterminé par le flash strobo se produit bien AVANT que le trait repère du PMH/0 sur la poulie n'atteigne le pointeur de carter = Avance
cdlt :)
Paul

01/09/2019
10:31
re : Restauration carburateur CD 150
Merci à  vous :)
Deux petites questions.
Combien de temps pour que la gt6 soit chaude? Car la température de l'eau n'est pas celle de l'huile ^^

Dois-je boucher les tétines à  dépression sur le delco? Aujourd'hui j'en ai une sur le premier carbu et l'autre à  lair libre. Sauf erreur de ma part, je n'ai qu'une seule tétine sur le duo de cd150 de première génération.

Merci :)
tommybolin

01/09/2019
11:20
re : Restauration carburateur CD 150
-L'aiguille du thermo étant proche de la position verticale
-Non, pour effectuer le réglage pas la peine de boucher les tétines côté delco car elles ne sont pas en contact direct avec la dépression moteur
-Juste momentanément boucher la tétine du carbu AV lors du réglage de l'avance
(Au fait Re-ccernant les valeurs de déclenchement de ton nouveau thermocontact de ventilo :
c'est bien indiqué/gravé 82-75° sur la pièce et non 75-82° ?)
Paul

01/09/2019
19:45
re : Restauration carburateur CD 150
D'accord :)
C'est une sonde en 82-75° pour 6cyl bmw :)
marcoO307

22/03/2020
22:26
re : Restauration carburateur CD 150
Bonsoir Paul,

J'aimerais potentiellement "rebaguer" les alésages des axes des papillons comme tu l'as fait. Aurais-tu encore ton alésoir et si oui, serais-tu intéressé pour me le céder ou prêter?

Bonne soirée,

Marco
Paul

23/03/2020
01:32
re : Restauration carburateur CD 150
Bonsoir,
Non désolé je ne lai plus :/
MarcoO307

23/03/2020
09:46
re : Restauration carburateur CD 150
Bonjour Paul,

Pas grave. Merci pour ton retour.
Je pense que je vais du coup laisser en l'état.
Le jeu est minim (quasi imperceptible).

@+

Marco
Philippe67 *

23/03/2020
10:57
re : Restauration carburateur CD 150

@ MarcoO307 et aux autres,

Pour compenser un jeu minime après remplacement des axes + papillons sur mes CD 150 S j'ai mis des joints de queue de soupape de Mini (que j'avais sous la main). Il y a juste les petits épaulements pour les tenir sur le corps du carbu.
C'est un peu du "bricolage", mais ça fonctionne. A peu près 4500km depuis.
Nota : coté ressort de rappel, c'est un peu juste. S'assurer que le retour de l'axe se fait bien après avoir monté le joint

Philippe67
Philippe67 *

23/03/2020
10:59
re : Restauration carburateur CD 150

Coté ressort de rappel

Philippe67 *

23/03/2020
11:01
re : Restauration carburateur CD 150

Autant pour moi, je voulais dire carbu arrière.
Voilà  la photo coté ressort de rappel
Philippe67 *

23/03/2020
11:04
re : Restauration carburateur CD 150
Bon, évidement, contrairement à  ce que j'ai écrit plus haut, ça ne compense pas le jeu. Mais seulement son effet néfaste sur l'étanchéité au niveau de l'axe.
Philippe67
MarcoO307

23/03/2020
12:05
re : Restauration carburateur CD 150
@Philippe67: Merci Philippe.J'aime bien aussi cette solution pour au moins limiter le passage de l'air. Je la garde sous le coude.

@Paul : bon finalement ça me "tracasse" de laisser en l'état. Pourrais-tu me donner quelques précisions stp :
- te rappellerais-tu de l'alésoir que tu as acheté pour pouvoir monter les bagues de chez James Paddock? Si tu as un lien je suis preneur.
- la partie de la bague où vient se loger le joint ne t'a pas posé de problème avec les ressorts ou divers éléments qu'il y a en bout d'axe?

Bonne journée à  tout le monde !

Marco
MarcoO307

23/03/2020
14:46
re : Restauration carburateur CD 150
@Philippe : je me suis un petit jeu de joints de soupape pour voir ce que cela peut donner.

Marco
Paul

25/03/2020
01:05
re : Restauration carburateur CD 150
Salut Marco,
L'alésoir c'est toute une histoire.. si tu as du bon matos, un alésoir pas de soucis. Si tu y vas à  la perceuse comme moi, il faut utiliser l'alésoir à  l'envers. Comme ca tu passes la queue dans le club et ça va guider le perçage.
Le problème c'est qu'il faut allé voir un tourneur pour que la queue soit au même diamètre que l'axe des papillon..

Sinon pas de soucis au remontage. Il faut enlever de la matière sur le carbu pour que la nouvelle pièce ne sorte pas plus du carburateur (voir les photos).
marcoO307

25/03/2020
10:01
re : Restauration carburateur CD 150

Bonjour Paul,

J'ai un peu de mal à  voir comment cela se termine (et je n'arrive pas non plus à  bien voir sur les photos) : sur les bagues en photo il y a l'alésage dans lequel il y aura l'axe puis la partie de plus grand diamètre où il y a le joint.

Cette partie où il y a le joint doit-elle également être insérée dans le carbu (signifiant alors 2 alésoirs)?

Ou alors je n'ai rien compris ... ce qui est possible aussi :-)

@+

Marco
Paul

25/03/2020
10:40
re : Restauration carburateur CD 150
Bonjour :)

C'est ton option deux :)
Normalement, tu peux limer le surplus de carbu pour que la nouvelle pièce vienne se mettre à  la place :)
Comme ca pas de problème de sur épaisseur.
A noter également que la matière qui composent les carbu n'est pas très solide solide. Donc il ne sert à  rien de laisser un demi millimètre de matière. Donc je te conseille d'y enlever proprement :)
Paul

25/03/2020
12:50
re : Restauration carburateur CD 150

Si je ne dis pas de bêtise, ca doit faire ca.Tu remplaces la "tétine" du carbu par la nouvelle pièce et les diamètres doivent correspondre de mémoire.
Paul

25/03/2020
12:56
re : Restauration carburateur CD 150

Il me semble que j'ai viré ca, à  la lime. Encore une fois, les diamètres doivent correspondre (ce que tu enlèves et la nouvelle pièce).
=> bien vérifier que la nouvelle pièce tient bien en profondeur une fois le carbu raboté ^^ moi c'était bon.
=> il ne faudra percer qu'à  la profondeur nécessaire => ne pas agrandir le trou coté papillon pour ne pas créer un passage d'air autour du papillon..
MarcoO307

25/03/2020
13:26
re : Restauration carburateur CD 150
@Paul : OK je comprends mieux avec l'histoire du coup de lime et comme je n'ai pas les bagues je ne connais pas se dimensions : mon schéma est aléatoire d'un point de vue dimensionnel.

Merci beaucoup.
Je me permets d'abuser : as-tu le lien vers l'alésoir que tu as pris?

Sinon petit HS : où en es-tu de ton train arrière?

@+

Marco
Marco0307

06/04/2020
10:20
re : Restauration carburateur CD 150

Bonjour à  tous,
Petit retour sur la mise en place de joint de queue de soupape sur les carbu CD150 (réf du joint : VICTOR REINZ 70-26546-00) :
- côté où il n'y a pas les ressorts : impeccable.
- côté ressort ça se complique un peu. Pour pouvoir passer le ressort j'ai été obligé de ne garder qu'une partie du joint en enlevant la carcasse métallique. Contrairement à  Philippe je n'ai pas pu le mettre complètement à  côté du ressort car sinon la "patte" ressort n'était plus assez longue pour venir se bloquer contre le carbu. J'aurais peut-être plus modifier cette patte pour qu'elle soit plus longue.
Globalement ça à  l'air pas mal et dans mon cas surement suffisant et mieux que rien.
Le retour du papillon est légèrement freiné mais rien d'excessif.
NicolasG *

07/04/2023
15:45
re : Restauration carburateur CD 150
Bonjour,

après refection des 2 carburateurs CD150 Stromberg par B2H, je recherche le réglage de base avant d'affiner.

Nombre de tours de la visse de richesse après l'avoir positionné bloqué en point haut.

Nombre de tours de la visse de ralenti.r

Merci.
tommybolin

07/04/2023
16:41
re : Restauration carburateur CD 150
Bonjour Nicolas,
Règle la vis de richesse pour que le gicleur vienne juste en contact avec le dessous du piston (pas vissé au max) puis desserre de 3 tours complets.
C'est le réglage de base permettant de démarrer pour ensuite affiner en se servant de la goupilles de levage sous chaque carbu.
Pour les vis de ralenti : dévisse à fond jusqu'à la fermeture totale des papillons, puis revisser jusqu'au point de contact de la vis avec le corps du carbu.
À partir de cette position visser de 2 tours supplémentaires . Ensuite ajuster pour obtenir le régime adéquat.
cdlt:)
NicolasG *

07/04/2023
17:18
re : Restauration carburateur CD 150
Bonjour Tommy,

Merci encore une fois pour les précieuses infos. Je teste demain.

Bonne après-midi.
Paul

03/05/2024
08:47
re : Restauration carburateur CD 150
Bonjour à tous,

J'espère que vous allez bien :)

Est-ce que vous pouvez me confirmer que les flotteurs de cds sont à régler entre 16 et 17mm du palier de joint?


En vous remerciant.
Bonne journée!
tommybolin

03/05/2024
18:50
re : Restauration carburateur CD 150

Hello Paul,
Les infos divergent selon les sources et le type de flotteur.. mais en tout cas le réglage s'effectue sans le joint en place.
Le manuel usine indique 18mm, Chris Witor (ayant une solide expérience des CD), également, il conseille même 19mm en cas de perte constatée lors des freinages.
Le manuel usine indique 16-17mm pour les CDSE dépollués, mais sur ces modèles le flotteur plastique est spécifique comparé à celui des CDS. (position du/des bras+fixation clipsée)
Sur Howcarworks.com, reprenant les séquences issues de revues tech non usine, la différence flotteur plastique/plein en mousse est précisée. Selon eux :16-18mm pour les versions plastiques et 18,5-19,5mm pour les versions pleines..
Perso pas de souci avec 18 mais c'était la version mousse, à voir ;)
(photo des 2 versions plastiques)
Paul

04/05/2024
11:32
re : Restauration carburateur CD 150

Hello,

Mince, j'ai réglé à 16.5mm comme indiqué dans pas mal de doc.

J'ai des flotteurs blanc refabriqués comme sur la photo.

Quels vont être les symptômes si flotteurs trop haut?

Trop riche, ratatouille, etc?

Merci :)
tommybolin

04/05/2024
14:29
re : Restauration carburateur CD 150
Bonjour Paul,
Pas certain que cette version de flotteur prévue pour les CDSE soit compatible avec le corps de carbu du CDS..
Malgré tout si c'est bien prévu pour en refab, alors ton réglage devrait être ok. :)
Si le niveau est trop élevé (donc distance mesurée faible), oui les symptômes pourront aller d'une richesse excessive à des noyages/calages en freinant ou éventuellement présence de ratés.
Paul

07/05/2024
14:07
re : Restauration carburateur CD 150
A priori, ils se montent bien :)
Paul

10/05/2024
19:19
re : Restauration carburateur CD 150
Petit partage d'information,

Burlen m'a indiqué un réglages entre 16,5mm et 17,5mm avec ces nouveaux flotteurs sur les CDS.
Retour à la liste des messages

* : indique un auteur identifié comme membre de l'Amicale Spitfire


Ajouter un message à cette discussion
Nom email (n'apparaitra jamais sur le site) 476
Sujet

Option : Maxi 10 images uniquement JPEG (300Ko chacune) ou 5 PDF (5Mo chacun)

Attention ! Respectez ces formats et poids, sinon vos fichiers ne seront pas chargés.

Message

Recevoir par mail les réponses
Recopiez ici le numéro là haut à droite (système anti-robot)
Recharger le fil Cliquer une seule fois !

Si vous n'êtes pas adhérent, enregistrer votre pseudo évitera les trolls indésirables !

(c) 2026 Amicale Spitfire