![]() |
Amicale Spitfire Bienvenue sur Cyberspit ! Ce forum est réservé aux discussions autour des Triumphs. Lisez-moi |
|
| Retour à la liste des messages | Dernier message | |
| roger 21/10/2023 08:43 |
ampoule halogène |
|---|---|
| bonsoir petit renseignement j'ai acheté des optiques dont le montage diffère de la mienne car c'est des ampoules halogène , ( sachant que mes ampoules d'origine me convenait tres bien ) ma question je sais pas trop si je garde les halogènes avec le bricolage de la broche en plastique de mon montage ampoules d'origine , faut'il mettre un relais ?, et si il y a une différence sur l'ampoule d'origine en éclairage je pense , merci du conseil |
|
| jpc 8430 21/10/2023 09:28 |
re : ampoule halogène |
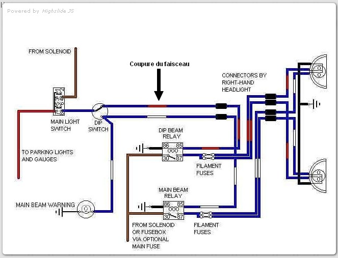
![]() Il faut dans tout les cas installer 2 relais pour les ampoules de Code / Phare, quelque soit le type ; Toute l intensité passe par le commodo , qui fini par griller Je te joint le schéma type de cette modif , assez facile a exécuter. En ce qui concerne l emplacement de ces relais , soit les fixer sur le tablier ( attention aux vis coté moteur ! ) ou bien comme j ai fait de les fixer sur la colonne de direction; plus facile d acces au cas ou ! cdlt j p c |
|
| jpc 8430 21/10/2023 09:32 |
re : ampoule halogène |
![]() Fixation des relais cdlt j p c |
|
| Mika83 21/10/2023 10:14 |
re : ampoule halogène |
![]() Ci joint l'assemblage de relais correspondant au schéma de j p c. ce n'est pas compliqué mais il est fortement recommandé de le faire. la mienne avait le faisceau brulé sur plus de 50 cm. C'est pour cela que je l'ai entièrement refait. Ne pas prendre de risques. Mika |
|
| roger 21/10/2023 13:08 |
re : ampoule halogène |
| bonjour jpc 84 ok merci du conseil , je m'en doutais un peu pour les relais , tu as des halogène aussi @ Mika 83 ok merci aussi du conseil , pour les relais il faut prendre quel modèle merci du renseignement |
|
| Mika83 21/10/2023 14:50 |
re : ampoule halogène |
| Pour les relais, c'est du standard universel 4 broches 12V / 40A. Tu peux en trouver partout. j'ai pris les miens avec le reste du matériel en Angleterre lorsque j'ai refais le faisceau, Ci-dessous un exemple : https://www.mecatechnic.com/fr-FR/relais-4-broches-12v-40amp_UA15472.htm https://www.mecatechnic.com/fr-FR/relais-de-phare-12v-40a_UC31204.htm il y en a à tous les prix, tout dépend la qualité et le lieu de fabrication... Mika |
|
| dyngo 21/10/2023 15:09 |
re : ampoule halogène |
| Ampoules halogène ne sont pas plus gourmand que les anciènes. On peut faire l'échange sans rien changer. Tous le monde en spit roule comme ça, mais aussi 'd'usine) mes Range Rovers années 70. C'est toujours mieux avec relais. Mais a mon avis il faut mettre les relais le plus près de feux et pas à l'intérieur. Ligne directe de batterie avec les relais et les feux, tous ça le plus court. Comme ça on perd le minimum en voltage et minimum de cablage à haute amperrage. Le cablage d'origine reste inchangé et sert à activer le relais. J'ai construit ça sur 2 Range Rovers avec Xenon et LED, les relais le plus près des feux |
|
| jpc 8430 21/10/2023 15:22 |
re : ampoule halogène |
![]() Pour éviter les frais d expositions, tu peux aller chez A D, ou un revendeur de pièces auto, voir chez Feu V , ou Nortoto ! Ils devrait avoir ça en rayon . Prends le modèle de 40 A , si possible de marque Lucas , ou Ducellier ,ou Valeo, mais de BONNE qualité, on si retrouve toujours ( Pas de MRC...e ) Idem pour le cosses , de bien les sertir . Je te joint un autre schéma d installation cdlt j p c |
|
| roger 21/10/2023 20:00 |
re : ampoule halogène |
| @ jpc 84 toujours bien servis accompagné du plan et les conseils d'achat que veux le peuple c'est super merci @Mika 83 idem pour Mika merci des conseils bien représenté @ ainsi que les conseils de dingo sur l'installation des relais merci |
|
| roger 22/10/2023 21:19 |
re : ampoule halogène |
| bonsoir Mika 83 les ampoules halogènes font combien de watt , moi c'est des 55 watt c'est la norme ? Cdlt |
|
| CityHunter 23/10/2023 09:55 |
re : ampoule halogène |
| les H4 fon 55-60W les CE fon 5 ou 10 watts de moins. pas grand chose, mais niveau éclairage rien à voir. moi, je cherche des leds jaunes avec globe |
|
| roger 23/10/2023 11:41 |
re : ampoule halogène |
| bonjour Citya hunter ok très bien bon je suis dans le standard 55 w , c'est les même que j'ai sur mon girofare de mon tracteur , les CE font 10 w de moins mais au niveau éclairage ça à rien a voir , je connait pas ça éclaire beaucoup mieux ? cdlt |
|
| jpc 8430 23/10/2023 15:11 |
re : ampoule halogène |
| @ Roger Les Halogène H 4 , éclaire beaucoup mieux , a condition que les paraboles soient nickel , ( a nettoyer si necessaire ) et après que tu auras installé les relais sur les codes / Phares . Allez Hop, Hop, Hop , au boulot . Même recommandations que pour les relais : Ne pas mégoter sur les prix, et PRENDRE des ampoules de marque. cdlt j p c |
|
| CityHunter 23/10/2023 19:47 |
re : ampoule halogène |
| Je n'ai pas de relais et ça fonctionne très bien en p42t (h4 sur douille CE. Si tu passes en vrai phares h4 blanc, en ampoule halogène les h4 Philips extrême vision -150% sont top. Plus fragile mais top. Sur ma Logan je suis sûrement passé en les et ça vaut quasiment des xénon. |
|
| CityHunter 23/10/2023 19:47 |
re : ampoule halogène |
| Je n'ai pas de relais et ça fonctionne très bien en p42t (h4 sur douille CE. Si tu passes en vrai phares h4 blanc, en ampoule halogène les h4 Philips extrême vision -150% sont top. Plus fragile mais top. Sur ma Logan je suis sûrement passé en les et ça vaut quasiment des xénon. |
|
| CityHunter 23/10/2023 19:47 |
re : ampoule halogène |
| Je n'ai pas de relais et ça fonctionne très bien en p42t (h4 sur douille CE. Si tu passes en vrai phares h4 blanc, en ampoule halogène les h4 Philips extrême vision -150% sont top. Plus fragile mais top. Sur ma Logan je suis sûrement passé en les et ça vaut quasiment des xénon. |
|
| roger 23/10/2023 19:56 |
re : ampoule halogène |
| bonsoir jpc84 les H4 c'est 55 watt , pour nettoyer les paraboles ça doit pas être évident rien que le trou de l'ampoule . merci du conseil |
|
| dyngo 23/10/2023 21:28 |
re : ampoule halogène |
| Quant tu veut gagner un peu de visibilité en plus, il faut le cablage entre batterie et feux le plus court possible. Les H4 sont très sensible aux voltage. Ca dit, moi je n'ai rien fait et des optiques H4 sans changer rien en plus. Une solution plus effective ce sont les optiques LED. Aujourd'hui pas cher, moins gourmands et aucun effet voltage sur l'intensité des phares. (généralement stable entre 10 et 30 volt) Enfin, même avec des phares moderne, on ne voit pas grand-chose, ébloué par des voitures moderne plus haute. A mon avis plus un plaisir de rouler la nuit avec la spit. Les belges ont coutume rouler sur mon pare-choc (presque), je suis complètement ébloué avec ou sans mes H4. |
|
| jpc 8430 24/10/2023 12:11 |
re : ampoule halogène |
![]() Ci dessous une ampoule qui s adapte sans probleme sur nos voitures. Par contre achète chez Nortoto , Feu Vert, ou similaire . Toujours pour éviter les frais d expédition. C est ce que j ai monté sur ma voiture ( Copie d écran joint ) https://www.mecatechnic.com/fr-FR/ampoule-h4-p45t-code-europeen-60-55w-12-volts_UA17805.htm Sinon , regarde cette autre lien pour des adaptations Laser . TRÈS nettement plus cher !! Est-ce nécessaire pour les quelques sorties le soir , ou retour la nuit ??? A toi e voir cdlt j p c https://www.lasercar.fr/accessoires-pour-led/248-adaptateurs-h4r2-p45t-code-europeen-vintage-serie-basic.html |
|
| roger 24/10/2023 13:25 |
re : ampoule halogène |
| bonjour jpc 84 en fait dans les nouvelles optique que je viens d'acquérir c'est pas l'ampoule a trois broches d'origine , c'est une ampoule halogène donc je ne peux plus mettre l'ampoule d'origine ou celle de mecatecnique H4 dont la photos que tu m'envoie, il faut que je fasse un autre montage avec relais , encore merci des renseignements cdlt |
|
| Shodan47700 * 24/10/2023 17:22 |
re : ampoule halogène |
| pourquoi ne pas mettre des ampoules leds qui consomme beaucoup moins?. | |
| roger 24/10/2023 21:12 |
re : ampoule halogène |
| @ shodan47700 comme je disais en dessus mon optique est conçu pour reçevoir une ampoule en halogène a une cosse , mais c'est pas grave il y a une petite transformation |
|
| jpc 8430 25/10/2023 11:02 |
re : ampoule halogène |
| @ Roger Il faut OBLIGATOIREMENT des ampoules a 2 filaments ( Code et Phare ) , donc 2 fils! et un 3 eime pour la masse ; Quelle référence et chez qui as-tu acheté ces optiques ?? cdlt j p c |
|
| roger 25/10/2023 13:47 |
re : ampoule halogène |
| bonjour jpc 84 c'est des optiques carello, a trois ampoules phare , code , et veilleuse cdlt |
|
| roger 08/12/2023 21:37 |
re : ampoule halogène |
| bonsoir encore une question sur le positionnement des relais qui me turlupine , si je positionne les relais a l'avant du capot au plus près des phares a condition de les isoler de l'humidité de l'avant de la spit , une question bête mais qui me tracasse si je monte les relais a l'avant mon contacteur d'éclairage code phare sur le tableau de bord ne risque rien car j'ai entendu qu'il pouvait chauffer et griller , merci de vos conseils |
|
| Hop! 08/12/2023 23:52 |
re : ampoule halogène |
| Roger, c'est grâce au relais que ton commodo ne va pas cramer et ce quel que soit l'éloignement du relais. L'intensité passe dans le relais, pas dans le contacteur d'origine... si ton branchement est correct. L'intérêt de positionner le relais au plus prêt du consommateur (phare, klaxon...) est de limiter la perte et de protéger le faisceau surtout s'il a de l'âge comme nous ;-) |
|
| roger 09/12/2023 07:59 |
re : ampoule halogène |
| bonjour hop ok très bien , donc c'est bien de positionner les relais vers l'avant , pour limiter les pertes et protéger le faisceau , merci du conseil |
|
| roger 09/12/2023 07:59 |
re : ampoule halogène |
| bonjour hop ok très bien , donc c'est bien de positionner les relais vers l'avant , pour limiter les pertes et protéger le faisceau , merci du conseil |
|
| nicolas45 09/12/2023 09:47 |
re : ampoule halogène |
| @ roger tu dis:c'est des optiques carello, a trois ampoules phare , code , et veilleuse cdlt Alors ce n'est pas du H4 mais du H1 ou du H3 en optique Bi-optique ou kangourou. un H1/3 assure la fonction code, et autre H1/3 la fonction phare, la fonction veilleuse étant assurée par une ampoule classique. le branchement ne diffère pas: simplement tu va devoir supprimer le connecteur 3 cosses et le remplacer par de la cosse plate indépendante et mettre 2 relais (selon les plans proposés) essai de mettre une photo du cul de l'optique ; les H1 sont en longueur et ont une partie biseautée qui sert de détrompeur , les H3 sont relativement petits avec les cosses réparties à 180° de la lampe |
|
| jpc 8430 09/12/2023 12:27 |
re : ampoule halogène |
| @ Roger et + ATTENTION a ne surtout pas mettre les doigts sur les ampoules H 1 ou h 3 """ Faut-il prendre des précautions pour remplacer une lampe ? On conseille de ne pas toucher le globe de la lampe avec les doigts et de porter des gants. En effet, les doigts pourraient fragiliser le verre en déposant un film gras dessus ou en le rayant. """ Cdlt j p c |
|
| tommybolin 09/12/2023 12:45 |
re : ampoule halogène |
| Bonjour Roger, Concernant la position des relais, vu qu'ils sont plutôt sensibles à l'humidité (faux-contacts/oxydation) et aux vibrations, perso je les installe plutôt en retrait, soit sur le tablier ou dans l'habitacle sous le tableau de bord ou derrière les boîtes à gants par ex. Amicalement ;) |
|
| Roger 09/12/2023 13:10 |
re : ampoule halogène |
| bonjour Nicolas 45 oui c'est des carellos qui vont bien sur une Triumph Spitfire, avec deux ampoules halogènes de 55 watts une pour phare et l'autre pour code a une cosse , donc je changerai la cosse d'origine a trois broches , mon soucis c'était où placer les deux relais pour positionner les relais au mieux , après H1 ou H4 j'en sais rien cdlt |
|
| roger 09/12/2023 18:49 |
re : ampoule halogène |
| bonsoir Tommybolin oui je voulais mettre les relais au plus près des phares, mais c'est vrai que a l'avant j'ai pas trouvé une place bien pour mettre les relais , et comme tu dit aussi l'humidité , oxidation c'est vrai c'est pas top , les relais sur le tablier c'est mieux , faut-il augmenter les fils du relais jusqu'au phare ou pas besoin vu qu'il y a les relais , merci Tommybolin de tes conseils |
|
| Gecko 10/12/2023 10:17 |
re : ampoule halogène |
![]() Je suis parti dans l'optique de ne pas intercaler les relais dans le circuit, mais utilisé le faisceau d'origine pour commander les relais, et le circuit qui transporte l'intensité je l'ai remplacé et doublé (pour éviter les pertes en ligne avec une section de conducteur trop petite) |
|
| roger 10/12/2023 14:12 |
re : ampoule halogène |
| bonjour gecko ok l'installation c'est que pour les phares ça a l'air costaud comme installation et propre faut déjà si connaitre , moi je vais me contenter de mes deux relais déjà ça me prend pas mal le choux comme ça pour bien faire cdlt |
|
| Gecko 10/12/2023 15:29 |
re : ampoule halogène |
| Ca paraît chiadé comme montage, mais en vrai c'est de lesbrouffe, car c'est plus simple que de monter soit meme les relais. Trois fils d'alimentation. Un petit fil noir (qui sert a assurer la masse des relais) Deux gros fils rouges, a raccorder en direct sur la batterie. Ces deux fils sont distribués vers les 6 fusibles, puis vers les 6 relais, mais c'est précablé. Tu as 6 ensemble de trois fils Repérés ensemble et numérotés avec le numero du relais. Pour chaque ensemble Petit fil blanc (commande, si tu appliques 12v le relais s'active) Gros fil Bleu (au repos tu as du +12v et si relais activé 0v) En gros. Tu raccordes les deux fils rouge ensemble sur une cosses que tu visses directement sur le contacteur qui est branché a la batterie. Tu choisis deux relais au hasard Mettons le 1 pour les feux de croisement et le 2 pour les feux de route. Tu peux par sécurité, demonter les cosses inutilisées pour le moment par les autres relais. A demonter Les 4 fusibles inutiles Les 4 relais inutiles (on tire dessus) Les cosses des fils Blancs, Bleu, Jaune des relais inutiles (avec une petite clef allen de 1, on cherche le taquet qui maintient la cosse dans le boîtier.) Et on demonte les cosses inutiles des relais utilisés donc les deux fils bleus. Ca vaut le coup de garder ces pieces pour des upgrades futurs (pompe a essence, alimentation d'autoradio + allume cigare. Ensuite On raccorde le fil Bleu/rouge qui va vers les feux de croisement normalement, sur le fil Blanc du relais 1 On raccorde le fil Bleu/blanc qui va vers les feux de route normalement, sur le fil blanc du relais 2 Petit test au multimetre. Multimetre sur mesure de tension. Une pointe sur la carrosserie, l'autre sur le fil Jaune du relais 1 Quand on actionne les feux de croisement, on doit entendre le relais claquer, et le 12v apparaître sur le fil Jaune. Idem sur les feux de route. Et déjà là vous etes protégés. Circuit de commande par le fusible d'origine Circuit de puissance, par le fusible dans le boîtier installé. Reste a raccorder les fils jaunes aux phares, en utilisant des fils de grosse section, ou en doublant le faisceau au minimum si.on achete des cables avec les meme couleurs (bleu/blanc et bleu/rouge ne se trouvent pas en grosse section) |
|
| Gecko 10/12/2023 15:31 |
re : ampoule halogène |
| * Tu as 6 ensemble de trois fils Repérés ensemble et numérotés avec le numero du relais. Pour chaque ensemble Petit fil blanc (commande, si tu appliques 12v le relais s'active) Gros fil Bleu (au repos tu as du +12v et si relais activé 0v) Gros fil Jaune (au repos tu as du 0V, et du +12v quand on active le relais) |
|
| Gecko 10/12/2023 15:39 |
re : ampoule halogène |
| Upgrade possible Pilotage de la pompe a essence par un des relais Et Création d'un circuit protégé et de puissance pour alimenter un autoradio + allume cigare Les autoradio d'aujourd'hui peuvent consommer beaucoup, 50w, et les chargeur de téléphone modernes également, via la prise allume cigare. Ordre de grandeur, 50w d'autoradio+ 35w de charge rapide d'un téléphone 85w en 12v, c'est 7A dans les fils ???? Les faisceaux d'origine n'étaient pas prévus pour de tels ampérage. |
|
| roger 10/12/2023 20:28 |
re : ampoule halogène |
| bonsoir Gecko c'est du bon boulot , tu a l'air d'être a l'aise avec tout c'est fils , et même en m' m'expliquant ont ressent que cela te plaît , mais moi les fils l'électricité je sais pas c'est une partie que je suis pas du tout a l'aise , je suis plus a l'aise en mécanique , merci quand même de tes conseils je vais décortiquer ton message car je vais te relire pour déjà comprendre cela peux me faire que du bien cdlt |
|
| Gecko 10/12/2023 22:20 |
re : ampoule halogène |
| J'espère que tu ne vois pas cela comme une insistance de ma part, d'autant que ma solution technique est une parmis tant d'autre. Mais au besoin je peux tenter d'expliquer s'il y'a des zones d'ombre. |
|
| roger 11/12/2023 08:28 |
re : ampoule halogène |
| bonjour Gecko non tout conseils sont bon à prendre , surtout c'est une partie que je suis vraiment nul et a l'aise cdlt |
|
| roger 12/12/2023 08:13 |
re : ampoule halogène |
| bonjour je reviens sur les relais vers l'avant , j'ai compris que l'humidité, oxydation et vibrations et c'est pas top , alors en réfléchissant pour le branchement vers l'avant c'est plus direct et plus facile pour la pose , alors j'ai pensé que si je monte une boîte a relais pour protéger mes relais étanche bien isolé de la monter vers l'avant , peut-être une solution aussi ? |
|
| domi59 12/12/2023 14:25 |
re : ampoule halogène |
| Bonjour a tous, @Gécko, super boulot. tu as trouvé ou ton boitier ? Ca fait un moment que je voulais aussi relayer la commande optique, mais je ne voulais pas mettre les relais et fusibles en volant sans protection. Je cherchais justement un boitier ou j'aurai pu y loger tout ce monde sans jamais trouver quelques chose qui me convienne. Je vois que toi tu as trouvé pile poils ce qu'il fallait. |
|
| Gecko 12/12/2023 17:20 |
re : ampoule halogène |
| Bonjour C'est une boite a relais qui vient d'aliexpress. On la trouve assez facilement sur Amazon également. Là où je trouve ça abusé c'est que je l'ai payée 35euros livrée en provenance de chine, et je retrouve la même boîte a 200euros sur des sites de vente de pieces détachées "sport" française |
|
| Gecko 12/12/2023 17:53 |
re : ampoule halogène |
| "https://www.amazon.com/12V-Fuse-Relay-Box-Waterproof/dp/B0BS16JFGR" | |
| domi59 12/12/2023 18:19 |
re : ampoule halogène |
| C'est bien celle ci ? https://www.amazon.fr/Gebildet-Fusible-Fusibles-Universel-Automobile/dp/B0C2Q1YFWK/ref=sr_1_5?crid=GSUAQHPAXR7C&keywords=boite%2B%C3%A0%2Brelais%2Bet%2Bfusible%2B12v&qid=1702401190&sprefix=boite%2B%C3%A0%2Brelais%2Caps%2C281&sr=8-5&th=1 |
|
| Gecko 12/12/2023 20:57 |
re : ampoule halogène |
| Oui, c'est la même Prevois également de la gaine thermo pour rallonger les fils, apres soudure. Également, des cosses ronde: Une pour se piquer sur le contacteur (fil marron) Une pour récupérer une masse pour le boîtier (peunde puissance, mais nécessaire pour les relais), perso je l'ai mis sur une des vis de l'émetteur d'embrayage. Il faut aussi des conducteurs. Pour l'alimentation de puissance (2 gros fil rouges du boîtier relais) j'ai utilisé une chute de mon ancien faisceau, le cable marron qui allait a l'alternateur, de grosse section Puis j'ai pris des conducteurs en 2mm2 de couleur bleu/blanc et bleu/rouge 10m de chaque (j'etais large) et j'ai doublé les conducteurs pour aller vers les phares. (A connecter sur les fils jaunes sur les deux relais choisi) Note: penser a enlever les fils inutiles par sécurité (tous les fils bleus, et les fils jaunes et blanc des relais inutiles.) Et les garder, on ne sait jamais. Penser aussi a acheter des fusibles en 20A Le kit en fourni 6 différents. (Perso je suis parti sur du 20A car en nominal le circuit vera passer 10A, et le faisceau que j'ai posé vers les phares est capable d'encaisser 50A (25A x 2) |
|
| Gecko 13/12/2023 10:46 |
re : ampoule halogène |
| (Le fichier "schema.jpg" est trop volumineux ou le nombre d'élement maximum est dépassé et n'a pas été enregistré) Schéma de raccordement avec le boitier porte relais+fusible |
|
| Gecko 13/12/2023 10:47 |
re : ampoule halogène |
| (Le fichier "schema.jpg" est trop volumineux ou le nombre d'élement maximum est dépassé et n'a pas été enregistré) Schema |
|
| Gecko 13/12/2023 10:49 |
re : ampoule halogène |
![]() |
|
| Domi59 13/12/2023 12:30 |
re : ampoule halogène |
| Bonjour gecko, Merci c est sympa. Pour le câblage ça va, c est mon domaine je ne suis pas inquiet. Je suis plus doué en elec qu en mécanique LOL. |
|
| Gecko 13/12/2023 13:38 |
re : ampoule halogène |
![]() Si cela peut aider d'autre moins a l'aise ^^ Au passage, je vous joint le câblage interne de ce boitier si certains sont curieux |
|
| domi59 * 13/12/2023 13:50 |
re : ampoule halogène |
| Oui bien sûr. Très bien le schéma interne. |
|
| Francois59350 26/06/2024 11:46 |
re : ampoule halogène |
| Bonjour Gecko, J'ai copié votre installation afin que mes phares soient commandés via des relais et éviter de laisser passer l'ensemble de la puissance au travers de l'interrupteur au tableau de bord ou du commodo. Si les positions "fixes" fonctionnent, il me semble avoir perdu la fonctionnalité "appel de phares". Auriez-vous une idée d'où celà peut provenir ? Bien cordialement, François |
|
| Gecko 26/06/2024 13:33 |
re : ampoule halogène |
| A mon avis le défaut vient du commodo (cosse qui s'est sauvée ou oxydation ) Vos appels de phare ne devaient plus fonctionner avant la modif. Basiquement la modif consiste a remplacer un gros consommateurs (les deux phares ) par un petit consommateur (la bobine d'un relais) Si vos feux de croisement et feux de route fonctionnent , c'est au niveau du circuit de commande que cela coince. Si je me réfère au schema d'origine, il doit y avoir un +12v permanent qui arrive via un fil violet. ("Dip flash switch" sur le schéma) Protégé par un fusible. Les appels de phares sont réalisable sans le contact, donc l'alim de cette commande est a part et je passe pas par le switch des phares. Essayez de vérifier si le +12v arrive bien au commodo via un multimètre ou une lampe témoin |
|
| Retour à la liste des messages | |
* : indique un auteur identifié comme membre de l'Amicale Spitfire
(c) 2025 Amicale Spitfire








